SLM110S_TRM(Ver7.1_CS16.26).pdf - 第125页
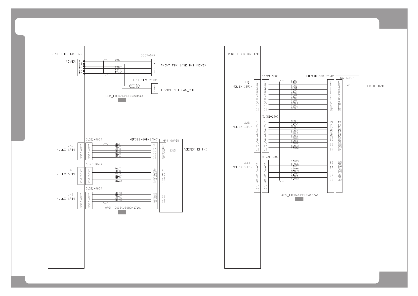
Page HANWHA TECHWIN 11 3 SLM110S Feeder Board Interface (2/4) NO. Lev . P A RT NO. P ART NAME Q'TY Old No. Supply Supply L T Reference 1 J90800840B FDR INPU T EXT CABLE ASSY 1 2 J90834175A F_FDR_SENS OR_INPUT_CABLE_…

Page
HANWHA TECHWIN
112
SLM110S
Feeder Board Interface (2/4)
^4`
^5`
^6`

Page
HANWHA TECHWIN
113
SLM110S
Feeder Board Interface (2/4)
NO. Lev. PART NO. PART NAME Q'TY Old No. Supply Supply LT Reference
1 J90800840B FDR INPUT EXT CABLE ASSY 1
2 J90834175A F_FDR_SENSOR_INPUT_CABLE_ASSY 1
3 J90834177A R_FDR_SENSOR_INPUT_CABLE_ASSY 1

Page
HANWHA TECHWIN
114
SLM110S
Feeder Board Interface (3/4)
^4`
^5`
^6`