SLM110S_TRM(Ver7.1_CS16.26).pdf - 第89页
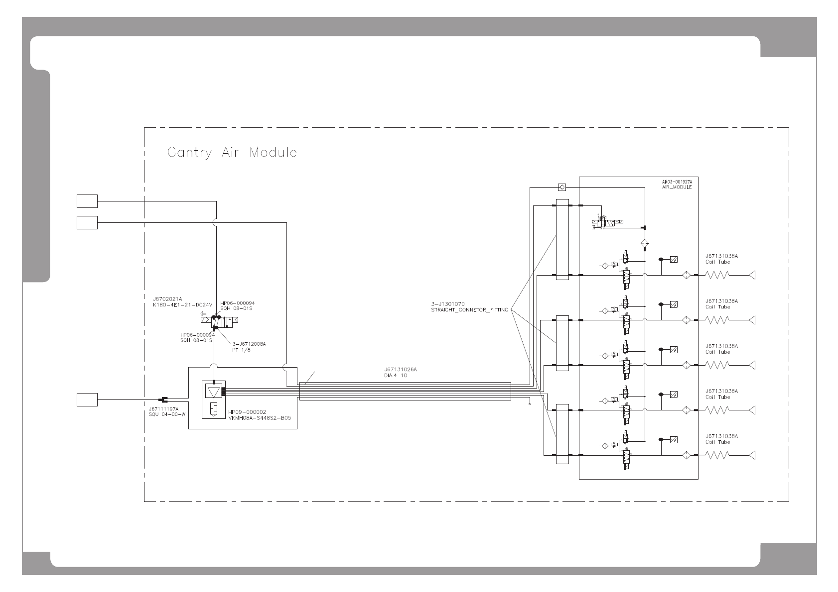
Page HANWHA TECHWIN 77 SLM110S Air Ass’y (4/6) A1 A2

Page
HANWHA TECHWIN
76
SLM110S
Air Ass’y (3/6)
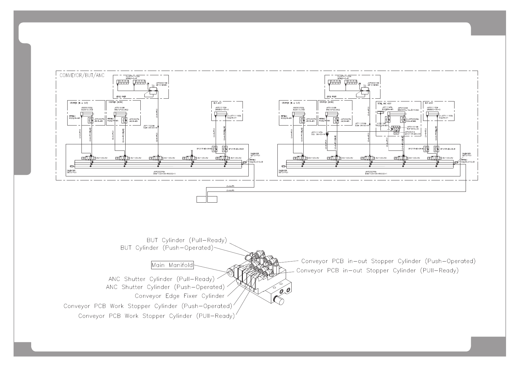
B

Page
HANWHA TECHWIN
77
SLM110S
Air Ass’y (4/6)
A1 A2

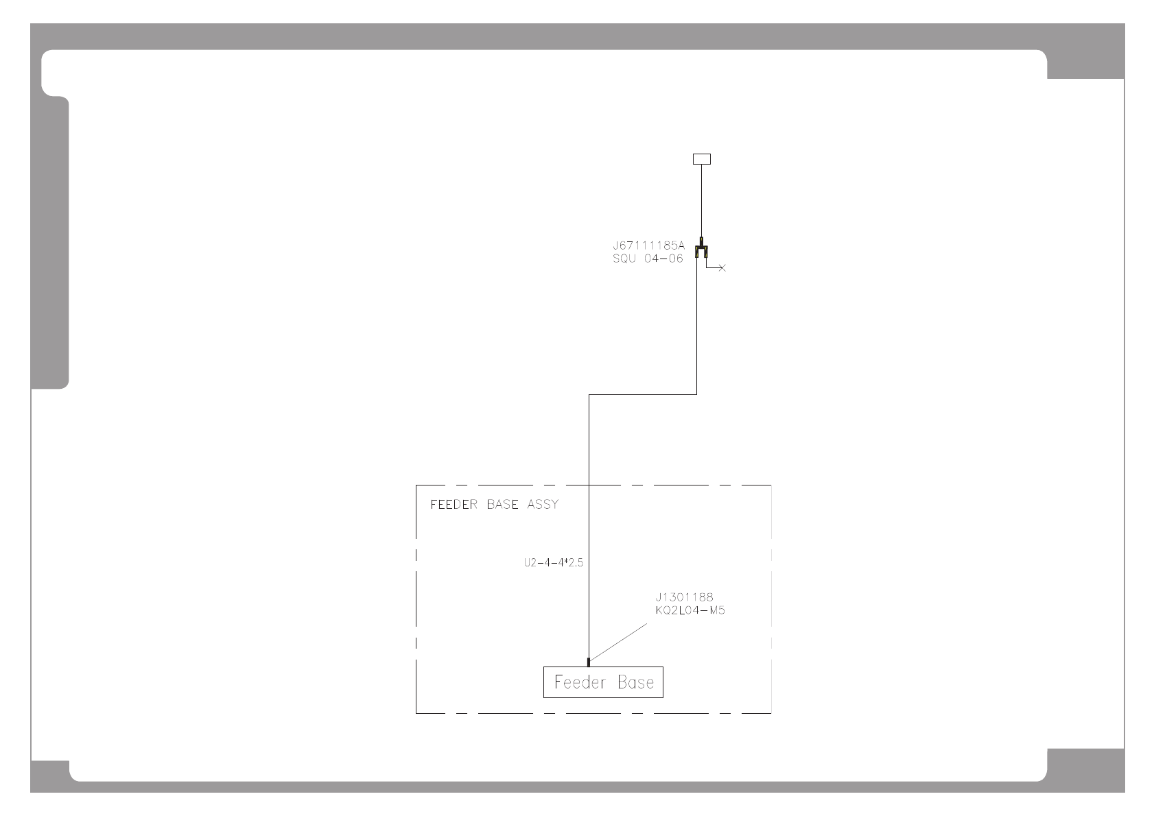
Page
HANWHA TECHWIN
78
SLM110S
Air Ass’y (5/6)
㜤
䍠⮹
C2
C3
C1