SLM110S_TRM(Ver7.1_CS16.26).pdf - 第129页
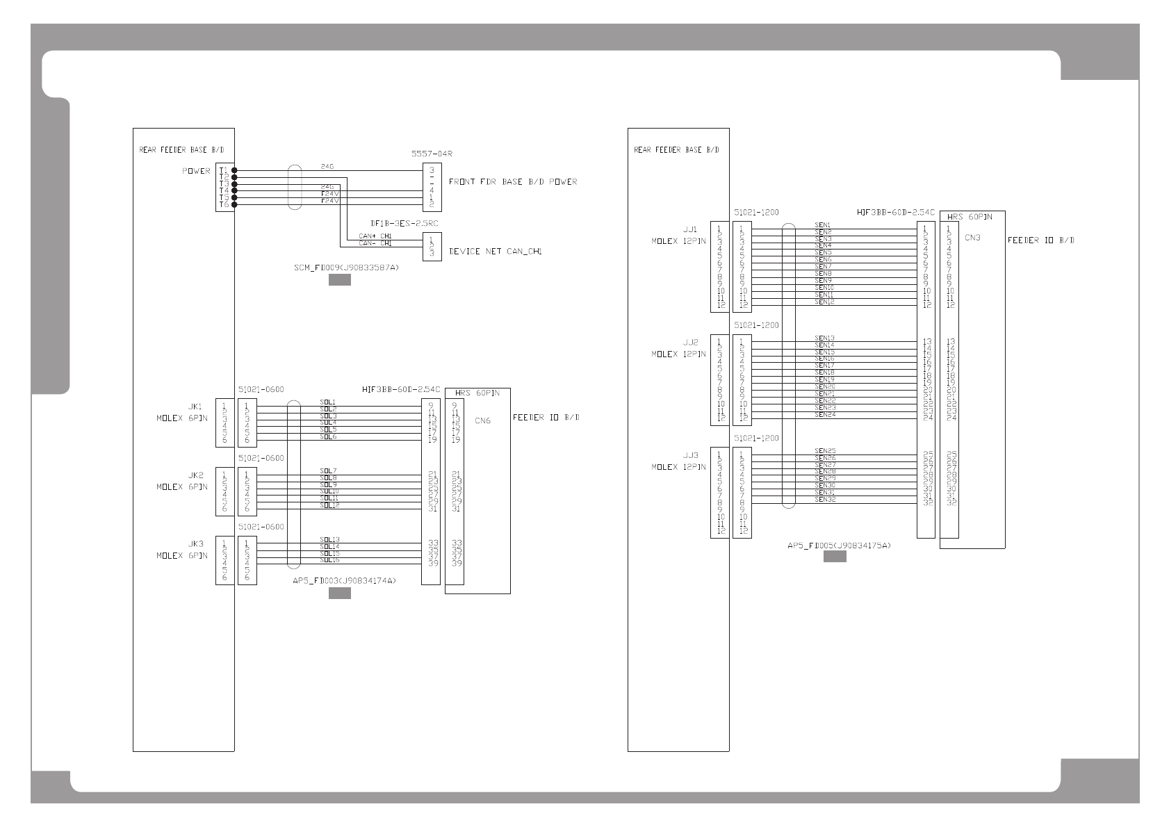
Page HANWHA TECHWIN 11 7 SLM110S Feeder Board Interface (4/4) NO. Lev . P A RT NO. P ART NAME Q'TY Old No. Supply Supply L T Reference 1 J90833587A R-FDR BASE BD CABLE ASSY SCM_FD009 1 2 J90834174A R_FDR_SOL_OUTPU T…

Page
HANWHA TECHWIN
116
SLM110S
Feeder Board Interface (4/4)
^4`
^5`
^6`

Page
HANWHA TECHWIN
117
SLM110S
Feeder Board Interface (4/4)
NO. Lev. PART NO. PART NAME Q'TY Old No. Supply Supply LT Reference
1 J90833587A R-FDR BASE BD CABLE ASSY SCM_FD009 1
2 J90834174A R_FDR_SOL_OUTPUT_CABLE_ASSY AP5_FD003 1
3 J90834175A F_FDR_SENSOR_INPUT_CABLE_ASSY AP5_FD004 1

Page
HANWHA TECHWIN
118
SLM110S
Conveyor Board Interface (1/5)
^4`
^5`
^6`
^7`
^8` ^9`
^:`
^;`