SLM110S_TRM(Ver7.1_CS16.26).pdf - 第166页
Page HANWHA TECHWIN 154 SLM110S Safety Interlock Interface (2/2) ^4` ^5` ^6` ^7` ^9` ^7` ^:` ^9` ^8` ^;` J90834316A

Page
HANWHA TECHWIN
153
SLM110S
Safety Interlock Interface (1/2)
NO. Lev. PART NO. PART NAME Q'TY Old No. Supply Supply LT Reference
1 J90834308A PS1_SC_CN1_PWR_CABLE_ASSY AP5_SC001 1
2 J90834369A REAR_EMG_S/W_CABLE_ASSY AP5_OP007 1
3 J90834368A REAR_EMG_S/W_EXT_CABLE_ASSY AP5_OP006 2
4 J90834310A CONVEYOR_SUB_CONN_CABLE_ASSY AP5_SC003 1
5 J90834257A OP_PANEL_ASSY AP5_OP001 1
6 J90834261A FRONT_OP_SW_CABLE_ASSY AP5_OP005 1
7 J90834311A MAGNETIC_CONTACTOR_CABLE_ASSY
AP5_SC004
1
8 J90834313A OVERRIDE_KEY_EXT_CABLE_ASSY AP5_SC006 1
9 J90833071A SAFEGUARD OVERRIDE SW CABLE SM431_SC007 1

Page
HANWHA TECHWIN
154
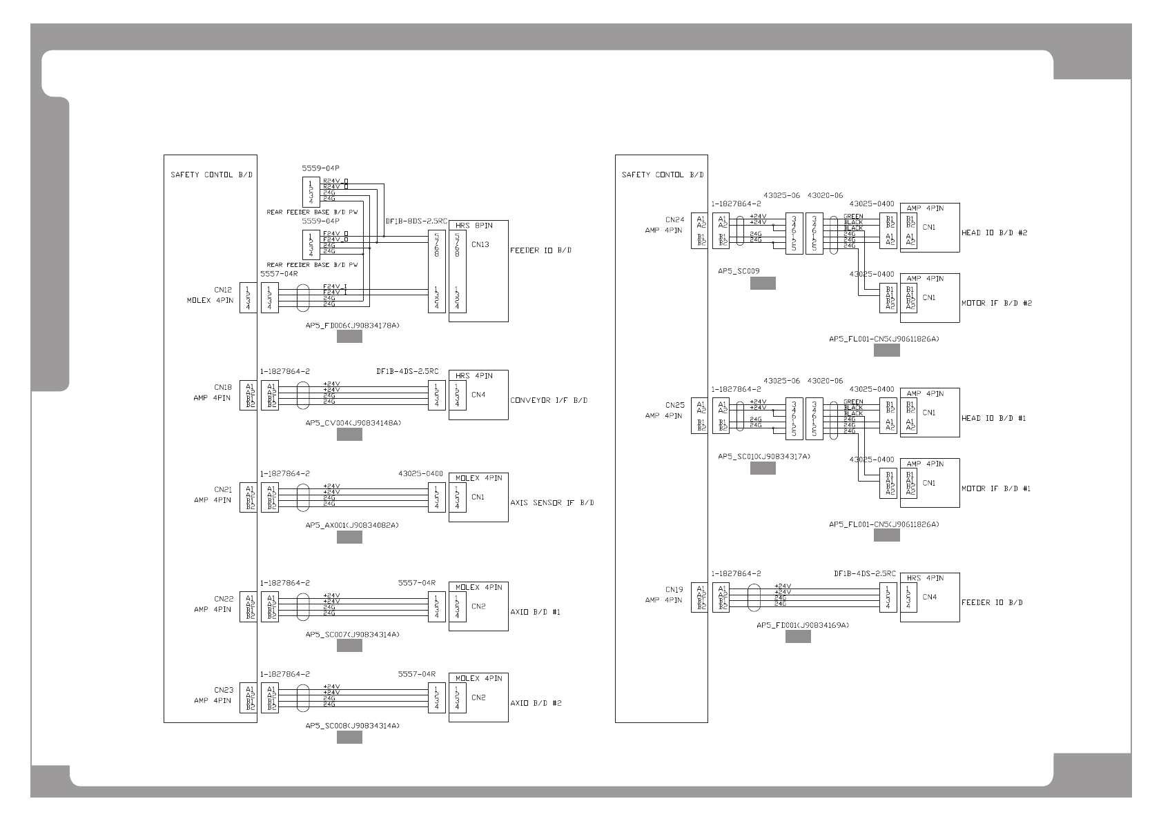
SLM110S
Safety Interlock Interface (2/2)
^4`
^5`
^6`
^7`
^9`
^7`
^:`
^9`
^8`
^;`
J90834316A

Page
HANWHA TECHWIN
155
SLM110S
Safety Interlock Interface (2/2)
NO. Lev. PART NO. PART NAME Q'TY Old No. Supply Supply LT Reference
1 J90834178A FDR_BASE_PWR_CABEL_ASSY AP5_FD006 1
2 J90834148A CONV_IF_BD_POWER_CABLE_ASSY AP5_CV004 1
3 J90834082A AXIS_SEN_BD_PW_CABLE_ASSY AP5_AX001 1
4 J90834314A SC_CN22_AXIO_1_PWR_CABLE_ASSY AP5_SC007 2
5 AM03-013461B HEAD_MOTOR_IF_BD_1_PW_CABLE_ASSY 1 J90834316A/AM03-013461A
6 J90611826A FLAT_CABLE_ASSY AP5_FL001 2
7 AM03-013462B HEAD_MOTOR_IF_BD_2_PW_CABLE_ASSY 1 J90834317A/AM03-013462A
8 J90834169A FDR_IO_PWR_CABLE_ASSY AP5_FD001 1