SLM110S_TRM(Ver7.1_CS16.26).pdf - 第88页
Page HANWHA TECHWIN 76 SLM110S Air Ass’y (3/6) B

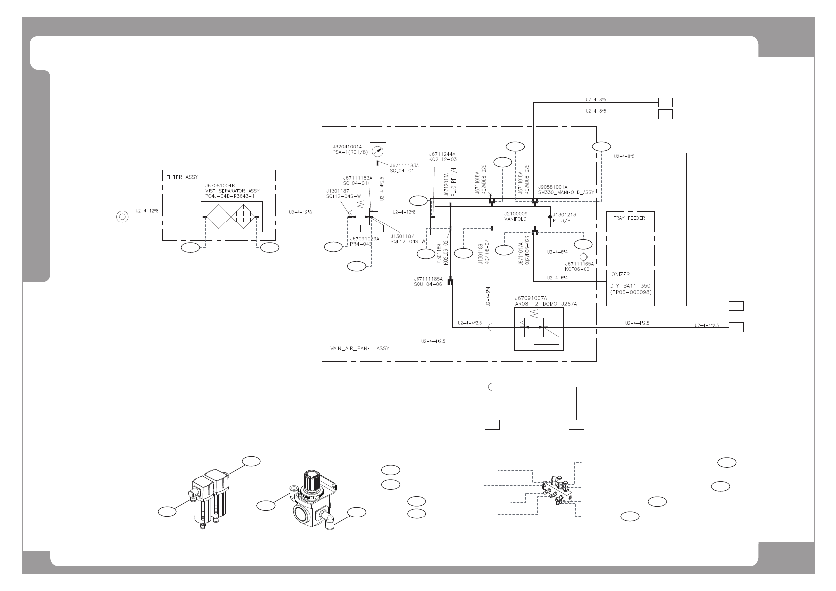
Page
HANWHA TECHWIN
75
SLM110S
Air Ass’y (2/6)
A1
A2
B C3
C2
C1
Gantry Air Module
Main Regulator
Head Regulator
Feeder Base
Ionizer
Tray Feeder
Conveyor Right Sol. Valve
Conveyor Left Sol. Valve
1
2
3
4
5
6
7
8
9
6
1
2
1 1
2
2
3
4
5
6
6 7
9
8

Page
HANWHA TECHWIN
76
SLM110S
Air Ass’y (3/6)
B

Page
HANWHA TECHWIN
77
SLM110S
Air Ass’y (4/6)
A1 A2