JM-50_维修保养手册.pdf - 第139页
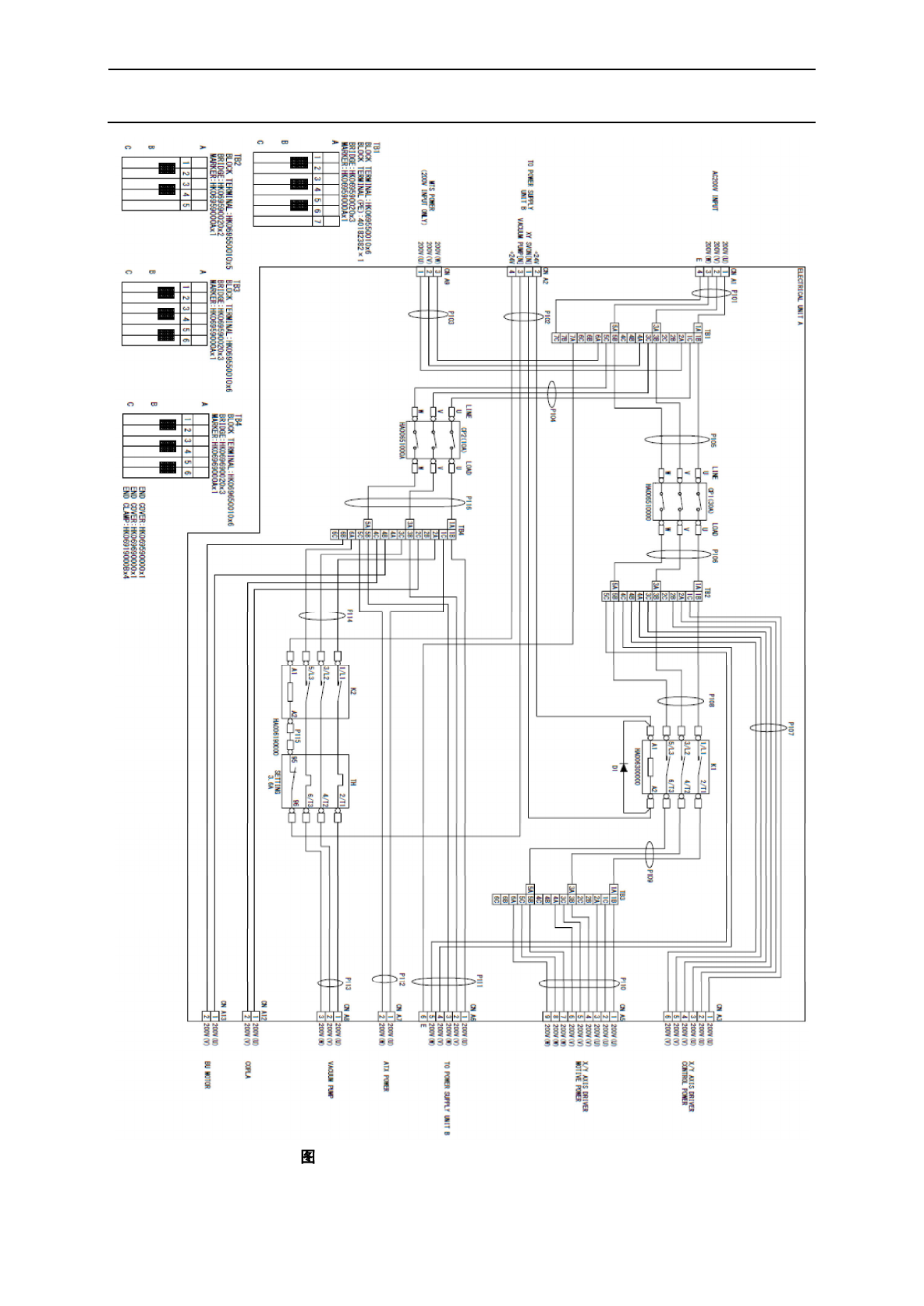
维修调整要领书 1 1-5 1 1-2-1-1-4 PSU A WIRING DIAG RAM [ST]

维修调整要领书
11-4
11-2-1-1-1 A (ST)
No. JUKI 品号 零件名 零件数 位置 备注
1 HA006510000 CIRCUIT PROTECTOR (3OA) 1 CP1
2 HA00651000A CIRCUIT PROTECTOR (10A) 1 CP2
3 HA006300000 MAGNETIC CONTACTOR 1 K1
4 HA006190000 MAGNETIC CONTACTOR 1 K2&TH

维修调整要领书
11-5
11-2-1-1-4 PSU A WIRING DIAGRAM [ST]

维修调整要领书
11-6
11-2-1-2 A (EN)
11-2-1-2-1 A (EN) 11-2-1-2-2 A (EN)
11-2-1-2-3 A (EN)
1
2
3
4
5
5
7
6