80S-20电路图.pdf - 第235页
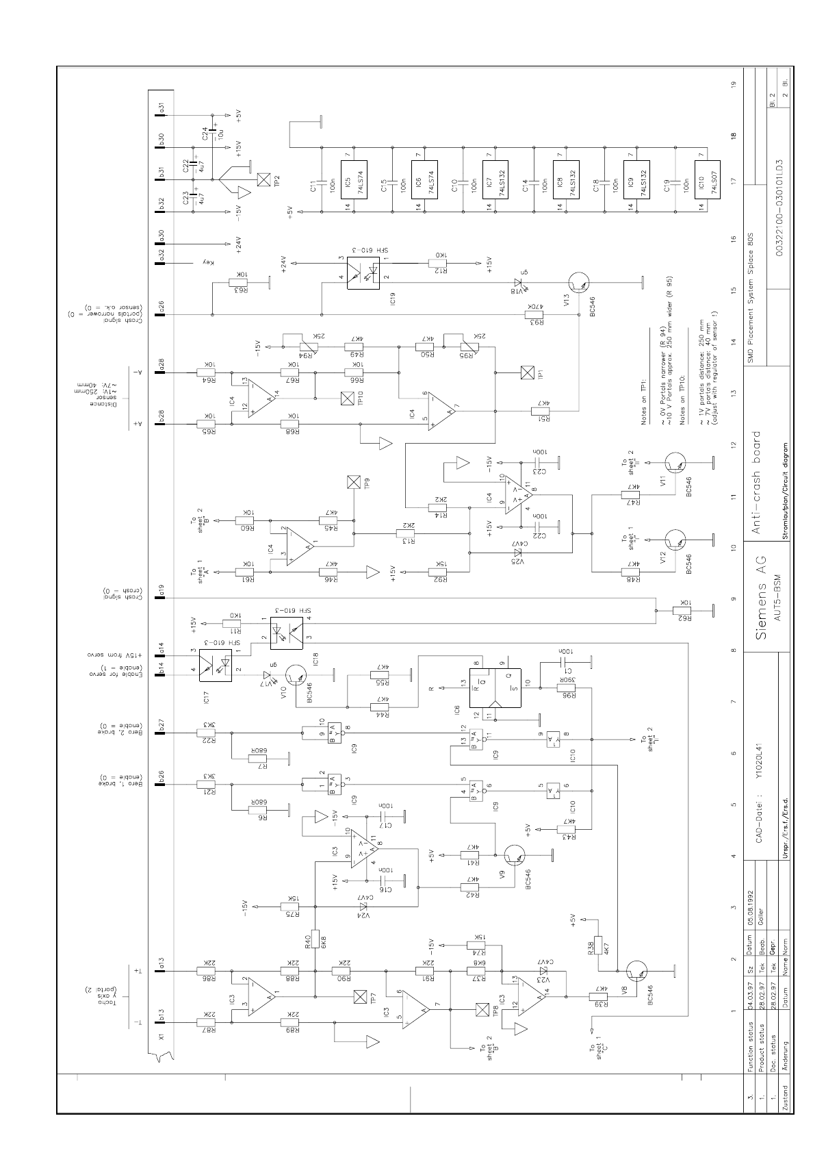
SIPLACE 80S-20 Anti-cras h board (Sh. 2 of 2) 3.6 - 13 Anti-crash boar d (Sh. 2 of 2) Y1020L 4b.dwg 00322100 -0401 01LD3 Ant i-crash boa rd (Sh. 2 of 2)

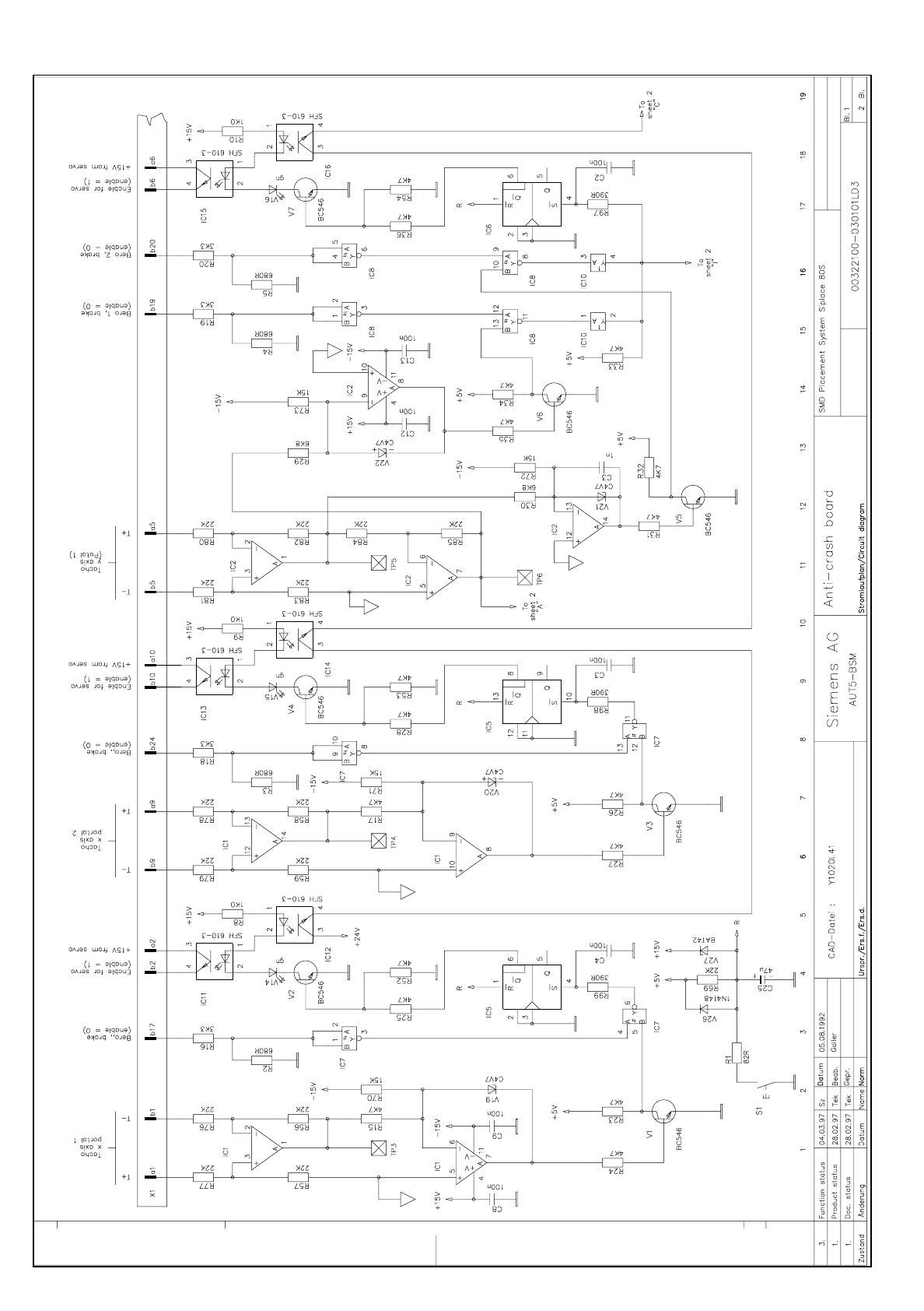
3.6 - 12 Anti-crash board (Sh. 1 of 2) SIPLACE 80S-20
Anti-crash board (Sh. 1 of 2)
Y1020L4a.dwg
00322100-040101LD3 Anti-crash board (Sh. 1 of 2)

SIPLACE 80S-20 Anti-crash board (Sh. 2 of 2) 3.6 - 13
Anti-crash board (Sh. 2 of 2)
Y1020L4b.dwg
00322100-040101LD3 Anti-crash board (Sh. 2 of 2)

3.6 - 14 Anti-crash board SIPLACE 80S-20
Anti-crash board
Y1020N42.dwg
00322100-040102ND4 Anti-crash board