80S-20电路图.pdf - 第324页
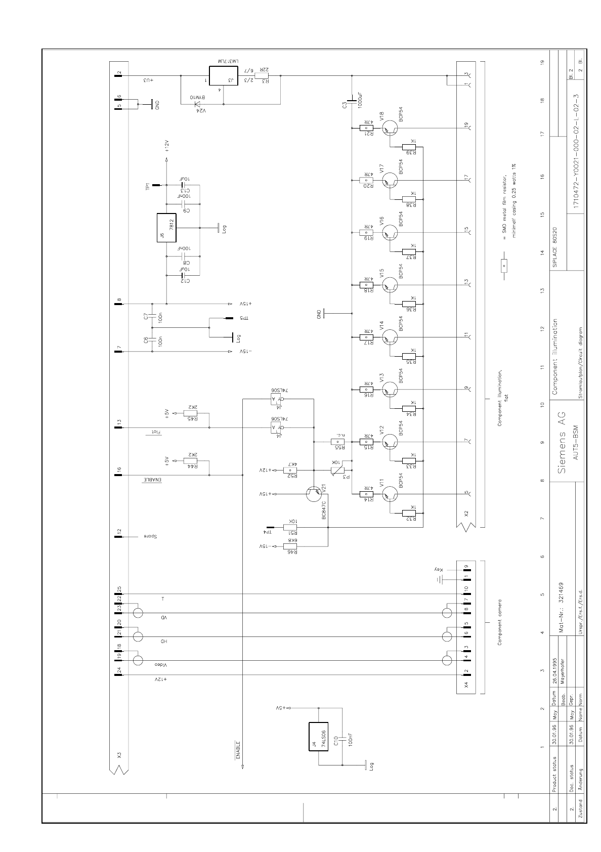
SIPLACE 80 S-20 Com ponent illumin ation (Sh . 2 of 2 ) 3.11 - 21 Component illumination (Sh. 2 of 2) Y0021L 2b.dwg 1710472-Y0021-000-02-L-02-3 Component illumination (Sh. 2 of 2 )

3.11 - 20 Component illumination (Sh. 1 of 2) SIPLACE 80S-20
Component illumination (Sh. 1 of 2)
Y0021L2a.dwg
1710472-Y0021-000-02-L-02-3 Component illumination (Sh. 1 of 2)

SIPLACE 80S-20 Component illumination (Sh. 2 of 2) 3.11 - 21
Component illumination (Sh. 2 of 2)
Y0021L2b.dwg
1710472-Y0021-000-02-L-02-3 Component illumination (Sh. 2 of 2)

3.11 - 22 Component illumination SIPLACE 80S-20
Component illumination
Y0021N01.dwg
1710472-Y0021-000-01-N-01-3 Component illumination