80S-20电路图.pdf - 第320页
SIPLACE 80 S-20 Com ponent illumin ation (Sh . 1 of 2 ) 3.11 - 17 Component illumination (Sh. 1 of 2) Y0020L 21.dwg 1710472-Y0020-000-02-L-02-3 Component illumination (Sh. 1 of 2 )

3.11 - 16 Sensor Z axis, bottom SIPLACE 80S-20
Sensor Z axis, bottom
321524n3.dwg
00321524-030202ND4 Sensor Z axis, bottom

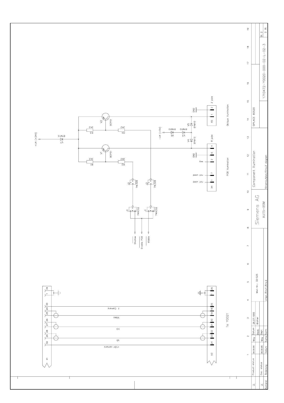
SIPLACE 80S-20 Component illumination (Sh. 1 of 2) 3.11 - 17
Component illumination (Sh. 1 of 2)
Y0020L21.dwg
1710472-Y0020-000-02-L-02-3 Component illumination (Sh. 1 of 2)

3.11 - 18 Component illumination (Sh. 2 of 2) SIPLACE 80S-20
Component illumination (Sh. 2 of 2)
Y0020L22.dwg
1710472-Y0020-000-02-L-02-3 Component illumination (Sh. 2 of 2)