80S-20电路图.pdf - 第263页
SIPLACE 80 S-20 Interf ace for co mponents supp ly (leftha nd sid e) 3.7 - 1 3.7 Interface for componen ts supp ly, lefthan d side ( 00322 063-01)/ rightha nd side (00322 064-0 1) Interface f or com ponen ts supply (left…

3.6 - 40 Cable Ground - terminal strip servo unit SIPLACE 80S-20
Cable Ground - terminal strip servo unit
C0510L01.dwg
00324359-010101LD4 Cable Ground - terminal strip servo unit

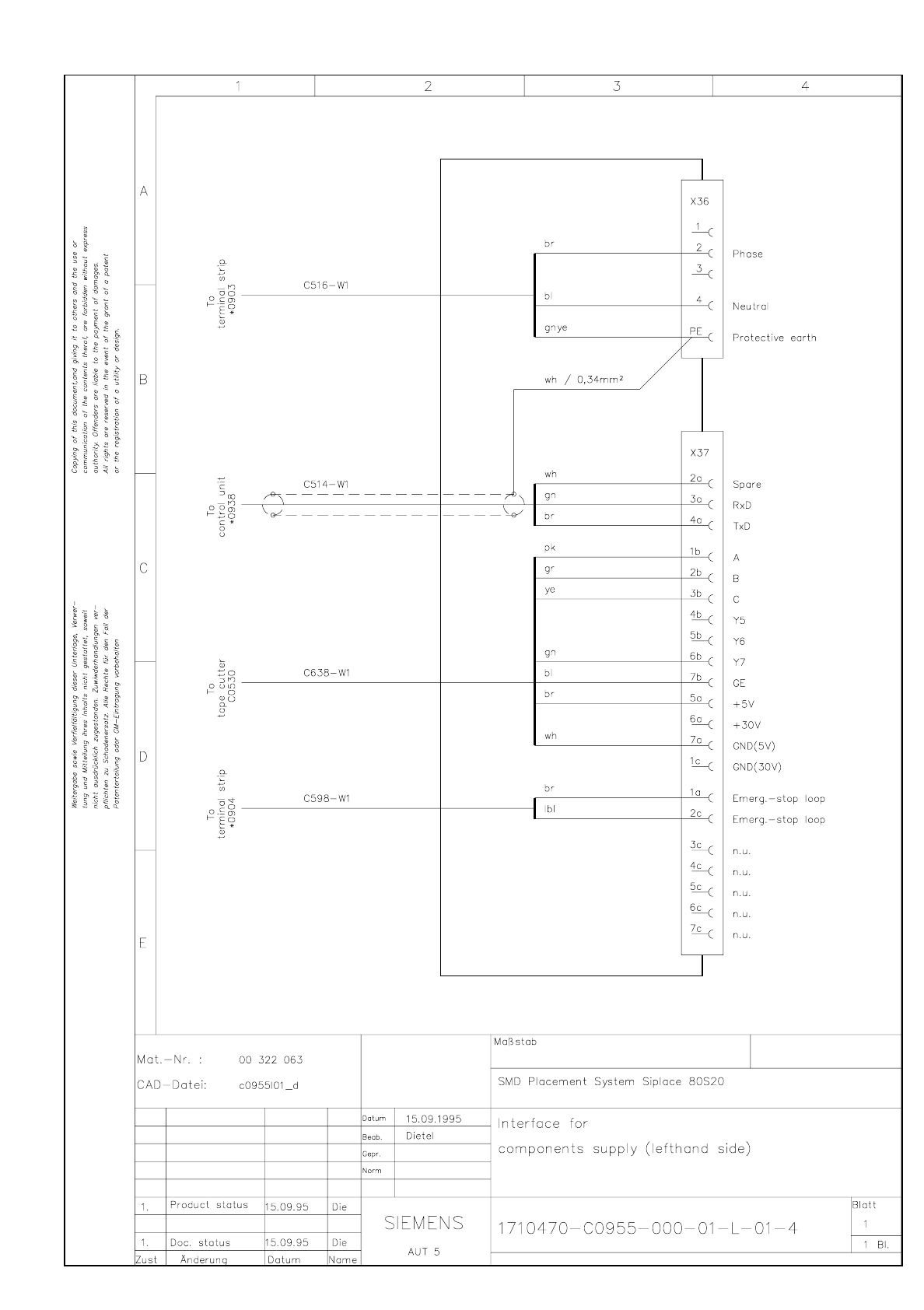
SIPLACE 80S-20 Interface for components supply (lefthand side) 3.7 - 1
3.7 Interface for components supply, lefthand side (00322063-01)/righthand side (00322064-01)
Interface for components supply (lefthand side)
C0955L01.dwg
1710470-C0955-000-01-L-01-4 Interface for components supply (lefthand side)

3.7 - 2 Interface for components supply (lefthand side) (identification label) SIPLACE 80S-20
Interface for components supply (lefthand side) (identification label)
C0955N01.dwg
1710470-C0955-000-01-N-01-4 Interface for components supply (lefthand side) (identification label)