80S-20电路图.pdf - 第415页
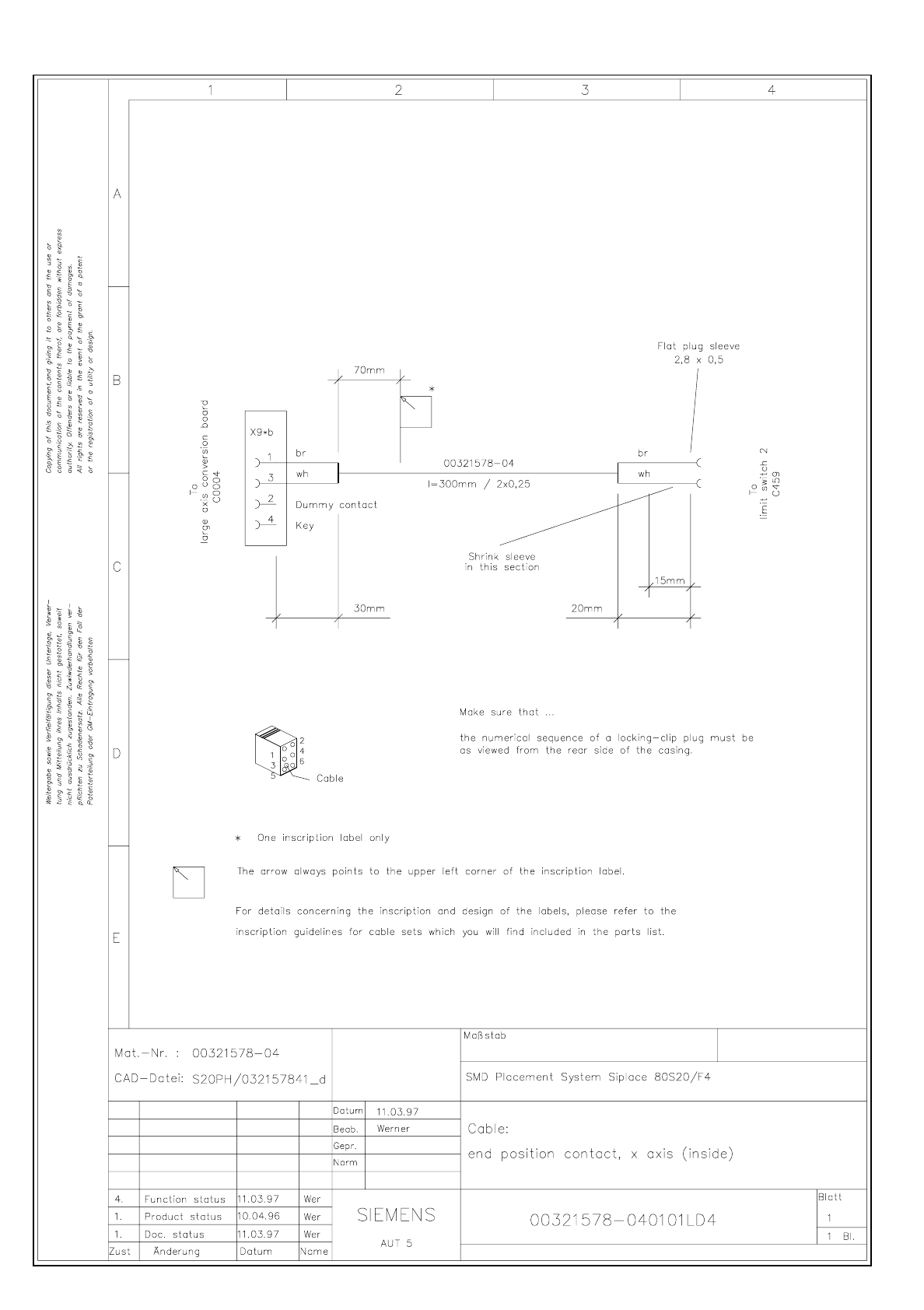
3.16 - 38 Cabl e End p osi tio n con tac t, x ax is (ins ide) SIPLA CE 8 0S-2 0 Cable End positi on conta ct, x axis (insid e) 3215784 1.dw g 003215 78-04 0101LD4 Cab le End po sition contact, x axis (in side)

SIPLACE 80S-20 End position contact X axis 3.16 - 37
End position contact X axis
C0459L02.dwg
1710470-C0459-000-02-L-02-4 End position contact X axis

3.16 - 38 Cable End position contact, x axis (inside) SIPLACE 80S-20
Cable End position contact, x axis (inside)
32157841.dwg
00321578-040101LD4 Cable End position contact, x axis (inside)

SIPLACE 80S-20 Cable Conversion board - conversion board optical system 3.16 - 39
Cable Conversion board - conversion board optical system
C0770L02.dwg
00321550-020202LD4 Cable Conversion board - conversion board optical system