80S-20电路图.pdf - 第271页
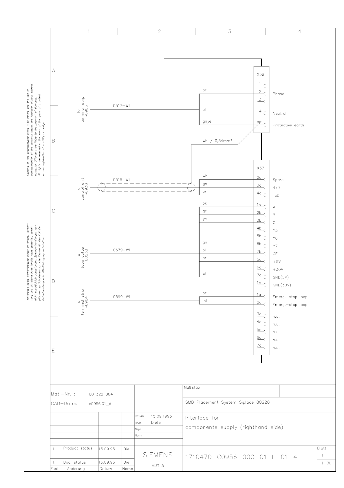
SIPLACE 80 S-20 Interface for comp onents su pply (righthand side) 3.7 - 9 Interface f or com ponen ts supply (righth and side ) C0956L 01.dwg 1710470- C0956- 000-0 1-L-0 1-4 Interface for compo nents s upply (right hand…

3.7 - 8 Cable Terminal strip - interface (lefthand side) (EMERGENCY-STOP components table) SIPLACE 80S-20
Cable Terminal strip - interface (lefthand side) (EMERGENCY-STOP components table)
C0598L01.dwg
1710470-C0598-000-01-L-01-4Cable Terminal strip - interface (lefthand side) (EMERG.-STOP cmpt. table)

SIPLACE 80S-20 Interface for components supply (righthand side) 3.7 - 9
Interface for components supply (righthand side)
C0956L01.dwg
1710470-C0956-000-01-L-01-4 Interface for components supply (righthand side)

3.7 - 10 Interface for components supply (righthand side) (identification label) SIPLACE 80S-20
Interface for components supply (righthand side) (identification label)
C0956N01.dwg
1710470-C0956-000-01-N-01-4 Interface for components supply (righthand side) (identification label)