80S-20电路图.pdf - 第477页
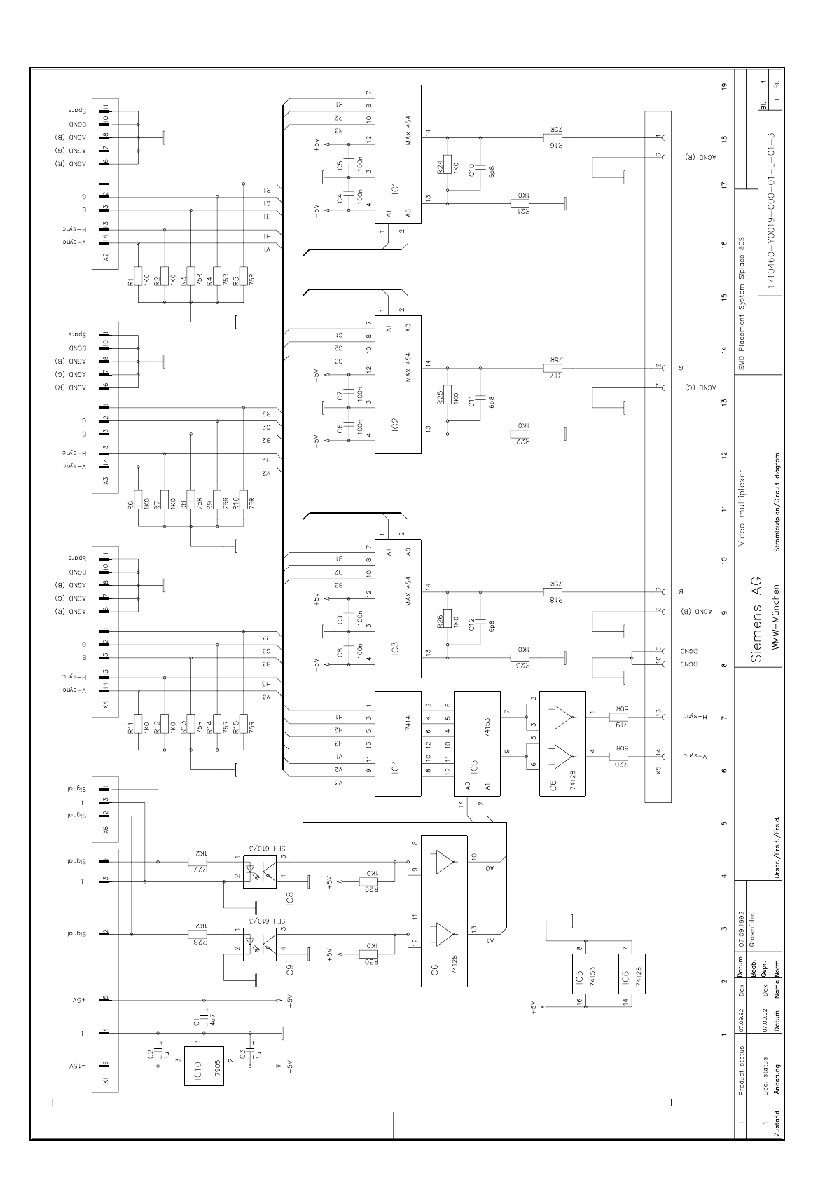
3.23 - 2 Video m ultipl exer SIPL ACE 80S -20 Video multiplexer Y0019L0 1.dwg 171046 0-Y0 019-000- 01-L- 01-3 Video mu ltiplex er

SIPLACE 80S-20 Operator interface 3.23 - 1
3.23 Operator interface
Operator interface
C0925L01.dwg
1710470-C0925-000-01-L-01-4 Operator interface

3.23 - 2 Video multiplexer SIPLACE 80S-20
Video multiplexer
Y0019L01.dwg
1710460-Y0019-000-01-L-01-3 Video multiplexer

SIPLACE 80S-20 Video multiplexer 3.23 - 3
Video multiplexer
Y0019N01.dwg
1710460-Y0019-000-01-N-02-4 Video multiplexer