80S-20电路图.pdf - 第313页
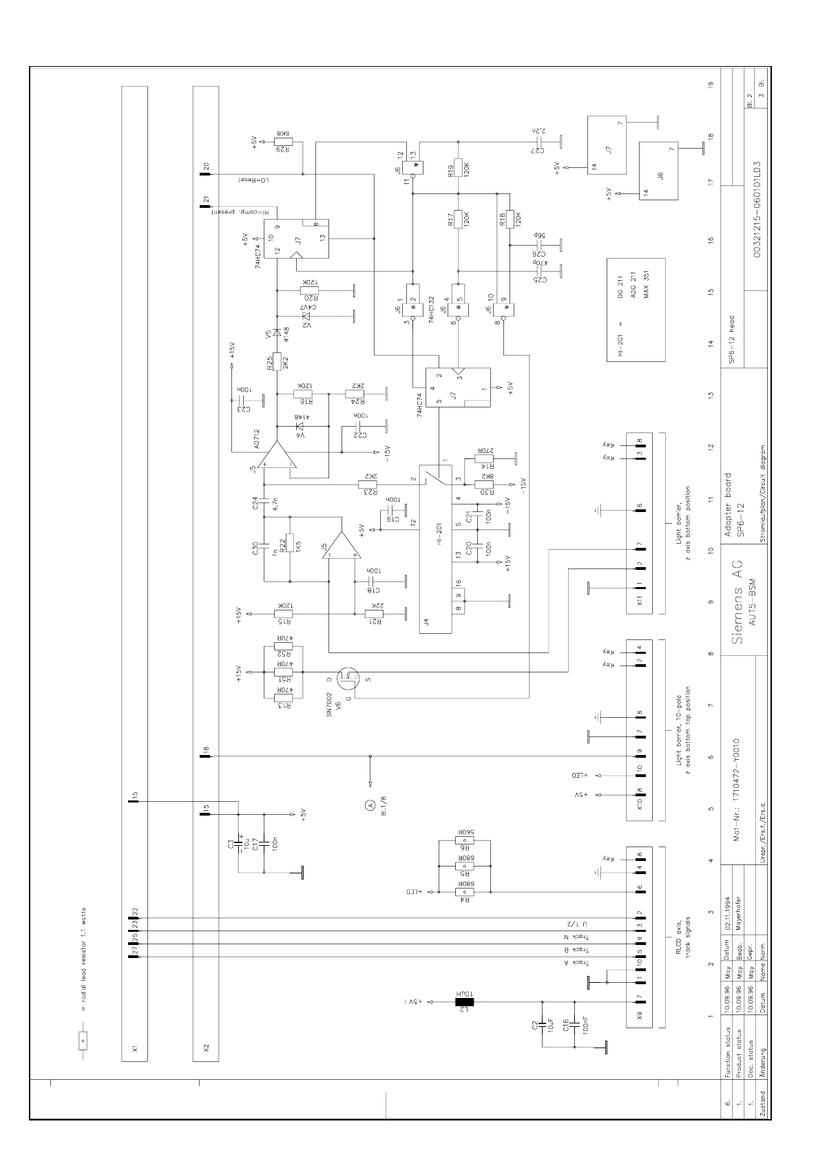
3.11 - 10 Adapter b oard SP6-12 (Sh . 2 of 3) SIPLACE 80S -20 Adapt er boa rd SP6 -12 (Sh . 2 of 3 ) Y0010L6 b.dwg 003212 15-06 0101LD3 A dapter board S P6-12 ( Sh. 2 of 3)

SIPLACE 80S-20 Adapter board SP6-12 (Sh. 1 of 3) 3.11 - 9
Adapter board SP6-12 (Sh. 1 of 3)
Y0010L6a.dwg
00321215-060101LD3 Adapter board SP6-12 (Sh. 1 of 3)

3.11 - 10 Adapter board SP6-12 (Sh. 2 of 3) SIPLACE 80S-20
Adapter board SP6-12 (Sh. 2 of 3)
Y0010L6b.dwg
00321215-060101LD3 Adapter board SP6-12 (Sh. 2 of 3)

SIPLACE 80S-20 Adapter board SP6-12 (Sh. 3 of 3) 3.11 - 11
Adapter board SP6-12 (Sh. 3 of 3)
Y0010L6c.dwg
00321215-060101LD3 Adapter board SP6-12 (Sh. 3 of 3)