80S-20电路图.pdf - 第535页
OPTIONS Cable V24 inte rface for PCB b arcode 9.2 - 5 Cab le V2 4 int erf ace for P CB ba rcod e Y0594L 02.dwg 1710470- Y059 4-000-02 -L-02 -4 Cable V2 4 interf ace for P CB ba rcode

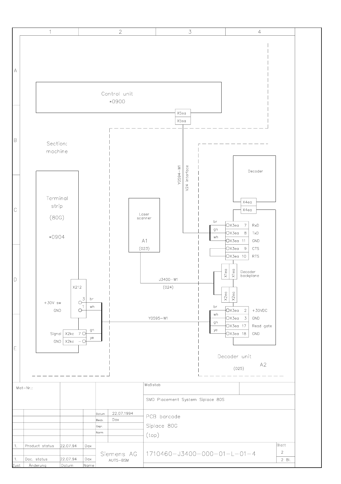
9.2 - 4 PCB barcode Siplace 80G (top) (Sh. 2 of 2) OPTIONS
PCB barcode Siplace 80G (top) (Sh. 2 of 2)
J3400L12.dwg
1710460-J3400-000-01-L-01-4 PCB barcode Siplace 80G (top) (Sh. 2 of 2)

OPTIONS Cable V24 interface for PCB barcode 9.2 - 5
Cable V24 interface for PCB barcode
Y0594L02.dwg
1710470-Y0594-000-02-L-02-4 Cable V24 interface for PCB barcode

9.2 - 6 Cable Power supply for PCB barcode OPTIONS
Cable Power supply for PCB barcode
Y0595L01.dwg
1710470-Y0595-000-01-L-01-4 Cable Power supply for PCB barcode