80S-20电路图.pdf - 第488页
SIPLACE 80S-20 Tape cu tter control bo ard 3.24 - 3 Tape cutte r cont rol b oard Y0013 N03.dw g 1710470- Y001 3-000-03 -N-03- 4 Tape cutter contro l board

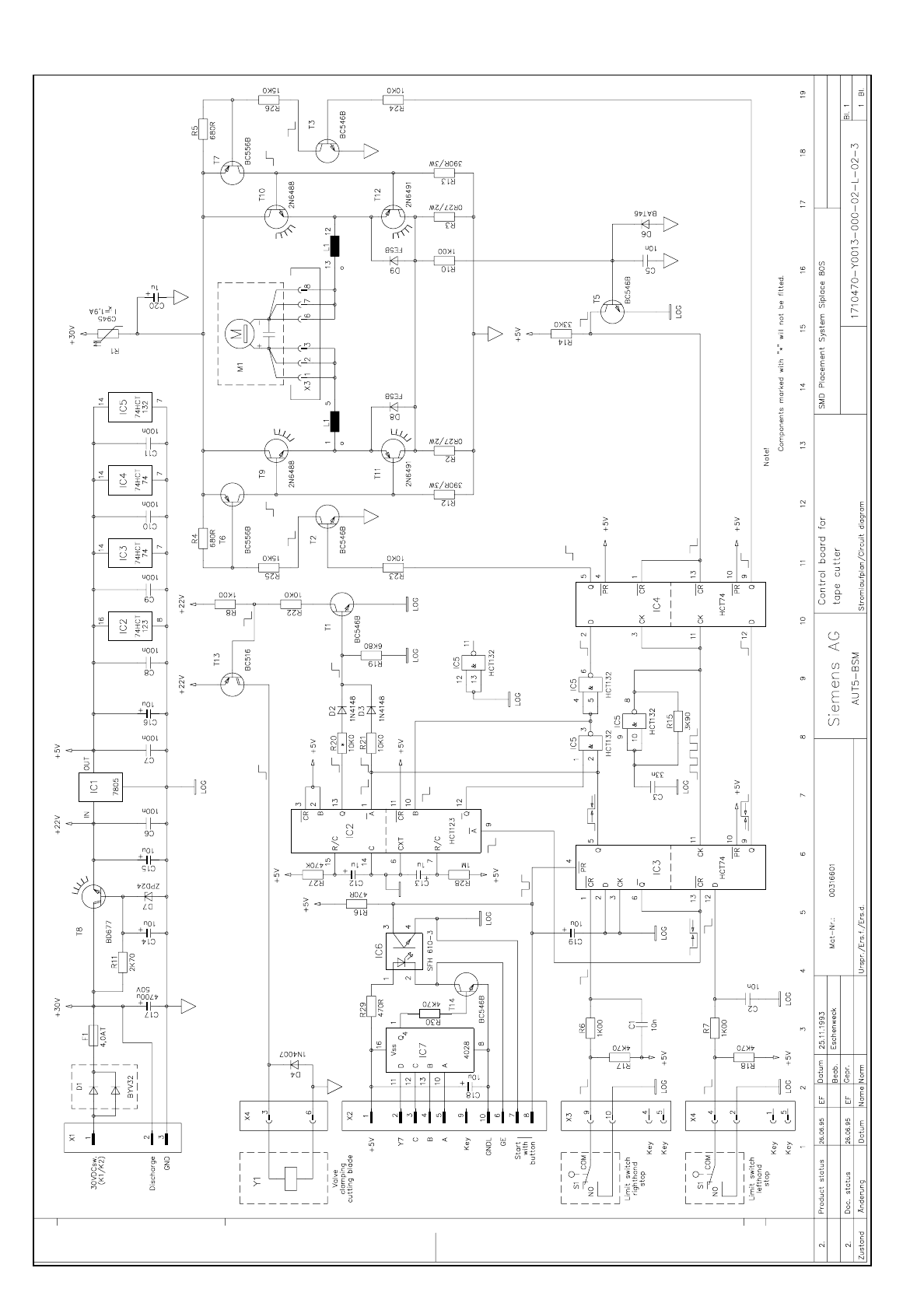
3.24 - 2 Control board for tape cutter SIPLACE 80S-20
Control board for tape cutter
Y0013L02.dwg
1710470-Y0013-000-02-L-02-3 Control board for tape cutter

SIPLACE 80S-20 Tape cutter control board 3.24 - 3
Tape cutter control board
Y0013N03.dwg
1710470-Y0013-000-03-N-03-4 Tape cutter control board

3.24 - 4 Cable Power supply - tape cutter righthand side (Sh. 1 of 2) SIPLACE 80S-20
Cable Power supply - tape cutter righthand side
(Sh. 1 of 2)
Y0636L2a.dwg
1710470-Y0636-001-02-L-02-4 Cable Power supply - tape cutter righthand side (Sh. 1 of 2)