80S-20电路图.pdf - 第461页
3.19 - 10 Optical deco upling un it SIPLACE 80S-20 Optica l decoup ling unit 0020003 4-030 101ND 4.vsd 2 00034N 3.eps 002000 34-03 0101ND 4 Optical d ecoupli ng uni t 1. 3. 1. 11.06.96 11.06.96 11.06.96 Tu. Tu. Tu. 11.06…

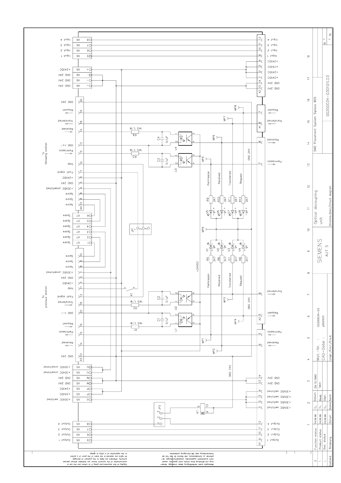
SIPLACE 80S-20 Optical decoupling unit 3.19 - 9
Optical decoupling unit
Y0020L31.dwg
00200034-030101LD3 Optical decoupling unit

3.19 - 10 Optical decoupling unit SIPLACE 80S-20
Optical decoupling unit
00200034-030101ND4.vsd 200034N3.eps
00200034-030101ND4 Optical decoupling unit
1.
3.
1.
11.06.96
11.06.96
11.06.96 Tu.
Tu.
Tu.
11.06.1996
11.06.1996
00200034-030101ND4
Siemens
Aktiengesellschaft
AUT 5 BPB BS1
Datum
Bearb.
Gepr.
Norm
Name
Dateiname:
Zust.
Mitteilung Datum
Name
(Materialnummer)
Format A4
Mat.-Nr.: FS ES US S/F
Blatt
Maßstab
Weitergabe sowie Vervielfältigung dieser Unterlage, Verwertung und Mitteilung
ihres Inhaltes nicht gestattet, soweit nicht ausdrücklich zugestanden.
Zuwiderhandlungen verpflichten zu Schadenersatz. Alle Rechte für den Fall
der Patenterteilung oder GM-Eintragung vorbehalten.
Copying of this document, and giving it to others and the use or communication
of the contents thereof, are forbidden without express authority. Offenders are
liable to the payment of damages. All rights are reserved in the event of the
grant of a patent or the registration of the utility model or design.
(a1_1zu1.vsd)
P P G U U M M 65 7 8 + 65 7 8---
1 2 43 5 6
R3
U1
R2
R4
R6
R5
R9
R10
V2
V1
X2
V6
R8
R7
R11
R12
V4
V3
V7
V8
R1
U2
U3
U4
C1 C3
C2 C4
MP1
MP2
MP3
MP4
MP5
MP6
MP7
MP8
V5
X1
X7
X4
X3
X6X5
JP1 JP2
1 2 3 1 2 3
00200034.31N
B
MP9
A
K1
Zeichn.Nr.alt: 1710460 Y0020 000 02
1/1
Assembly inscription according to recommendation VA-F-510-001
Font size 1 mm, material Scotchcal 3698-E ( color A1 Ral 9006 )
AA = manufacturer/location acc. to SN 37040
BBBB = date (year/month/day) acc. to SN 01007
CCCC = numeral
Product inspection certification acc. to recommendation VA Q 509-001
The following labels have to be stuck on:
A : Identification label
B : Inspection label
Note: Set jumpers JP1 and JP2 to left position (1-2) when delivering !
Siemens AUT 5
00200034-03
AA-BBBB-CCCC
20
10
SMD Placement System Siplace
Optical decoupling unit
Function status
Document status
Product status

SIPLACE 80S-20 I/O terminal board A1 3.19 - 11
I/O terminal board A1
00327250-010101MD4.vsd 327250M1.eps
00327250-010101MD4 I/O terminal board A1
1.
1.
1.
11.06.96
11.06.96
11.06.96 Tu.
Tu.
Tu.
11.06.1996
11.06.1996
00327250-010101MD4
SIEMENS
Aktiengesellschaft
AUT 5 BPB BS1
Datum
Bearb.
Gepr.
Norm
Name
Dateiname:
Zust.
Mitteilung Datum
Name
(Materialnummer)
Format A4
Mat.-Nr.: FS ES US S/F
Blatt
Maßstab
Weitergabe sowie Vervielfältigung dieser Unterlage, Verwertung und Mitteilung
ihres Inhaltes nicht gestattet, soweit nicht ausdrücklich zugestanden.
Zuwiderhandlungen verpflichten zu Schadenersatz. Alle Rechte für den Fall
der Patenterteilung oder GM-Eintragung vorbehalten.
Copying of this document, and giving it to others and the use or communication
of the contents thereof, are forbidden without express authority. Offenders are
liable to the payment of damages. All rights are reserved in the event of the
grant of a patent or the registration of the utility model or design.
(a1_1zu1.vsd)
00327250.11M
M - - - - - - -- M
P +
+
+ + + + ++ P
2
3
4 5 6 7 81
M - - - - - - -- M
P +
+
+ + + + ++ P
2
3
4 5 6 7 81
A
X2kb
B
X1ka
1/1
X1ka
A1
X2ka
Siemens AUT5
00327250-01
AA-BBBB-CCCC
15
10
X1kb
X2kb
X2ka
X1kb
1 2 3 4 5 6 7 8
P + + + + + + + + P
M - - - - - - - - M
1 2 3 4 5 6 7 8
P + + + + + + + + P
M - - - - - - - - M
A1
Function status
Document status
Product status
SMD Placement System Siplace
I/O terminal board A1
The following labels have to be stuck on:
1 : Assembly designation
Attach the terminal designation to the terminals.
2 : Plug designation
A : Identification label
B : Inspection label
Assembly inscription acc. to recommendation VA-F-510-001
font size 1.5 mm, mat. Scotchcal 3698-E ( color A1 Ral 9006 )
AA = manufacturer/location acc. to SN 37040
BBBB = date (year/month/day) acc. to SN 01007
CCCC = numeral
Product inspection certification acc. to recommendation VA Q 509-001
3 : Terminal designation
Assembly inscription acc. to recommendation
VA-F-510-001
Labels: size approx. 5X12mm, font size 3mm