80S-20电路图.pdf - 第538页
9.3 - 2 OPTIONS

OPTIONS Control board linear vibrator 9.3 - 1
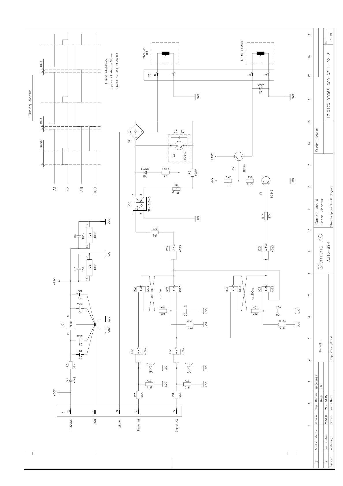
9.3 Linear vibrator
Control board linear vibrator
Y0066L02.dwg
1710470-Y0066-000-02-L-02-3 Control board linear vibrator

9.3 - 2 OPTIONS

OPTIONS BERO ceramic substrate centering 9.4 - 1
9.4 Ceramic substrate centering SIPLACE 80 (00116814-01)
BERO ceramic substrate centering
Y0457L02.dwg
1710470-Y0457-000-02-L-02-4 BERO ceramic substrate centering