80S-20电路图.pdf - 第64页
3.5 - 8 Contro l unit (wrapp ed conne ctions) (Sh. 4 of 4) SIPLACE 80S-20 Contr ol unit ( wrappe d conne ctions) (Sh. 4 of 4) Y1900 F34.d wg 003241 14-03 0101F D4 Control unit (wrapped con nections) (Sh. 4 of 4)

SIPLACE 80S-20 Control unit (wrapped connections) (Sh. 3 of 4) 3.5 - 7
Control unit (wrapped connections) (Sh. 3 of 4)
Y1900F33.dwg
00324114-030101FD4 Control unit (wrapped connections) (Sh. 3 of 4)

3.5 - 8 Control unit (wrapped connections) (Sh. 4 of 4) SIPLACE 80S-20
Control unit (wrapped connections) (Sh. 4 of 4)
Y1900F34.dwg
00324114-030101FD4 Control unit (wrapped connections) (Sh. 4 of 4)

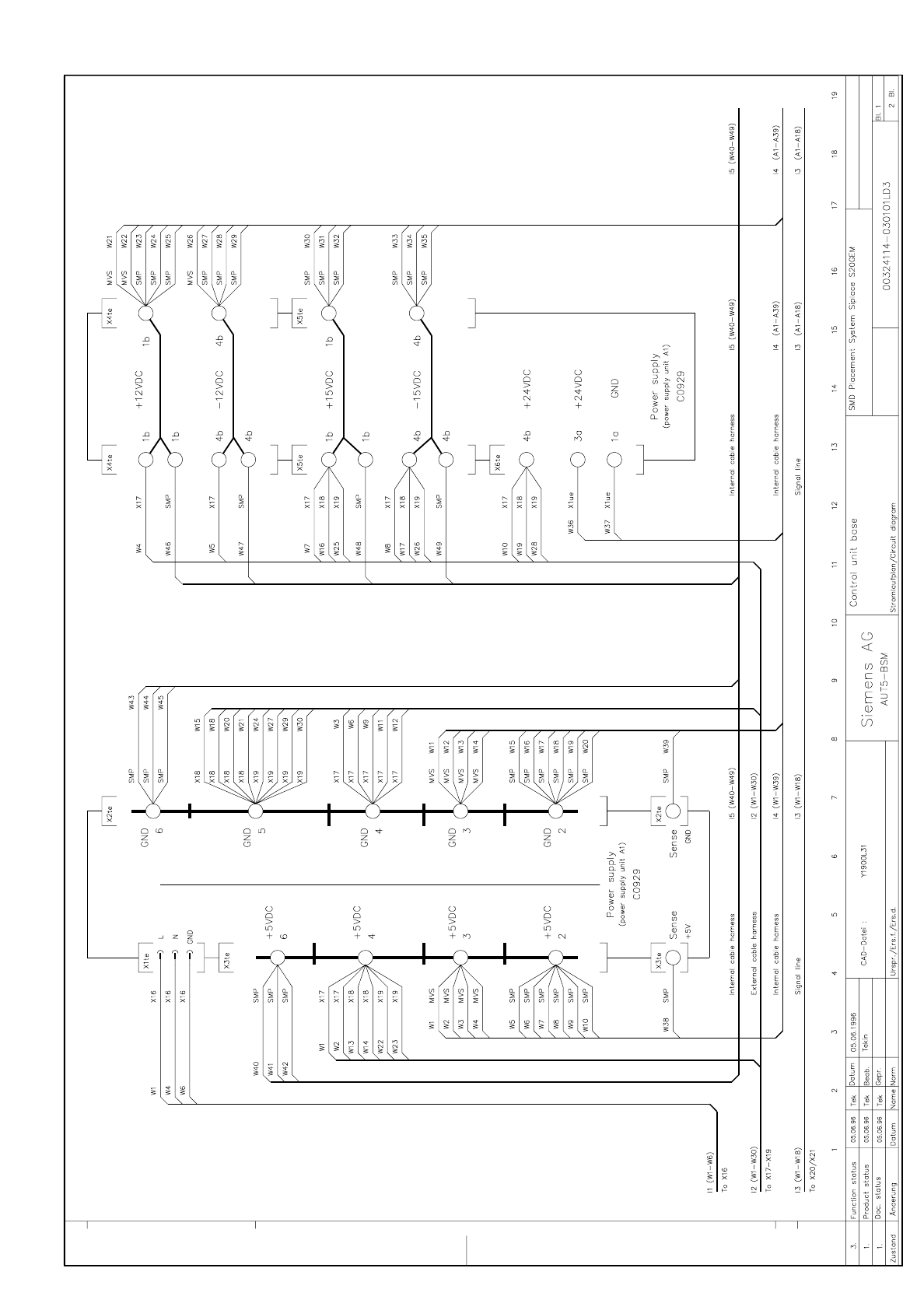
SIPLACE 80S-20 Control unit base (Sh. 1 of 2) 3.5 - 9
Control unit base (Sh. 1 of 2)
Y1900L31.dwg
00324114-030101LD3 Control unit base (Sh. 1 of 2)