GXH—1.pdf - 第102页
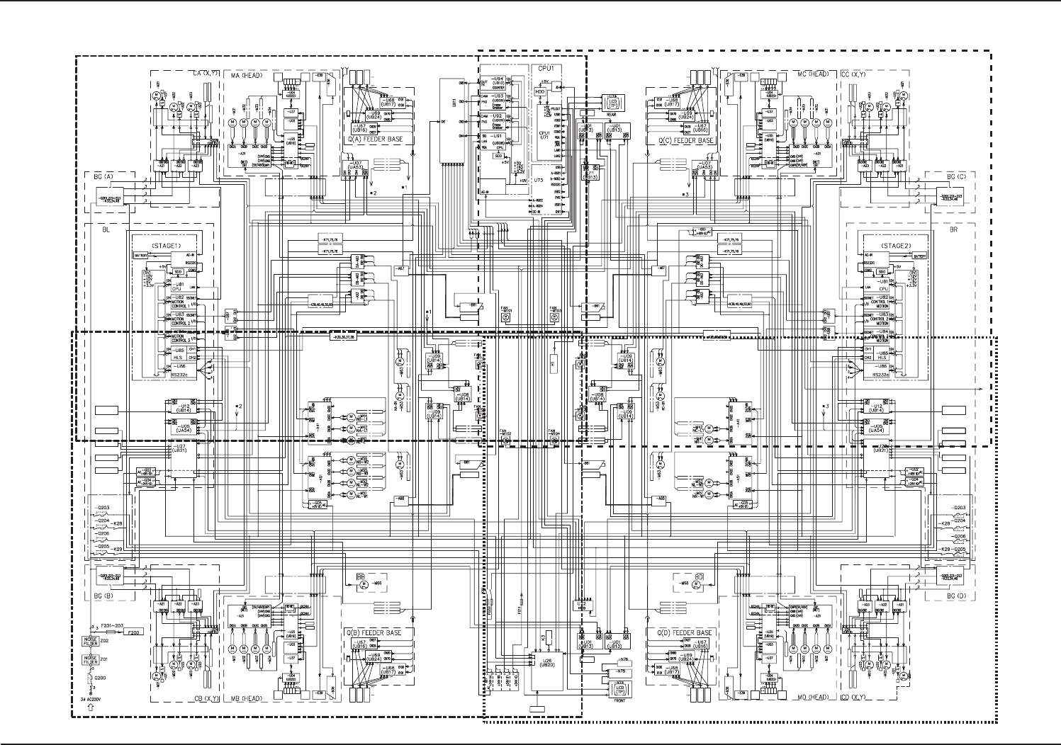
4-9 综合模块连接图 综合模块连接图 综合模块连接图 综合模块连接图 综合模块连接图 041 1-002 -(M803W A---2001) A C D B Beam X Linear Scale X Beam Y1 Linear Scale Y1 Linear Scale Y2 Beam Y2 Robot Cable Y-Axis Limit Sensor X-Axis Limit Sensor Y-Axis Approach De…

4-80404-001

4-9
综合模块连接图综合模块连接图
综合模块连接图综合模块连接图
综合模块连接图
0411-002 -(M803WA---2001)
A C
D
B
Beam X
Linear Scale X
Beam Y1
Linear Scale Y1
Linear Scale Y2
Beam Y2
Robot
Cable
Y-Axis Limit Sensor
X-Axis Limit Sensor
Y-Axis Approach Detection Sensor
Y2 AxisX Axis Y1 Axis
X/Y-Axis Breaker
Main Power Control
CPU2 (Control PC)
Power
Supply
Stage Ready
Switch
Cover Switch
Branch Board
Branch Board
Cover Switch
Head Rotation
Nozzle Selection
Nozzle U/D
Head U/D
Nozzle Selection Position Sensor
Nozzle U/D Limit Sensor
Head U/D Limit Sensor
Sensor
Input
4-Axis Servoamplifier
Input/Output Machine I/F Connector
Light Emitter
Linear
Measure
Sensor
Solenoid Valve
Light Receiver
Linear
Measure
Sensor
P.E.C. Recognition
Lighting
P.E.C. Recognition
Camera
Slip Ring
Linear Measure
Sensor
(Amplifier)
Solenoid Valve
Solenoid Valve
Interlock
Solenoid Valve
Converter
Robot Cable
Feeder
Feeder
Feeder
To -U09
To -U05
Feeder Base Position Detection Sensor
Feeder Base U/D Solenoid Valve
Lifted Suppressor Detection Sensor
Feeder Base A
Power Control Relay
Feeder Base B
Power Control Relay
D(B)-CT Axis
D(B)-CT Axis
NA-B1 Axis
Backup and Cutter
Main Power Control
Brake Control
NL, NA,and NB Relay Panel
Lighting Control Board
NC10 DA Lighting for Component Recognition
NC11 DB Lighting for Component Recognition
NC12 DC Lighting for Component Recognition
NC13 DD Lighting for Component Recognition
CN6 MA Lighting for P.C.B. Recognition
CN7 MB Lighting for P.C.B. Recognition
CN8 MC Lighting for P.C.B. Recognition
CN9 MD Lighting for P.C.B. Recognition
Trigge r
CPU3 (Recognition PC)
(Operation PC)
Selector
Lighting for
Component Recognition
Light Source
Lighting for
Component Recognition
Component Recognition
Camera
AC Power Control
X/Y-Axis Breaker and
Main Power Control
Relay Board 2 (L)
Lighting Surge Protector
Y2 Axis
X Axis
Y1 Axis
Robot
Cable
Term i na t or
Beam X
Linear Scale X
Beam Y1
Beam Y2
Linear Scale Y1
Linear Scale Y2
X-Axis Limit Sensor
Linear Measure
Sensor Light
Receiver
Y-Axis Approach Detection Sensor
Y-Axis Limit Sensor
4-Axis Servoamplifier
Sensor Input
Head rotation [%]
Nozzle Selection
Nozzle U/D
Head U/D
Nozzle U/D Limit Sensor
Head U/D Limit Sensor
Nozzle Selection Position Sensor
Robot Cable
Converter
Interlock and
Solenoid Valve
Solenoid Valve
Solenoid Valve
Linear Measure
Sensor
(Amplifier)
Slip Ring
Solenoid Valve
Linear Measure
Sensor Light
Emitter
P.E.C. Recognition
Lighting
P.E.C. Recognition
Camera
Cutter
DA-CT Limit Sensor
Backup
NA-B1 Limit Sensor
Input Sensor
4-Axis Servoamplifier
NL-L1 P.C.B. Detection Sensor
NB-L1 P.C.B. Detection Sensor
NA-L1 P.C.B. Detection Sensor
Input Sensor
4-Axis Servoamplifier
NL-W1 Limit Sensor
NB-W2 Limit Sensor
NB-W1 Limit Sensor
NL-W2 Limit Sensor
Cutter
DB-CT Limit Sensor
Light Source
Lighting for
Component Recognition
Vacuum Pump
Lifted Suppressor Detection Sensor
Feeder Base U/D Solenoid Valve
Feeder Base Position Detection Sensor
Feeder
Feeder
Feeder
Nozzle Stocker Detection Sensor
Nozzle Stocker Solenoid Valve
P.C.B. Transfer Solenoid Valve
P.C.B. Transfer Detection Sensor
Nozzle Stocker Solenoid Valve
Nozzle Stocker Detection Sensor
Component Recognition
Camera
Lighting for Component
Recognition
Pressure Switch
Safety Relay
Unit
Light Tower
Operation
Switch
Feeder
Feeder
Feeder
Input/Output Machine I/F Connector
Component Recognition
Camera
Lighting for
Component Recognition
Nozzle Stocker Detection Sensor
Nozzle Stocker Solenoid Valve
P.C.B. Transfer Solenoid Valve
P.C.B. Transfer Detection Sensor
Nozzle Stocker Solenoid Valve
Nozzle Stocker Detection Sensor
Component Recognition
Camera
Lighting for
Component Recognition
CD-CT Limit Sensor
Cutter
Backup
NC-B1 Limit Sensor
P.E.C. Recognition
Camera
Solenoid Valve
P.E.C. Recognition
Lighting
Light Receiver
Linear Measure
Sensor
Light Emitter
Linear Measure
Sensor
To -U05
Feeder Base Position Detection Sensor
Feeder Base U/D Solenoid Valve
Lifted Suppressor Detection Sensor
Lighting for
Component
Recognition
Light Source
D(C)-CT Axis
D(D)-CT Axis
NC-B1 Axis
Feeder Base D
Power Control Relay
Feeder Base C
Power Control Relay
Backup and Cutter
Main Power Control
Brake Control
NR and NC Relay Panel
4-Axis Servoamplifier
Sensor Input
Spring
Linear Measure
Sensor
(Amplifier)
Head U/D Limit Sensor
Nozzle U/D Limit Sensor
Head U/D
Nozzle U/D
Nozzle Selection Position Sensor
Nozzle Selection
Head rotation [%]
Solenoid Valve
Solenoid Valve
Interlock and
Solenoid Valve
Converter
Robot Cable
Robot
Cable
Y-Axis Limit Sensor
Y-Axis Approach Detection Sensor
X-Axis Limit Sensor
Linear Scale Y2
Linear Scale Y1
Linear Scale X
Beam Y2
Beam Y1
Beam X
Y2 Axis
Y1 Axis
X Axis
X/Y-Axis Breaker and
Main Power Control
CPU2 (Control PC)
External LAN
(Input/Output Machines and PC)
Stage Ready
Switch
Emergency
Stop Switch
Cover Switch
Cover Switch
Emergency
Stop Switch
Branch Board
Branch Board
DD-CT Limit Sensor
Cutter
Light Source
Lighting for
Component
Recognition
NC-L1 P.C.B. Detection Sensor
NR-L P.C.B. Detection Sensor
NR-W1 Limit Sensor
NR-W2 Limit Sensor
Sensor Input
4-Axis Servoamplifier
Sensor Input
4-Axis Servoamplifier
Vacuum Pump
Lifted Suppressor Detection Sensor
Feeder Base U/D Solenoid Valve
Feeder Base Position Detection Sensor
Operation
Switch
Track Ball
Keyboard
(Front Side)
Feeder
Feeder
Feeder
Robot Cable
Converter
Interlock and
Solenoid Valve
Solenoid Valve
Solenoid Valve
4-Axis Servoamplifier
Sensor Input
Linear Measure
Sensor
(Amplifier)
Slip Ring
Head U/D Limit Sensor
Head U/D
Nozzle U/D
Nozzle U/D Limit Sensor
Nozzle Selection Position Sensor
Nozzle Selection
Head rotation [%]
P.E.C. Recognition
Camera
P.E.C. Recognition
Lighting
Linear Measure
Sensor Light
Emitter
Linear Measure
Sensor Light
Receiver
Solenoid Valve
Term i na t or
X AxisY2 Axis Y1 Axis
Robot
Cable
Y-Axis Limit Sensor
Y-Axis Approach Detection Sensor
Y-Axis Limit Sensor
Linear Cable Y2
Linear Cable Y1
Linear Cable X
Beam Y2
Beam Y1
Beam X
X/Y-Axis Breaker and
Main Power Control
AC Power Control
Branch BoardBranch Board
综合模块连接图综合模块连接图
综合模块连接图综合模块连接图
综合模块连接图

4-100411-002-(M803WA---2001)
综合模块连接图综合模块连接图
综合模块连接图综合模块连接图
综合模块连接图
(A(A
(A(A
(A
部详细图部详细图
部详细图部详细图
部详细图
))
))
)
CPU2 (Control PC)
Beam X
Linear Scale X
Beam Y1
Beam Y2
Linear Scale Y1
Linear Scale Y2
X-Axis Limit Sensor
Y-Axis Limit Sensor
Y-Axis Approach Detection Sensor
Robot
Cable
X Axis Y1 Axis
Y2X Axis
X/Y-Axis Breaker
Main Power Control
Power
Supply
Stage Ready
Switch
Cover Switch
Branch Board
Branch Board
4-Axis
Servoamplifier
Sensor Input
Head Rotation
Nozzle Selection
Nozzle U/D
Nozzle Selection Position Sensor
Head U/D
Nozzle U/D Limit Sensor
Head U/D Limit Sensor
Input/Output Machine I/F Connector
Light Emitter
Linear
Measure
Sensor
Solenoid Valve
Light Receiver
Linear
Measure
Sensor
P.E.C. Recognition
Lighting
P.E.C. Recognition
Camera
Slip Ring
Linear Measure
Sensor
(Amplifier)
Solenoid Valve
Solenoid Valve
Interlock
Solenoid Valve
Converter
Robot Cable
Feeder
Feeder
Feeder
Feeder Base Position Detection Sensor
Feeder Base U/D Solenoid Valve
Lifted Suppressor Detection Sensor
Lighting for
Component Recognition
Light Source
To -U05
To -U09
Feeder Base A
Power Control Relay
Feeder Base B
Power Control Relay
D(A)-CT AxisD(B)-CT Axis
NA-B1 Axis
Backup and Cutter
Main Power Control
Brake Control
Lighting Control Board
NC10 DA Lighting for Component Recognition
NC11 DB Lighting for Component Recognition
NC12 DC Lighting for Component Recognition
NC13 DD Lighting for Component Recognition
CN6 MA Lighting for P.C.B. Recognition
CN7 MB Lighting for P.C.B. Recognition
CN8 MC Lighting for P.C.B. Recognition
CN9 MD Lighting for P.C.B. Recognition
CPU3 (Recognition PC)
Trigger
(Operation PC)
Oper
a
Selector
Component Recognition
Camera
Lighting for
Component Recognition
NL-L1 P.C.B. Detection Sensor
Input Sensor
4-Axis Servoamplifier
NB-L1 P.C.B. Detection Sensor
NA-L1 P.C.B. Detection Sensor
Cutter
DA-CT Limit Sensor
Backup
NA-B1 Limit Sensor
P.C.B. Transfer Solenoid Valve
P.C.B. Transfer Detection Sensor
Nozzle Stocker Solenoid Valve
Nozzle Stocker Detection Sensor
Nozzle Stocker Detection Sensor
Nozzle Stocker Solenoid Valve
Light Tower
Emergency
Stop Switch
NL, NA, and NB Relay Pamel
综合模块连接图综合模块连接图
综合模块连接图综合模块连接图
综合模块连接图
(A(A
(A(A
(A
部详细图部详细图
部详细图部详细图
部详细图
))
))
)