GXH—1.pdf - 第139页
4-46 0505-003 C(M803WD---2031) UB 1 4 I/O UB 1 4 I/O UB 1 4 I/O UB 1 4 I/O UB 1 4 I/O 板 板 板 板 板 ( ( ( ( ( 定位 定位 定位 定位 定位 )C )C )C )C )C UB 1 4 I/O UB 1 4 I/O UB 1 4 I/O UB 1 4 I/O UB 1 4 I/O 板 板 板 板 板 ( ( ( ( ( 定位 定位 定位 …

4-450508-003 B(M803WD---2023)
送料器安装台送料器安装台
送料器安装台送料器安装台
送料器安装台
B B
B B
B
批量连接器连接批量连接器连接
批量连接器连接批量连接器连接
批量连接器连接
送料器安装台送料器安装台
送料器安装台送料器安装台
送料器安装台
B B
B B
B
批量连接器连接批量连接器连接
批量连接器连接批量连接器连接
批量连接器连接
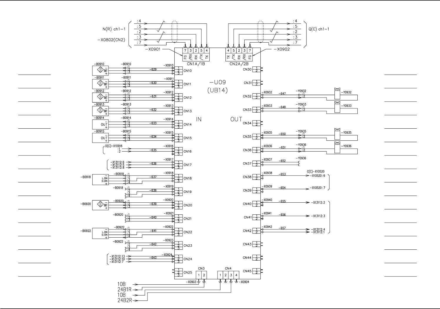
To D (B)-U09 (UB14)
- X0916 (CN16)
From RS232C
CPU2-L
Serial Board
(Dsub9-2)
HLS Serial Communication
From D (B) ch2-1
-U09 (UB14) Positioning
-X0902 (CN2)
DC 24 V Power Supply
for Feeders
Main Body Side
Batch Connector for Feeder Base Connection
B Module
(12 Pins)
C Module
(12 Pins)
D Module
(12 Pins)
A Module
(Air)
Connector Case
Feeder Base Connection
Check Signal
Back
Face
(Option Circuit for Tape Feeder Installation Jig)
Pneumatic Piping

4-460505-003 C(M803WD---2031)
UB14 I/OUB14 I/O
UB14 I/OUB14 I/O
UB14 I/O
板板
板板
板
((
((
(
定位定位
定位定位
定位
)C)C
)C)C
)C
UB14 I/OUB1 4 I/O
UB14 I/OUB1 4 I/O
UB14 I/O
板板
板板
板
((
((
(
定位定位
定位定位
定位
)C)C
)C)C
)C
From Recycle Conveyor C
Relay Connector -X13112
Recycle Conveyor C
Full Detection (Option)
From Recycle Conveyor C
Relay Connector -X13112
-U08 (UB14) Transfer
Feeder Base Y-Direction
Positioning Check 1
Feeder Base Y-Direction
Positioning Check 2
Lift Section Feeder Base
Detection 1
Lift Section Feeder Base
Detection 2
Cylinder Upper
Limit Detection
Cylinder Lower
Limit Detection
Feeder Base/Main
Body Connection Check
Nozzle Stocker Unit
Lower Limit Detection 1
Nozzle Stocker Shutter
Closing Check 1
Nozzle Stocker
Clamping Check 1
From Batch Connector
Relay -X10916 for
Feeder Base Connection
Nozzle Stocker Unit
Lower Limit Detection 2 (Option)
Nozzle Stocker Shutter
Closing Check 2 (Option)
Nozzle Stocker
Clamping Check 2 (Option)
Blue
Black
Brown
Blue
Black
Brown
Blue
Black
Brown
Blue
Black
Brown
Blue
Black
Brown
Blue
Black
Brown
Blue
Black
White
Brown
Blue
Black
Brown
Blue
Black
White
Brown
Positioning
Recycle Conveyor C
Output Position
Detection (Option)
To Recycle Conveyor C
Relay Connector -X13112
Recycle Conveyor C
Run/Break Signal (Option)
Recycle Conveyor C
Start/Stop Signal (Option)
Recycle Conveyor C
Alarm Reset Signal
(Option)
To BC Block Panel -X10902
(To MC-U25
UB19 (X7))
To Robot Cable Relay Connector
Feeder Base
Ascending
Nozzle Stocker
Shutter Open
Nozzle Stocker
Ascending 1
Feeder Base
Descending
Air Vacuum Switchover
Air Blowing
Feeder Base HLS Terminal Switching Circuit
Nozzle Stocker
Ascending 2 (Option)

4-470505-003 -(M803WD---2032)
切割器切割器
切割器切割器
切割器
CC
CC
C
切割器切割器
切割器切割器
切割器
CC
CC
C
注注
注注
注
1 . 1 .
1 . 1 .
1 .
原点原点
原点原点
原点
(+)(+)
(+)(+)
(+)
为马达安装侧,原点为马达安装侧,原点
为马达安装侧,原点为马达安装侧,原点
为马达安装侧,原点
(-)(-)
(-)(-)
(-)
为切割器更换位置侧。为切割器更换位置侧。
为切割器更换位置侧。为切割器更换位置侧。
为切割器更换位置侧。
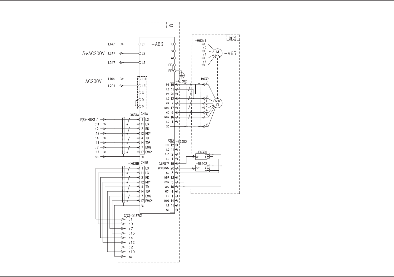
DC-CT Axis
From CPU2-R
SSCNET Separation Board (-U87)
MC-DD, MC-NS, MC-NL, and
MC-HL Axes (Multiaxis Driver)
To Robot Cable Relay
Connector (-X187C1)
Note 1
Origin (+)
Note 1
Origin (-)
Plate