GXH—1.pdf - 第129页
4-36 041 1-002 A(M803WD---2001) 主机冷却扇电路图 主机冷却扇电路图 主机冷却扇电路图 主机冷却扇电路图 主机冷却扇电路图 Underframe Cooling Fan (Front Left Side) Underframe Cooling Fan (Rear Left Side) Overframe Cooling Fan (Front Left Side) Overframe Cooling Fan …

4-350505-003 A(M803WC ---2006)
XX
XX
X
轴轴
轴轴
轴
(D)(D)
(D)(D)
(D)
马达电路图马达电路图
马达电路图马达电路图
马达电路图
XX
XX
X
轴轴
轴轴
轴
(D)(D)
(D)(D)
(D)
马达电路图马达电路图
马达电路图马达电路图
马达电路图
X Beam Axis (D)
X Axis
From BG (D)
From BG (D)
From BC-X231B
To BD-X221A
Robot Cable
X-Axis Limit (+)
X-Axis Limit (-)
0 V/
Sensor
5 V/
Sensor
Converter
Linear Encoder
Robot Cable
Plate

4-360411-002 A(M803WD---2001)
主机冷却扇电路图主机冷却扇电路图
主机冷却扇电路图主机冷却扇电路图
主机冷却扇电路图
Underframe Cooling Fan
(Front Left Side)
Underframe Cooling Fan
(Rear Left Side)
Overframe Cooling Fan
(Front Left Side)
Overframe Cooling Fan
(Rear Left Side)
Underframe Left Side
Cooling Fan (Front Side)
Underframe Left Side
Cooling Fan (Rear Side)
CPU2 (Left) Cooling Fan
Underframe Cooling Fan
(Front Right Side)
Underframe Cooling Fan
(Rear Right Side)
Overframe Cooling Fan
(Front Right Side)
Overframe Cooling Fan
(Rear Right Side)
Underframe Right Side
Cooling Fan (Front Side)
Underframe Right Side
Cooling Fan (Rear Side)
CPU2 (Right) Cooling Fan
主机冷却扇电路图主机冷却扇电路图
主机冷却扇电路图主机冷却扇电路图
主机冷却扇电路图

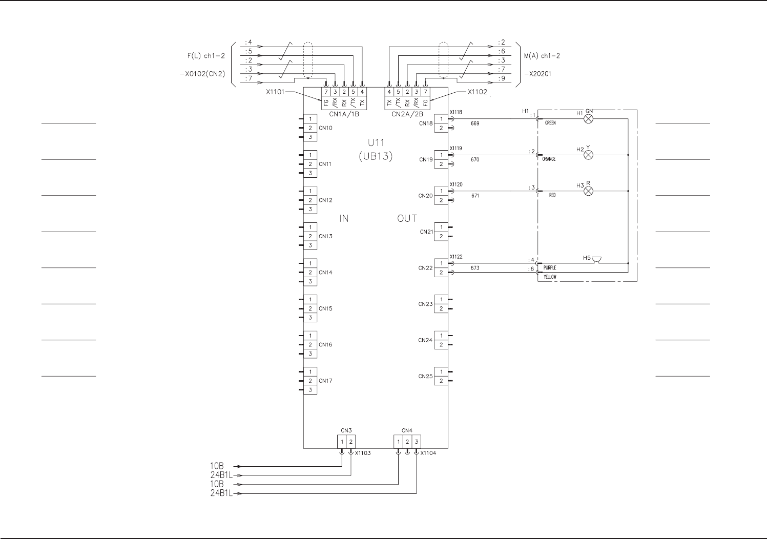
4-370411-002 -(M803WD---2002)
UB13 I/OUB13 I/O
UB13 I/OUB13 I/O
UB13 I/O
板板
板板
板
((
((
(
塔灯塔灯
塔灯塔灯
塔灯
))
))
)
-U01 (UB13) Operation Panel
Light Tower
Relay Connector Panel
Tower Light (Green)
Tower Light (Yellow)
Tower Light (Red)
Tower Light (Buzzer)
UB13 I/OUB13 I/O
UB13 I/OUB13 I/O
UB13 I/O
板板
板板
板
((
((
(
塔灯塔灯
塔灯塔灯
塔灯
))
))
)