GXH—1.pdf - 第110页
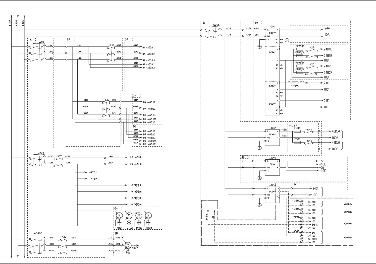
4-17 0505-003 D(M803WBL--2002) 电源部 电源部 电源部 电源部 电源部 (BL (BL (BL (BL (BL 继电器电路 继电器电路 继电器电路 继电器电路 继电器电路 ) ) ) ) ) 电源部 电源部 电源部 电源部 电源部 (BL (BL (BL (BL (BL 继电器电路 继电器电路 继电器电路 继电器电路 继电器电路 ) ) ) ) ) T o D [A]-U07 Input/Output Ma…

4-160505-003 C(M803WBL--2001)
电源部电源部
电源部电源部
电源部
(BL)(BL)
(BL)(BL)
(BL)
电源部电源部
电源部电源部
电源部
(BL)(BL)
(BL)(BL)
(BL)
Touch Panel (Rear)
To NA-B1-Axis SMD
To DA-CT-Axis SMD
To DB-CT-Axis SMD
For Power Supply to Operation PC
For Power Supply to Control PC1
Touch Panel (Front)
Ceiling Cooling Fan
Vacuum Pump 1
For Safety Circuit
For Input
For DC 24 V
Equipment
For Output
For DC 24 V
Load
For Feeders A and B
Via Input/Output Machine I/F
For External Power Supply
Head Multiaxis SMD
For Control
Power Supply
For Head Multiaxis SMD
Main Power Supply
Head Axis (MA)
Head Axis (MB)
For Transfer Multiaxis SMD
Control Power Supply
NL-W1, W2, NB-W1 ,W2
For Transfer Multiaxis SMD
Main Power Supply
NL-L, NA-L1, NB-L1
For Multi-Layer Tray (B)
For Recycle CV (A)
For Recycle CV (B)
For Multi-Layer Tray (A)

4-170505-003 D(M803WBL--2002)
电源部电源部
电源部电源部
电源部
(BL(BL
(BL(BL
(BL
继电器电路继电器电路
继电器电路继电器电路
继电器电路
))
))
)
电源部电源部
电源部电源部
电源部
(BL(BL
(BL(BL
(BL
继电器电路继电器电路
继电器电路继电器电路
继电器电路
))
))
)
To D [A]-U07 Input/Output
Machine I/F Board (L)
-U27 (UB21/Relay Board 2)
MA Module
Main Power
Control
MB Module
Main Power
Control
Safety Monitor for Left Cover
CA Module Main Power Supply
CB Module Main Power Supply
Cutter DA and DB Power Supply
Conveyor Width NL-W1,W2, NB-W1,
and -W2 Main Power Supply
Backup NA-B Main Power Supply
Power Supply to
Safety Circuit for
Multi-Layer Tray (L)
At Installation of
Stage B for Multi-Layer
Tray (L)
At Installation of
Stage A for Multi-Layer
Tray (L)
At Installation of
Stage B for Multi-Layer
Tray (L)
At Installation of
Stage A for Multi-Layer
Tray (L)
to HLS

4-180505-004 C(M803WBL ---2003)
UA54 I/OUA54 I/O
UA54 I/OUA54 I/O
UA54 I/O
板板
板板
板
ILB-IN 1(L) ILB-IN 1(L)
ILB-IN 1(L) ILB-IN 1(L)
ILB-IN 1(L)
UA54 I/OUA54 I/O
UA54 I/OUA54 I/O
UA54 I/O
板板
板板
板
ILB-IN 1(L) ILB-IN 1(L)
ILB-IN 1(L) ILB-IN 1(L)
ILB-IN 1(L)
-U12 (UB14) Main Body
(From K3 34)
(From -K4 34)
(From K3 33)
(From -K4 33)
Emergency Stop
Safety Monitor
Safety Monitor for
Left Cover
Disengaged Suppressor
Detection (A)
Disengaged Suppressor
Detection (B)
Multi-Layer Tray (L)
Multi-Layer Tray (L)
Blue
Black
Brown
Blue
Black
Brown
Feeder Disengaged
Latch Detection (A)
Feeder Disengaged
Latch Detection (B)
Orange
Orange
From A-B3101 OUT
From B-B3101 OUT
CB Error (A-Y2) CB Error (A-Y1) CB Error (A-X) CB Error (Beam A Integral)
CB Error (B-Y2) CB Error (B-Y1) CB Error (B-X) CB Error (Beam B Integral)
From MA-B3103 OUT
Nozzle U/D Interlock (MA)
Nozzle U/D Interlock (MB)
Beam A Main Power OFF
Detection
Beam B Main Power OFF
Detection
Beam A CB Error Monitor
Beam B CB Error Monito
r
Head U/D Interlock (MA)