GXH—1.pdf - 第163页
4-70 0505-003 D(M803WM---201 1) 安装头马达电路图 安装头马达电路图 安装头马达电路图 安装头马达电路图 安装头马达电路图 A A A A A 安装头马达电路图 安装头马达电路图 安装头马达电路图 安装头马达电路图 安装头马达电路图 A A A A A Head Axis (A) Main Circuit Power Supply Control Circuit Power Supply From -U25…

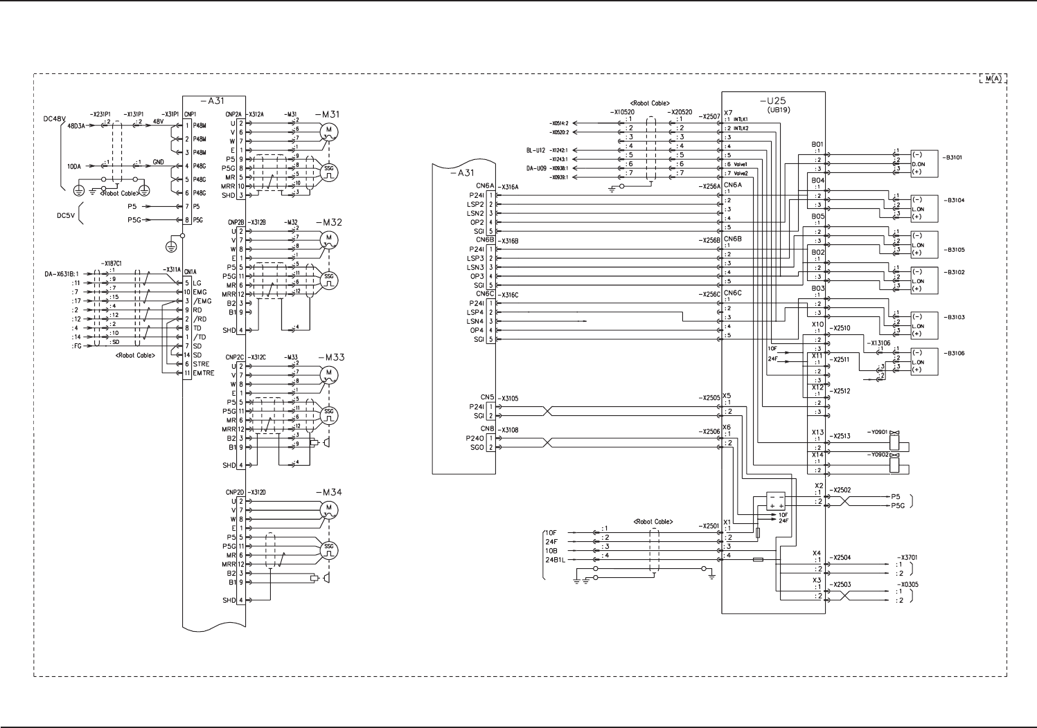
4-690411-002 -(M803WF---2026)
CPU2-R(6)CPU2-R(6)
CPU2-R(6)CPU2-R(6)
CPU2-R(6)
Back Plane
RS232C Connector
Dsub37/Dsub9×4 Conversion Connector Cable
Connector Case
Connector Case
Feeder Base C Serial Communication
Q (C) -X28601
To Dsub9 Connector for Batch Connector Relay
Feeder Base D Serial Communication
Q (D) -X28602
To Dsub9 Connector for Batch Connector Relay
Connector Case
Connector Case
Connector Case
CPU2-R(6)CPU2-R(6)
CPU2-R(6)CPU2-R(6)
CPU2-R(6)

4-700505-003 D(M803WM---2011)
安装头马达电路图安装头马达电路图
安装头马达电路图安装头马达电路图
安装头马达电路图
AA
AA
A
安装头马达电路图安装头马达电路图
安装头马达电路图安装头马达电路图
安装头马达电路图
AA
AA
A
Head Axis (A)
Main Circuit
Power Supply
Control Circuit
Power Supply
From -U25 (UB19)
D (A)
Cutter Driver (-A63)
From -X631B (CN1B)
Head Rotation
Nozzle Selection
Nozzle U/D
Head U/D
To BL-U05
UA54 (ILB)
-X13106: To 2
Nozzle Selection
Position Detection
Nozzle U/D (+) Limit
Nozzle U/D (-) Limit
Nozzle U/D Interlock
Head U/D (+) Limit
Head U/D (-) Limit
-X316C: From 3
Air Vacuum Switchover
Air Blowing
To -U37
Slip Ring (J1)
To -U03
Linear Measure Amplifier (CN5)
To -A31
Multiaxis Controller (CNP1)
RED
WHT
BLK
GRA
GRA
YEL
BRN
BLK
BLK
ORN
WHT
Ref.: BLK : Black
BLU : Blue
BRN : Brown
ORN : Orange
RED : Red
GRA : Gray
GRN : Green
YEL : Yellow
WHT : White
RED
WHT
GRA
BLK
ORN
WHT
BLK
GRA
YEL
BRN
BLK
RED
WHT
GRA
BLK
ORN
WHT
GRA
YEL
BRN
BLU
WHT
BRN
BLK
BLU
BRN
BLK
BLU
BRN
BLK
BLU
BRN
BLK
BLU
BRN
BLK
BLU
BRN
BLK
RED
BLK
RED
RED
WHT
BLK
RED
BLK
YEL/GRA
YEL
BRN
BLU

4-710411-002 A(M803WM---2012)
Linear Measure Sensor
Connector Case
Linear Measure
Light Reception
Slip Ring
F (L) ch1-2
-U11 (UB13) Light Tower
-X1102 (CN2)
To M (A) -U25
UB19 (X4)
To M (A) -U25
UB19 (X3)
Orange
Yellow
Blue
Green
Red
Black
M (A) ch1-2
-U04 (UB22)
Head Movable Section
-X0422 (CN22)
M (A) ch1-2
-U04 (UB22)
Head Movable Section
-X0421 (CN21)
线传感器电路图线传感器电路图
线传感器电路图线传感器电路图
线传感器电路图
AA
AA
A
线传感器电路图线传感器电路图
线传感器电路图线传感器电路图
线传感器电路图
AA
AA
A