GXH—1.pdf - 第104页
4-11 041 1-002 -(M803W A---2001) 综合模块连接图 综合模块连接图 综合模块连接图 综合模块连接图 综合模块连接图 (B (B (B (B (B 部详细图 部详细图 部详细图 部详细图 部详细图 ) ) ) ) ) Stage Ready Switch Cover Switch Emergency Stop Switch Emergency Stop Switch Cover Switch AC Power…

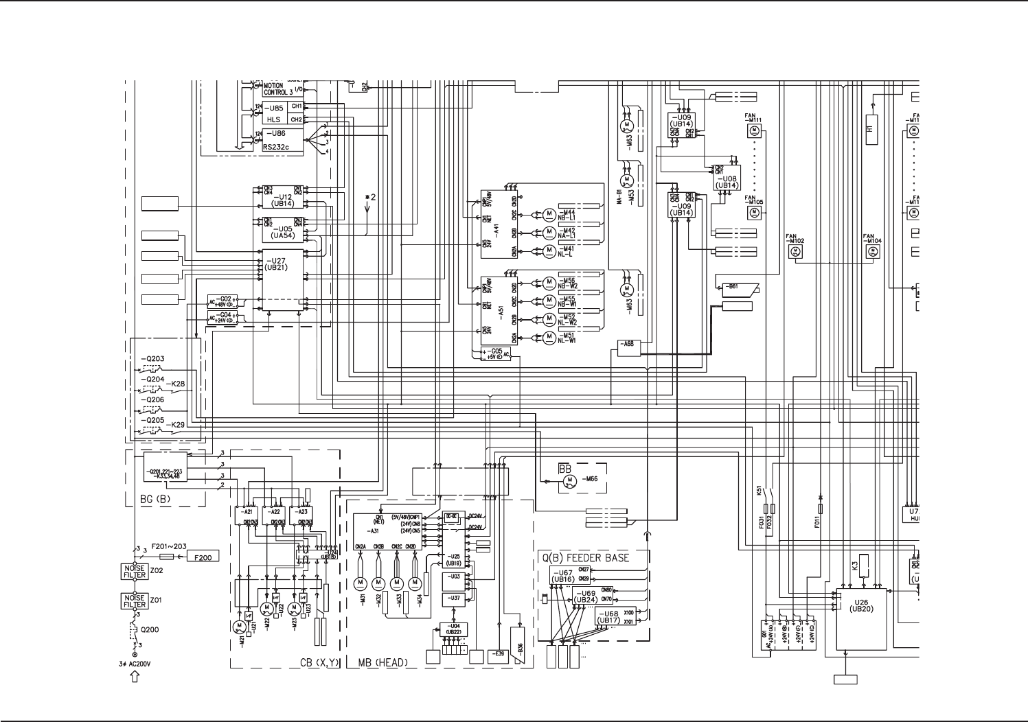
4-100411-002-(M803WA---2001)
综合模块连接图综合模块连接图
综合模块连接图综合模块连接图
综合模块连接图
(A(A
(A(A
(A
部详细图部详细图
部详细图部详细图
部详细图
))
))
)
CPU2 (Control PC)
Beam X
Linear Scale X
Beam Y1
Beam Y2
Linear Scale Y1
Linear Scale Y2
X-Axis Limit Sensor
Y-Axis Limit Sensor
Y-Axis Approach Detection Sensor
Robot
Cable
X Axis Y1 Axis
Y2X Axis
X/Y-Axis Breaker
Main Power Control
Power
Supply
Stage Ready
Switch
Cover Switch
Branch Board
Branch Board
4-Axis
Servoamplifier
Sensor Input
Head Rotation
Nozzle Selection
Nozzle U/D
Nozzle Selection Position Sensor
Head U/D
Nozzle U/D Limit Sensor
Head U/D Limit Sensor
Input/Output Machine I/F Connector
Light Emitter
Linear
Measure
Sensor
Solenoid Valve
Light Receiver
Linear
Measure
Sensor
P.E.C. Recognition
Lighting
P.E.C. Recognition
Camera
Slip Ring
Linear Measure
Sensor
(Amplifier)
Solenoid Valve
Solenoid Valve
Interlock
Solenoid Valve
Converter
Robot Cable
Feeder
Feeder
Feeder
Feeder Base Position Detection Sensor
Feeder Base U/D Solenoid Valve
Lifted Suppressor Detection Sensor
Lighting for
Component Recognition
Light Source
To -U05
To -U09
Feeder Base A
Power Control Relay
Feeder Base B
Power Control Relay
D(A)-CT AxisD(B)-CT Axis
NA-B1 Axis
Backup and Cutter
Main Power Control
Brake Control
Lighting Control Board
NC10 DA Lighting for Component Recognition
NC11 DB Lighting for Component Recognition
NC12 DC Lighting for Component Recognition
NC13 DD Lighting for Component Recognition
CN6 MA Lighting for P.C.B. Recognition
CN7 MB Lighting for P.C.B. Recognition
CN8 MC Lighting for P.C.B. Recognition
CN9 MD Lighting for P.C.B. Recognition
CPU3 (Recognition PC)
Trigger
(Operation PC)
Oper
a
Selector
Component Recognition
Camera
Lighting for
Component Recognition
NL-L1 P.C.B. Detection Sensor
Input Sensor
4-Axis Servoamplifier
NB-L1 P.C.B. Detection Sensor
NA-L1 P.C.B. Detection Sensor
Cutter
DA-CT Limit Sensor
Backup
NA-B1 Limit Sensor
P.C.B. Transfer Solenoid Valve
P.C.B. Transfer Detection Sensor
Nozzle Stocker Solenoid Valve
Nozzle Stocker Detection Sensor
Nozzle Stocker Detection Sensor
Nozzle Stocker Solenoid Valve
Light Tower
Emergency
Stop Switch
NL, NA, and NB Relay Pamel
综合模块连接图综合模块连接图
综合模块连接图综合模块连接图
综合模块连接图
(A(A
(A(A
(A
部详细图部详细图
部详细图部详细图
部详细图
))
))
)

4-110411-002 -(M803WA---2001)
综合模块连接图综合模块连接图
综合模块连接图综合模块连接图
综合模块连接图
(B(B
(B(B
(B
部详细图部详细图
部详细图部详细图
部详细图
))
))
)
Stage Ready
Switch
Cover Switch
Emergency Stop
Switch
Emergency Stop
Switch
Cover Switch
AC Power Control
X/Y-Axis Breaker
and Main Power
Control
Lighting Surge Protector
Relay Board 2 (L)
Terminator
X Axis
Y1 Axis
Y2 Axis
Robot
Cable
Beam X
Beam Y1
Beam Y2
Linear Scale X
Linear Scale Y1
Linear Scale Y2
Solenoid
Val ve
X-Axis Limit Sensor
Y-Axis Limit Sensor
Y-Axis Approach Detection Sensor
4-Axis Servoamplifier
Sensor Input
Head rotation [%]
Nozzle Selection
Head U/D
Nozzle U/D
Nozzle Selection
Position Sensor
Nozzle U/D Limit Sensor
Head U/D Limit Sensor
Converter
Robot Cable
Interlock and
Solenoid Valve
Solenoid
Valve
Solenoid
Valve
Linear Measure
Sensor
(Amplifier)
Slip Ring
Linear
Measure
Sensor Light
Receiver
Linear
Measure
Sensor Light
Emitter
P.E.C. Recognition
Lighting
P.E.C. Recognition
Camera
Cutter
DA-CT Limit Sensor
Backup
NA-B1 Limit Sensor
Input Sensor
4-Axis Servoamplifier
NB-L1 P.C.B. Detection Sensor
NA-L1 P.C.B. Detection Sensor
NL-L1 P.C.B. Detection Sensor
Input Sensor
4-Axis Servoalarm
NB-W2 Limit Sensor
NB-W1 Limit Sensor
NL-W2 Limit Sensor
NL-W1 Limit Sensor
Cutter
DB-CT Limit Sensor
Safety Relay
Unit
Light Source
Lighting for
Component
Recognition
Vacuum Pump
Feeder Base Position Detection Sensor
Lifted Suppressor Detection Sensor
Feeder Base U/D Solenoid Valve
Feeder
Feeder
Feeder
Light Tower
Nozzle Stocker Detection Sensor
Nozzle Stocker Solenoid Valve
P.C.B. Transfer Solenoid Valve
P.C.B. Transfer Detection Sensor
Nozzle Stocker Solenoid Valve
Nozzle Stocker Detection Sensor
Component Recognition
Camera
Lighting for
Component Recognition
Pressure
Switch
Branch
综合模块连接图综合模块连接图
综合模块连接图综合模块连接图
综合模块连接图
(B(B
(B(B
(B
部详细图部详细图
部详细图部详细图
部详细图
))
))
)

4-120411-002 -(M803WA---2001)
综合模块连接图综合模块连接图
综合模块连接图综合模块连接图
综合模块连接图
(C(C
(C(C
(C
部详细图部详细图
部详细图部详细图
部详细图
))
))
)
P.E.C. Recognition
Lighting
CPU3 (Recognition PC)
Trigger
(Operation PC)
Operation
Switch
Selector
Component Recognition
Camera
Lighting for
Component Recognition
Nozzle Stocker Detection Sensor
Nozzle Stocker Solenoid Valve
P.C.B. Transfer Solenoid Valve
P.C.B. Transfer Detection Sensor
Nozzle Stocker Solenoid Valve
Nozzle Stocker Detection Sensor
Light Tower
CD-CT Limit Sensor
Cutter
Backup
NC-B1 Limit Sensor
Input/Output Machine I/F Connector
Feeder
Feeder
Feeder
P.E.C. Recognition
Camera
Light Emitter
Linear
Measure
Sensor
Light Receiver
Linear
Measure
Sensor
Solenoid Valve
Feeder Base Position Detection Sensor
Feeder Base U/D Solenoid Valve
Lifted Suppressor Detection Sensor
To -U05
Lighting for
Component
Recognition
Light Source
D(C)-CT AxisD(D)-CT Axis
NC-B1 Axis
NR and NC Relay Panel
4-Axis Servoamplifier
Sensor Input
NR-L P.C.B. Detection Sensor
NC-L1 P.C.B. Detection Sensor
Feeder Base D
Power Control Relay
Feeder Base C
Power Control Relay
Backup and
Cutter Main Power Control
Brake Control
Slip Ring
Linear Measure
Sensor
(Amplifier)
Head U/D Limit Sensor
Head U/D
Nozzle U/D
Nozzle U/D Limit Sensor
Nozzle Selection Position Sensor
Nozzle Selection
Head rotation [%]
Solenoid
Valve
Solenoid
Valve
Interlock and
Solenoid Valve
Converter
4-Axis Servoamplifier
Sensor Input
Robot Cable
Y-Axis Limit Sensor
Y-Axis Limit Sensor
Y-Axis Approach Detection Sensor
Linear Scale Y2
Beam Y2
Beam Y1
Beam X
Linear Scale Y1
Linear Scale X
Robot
Cable
Y2 Axis Y1 Axis X Axis
X/Y-Axis Breaker and
Main Power Control
CPU2 (Control PC)
Branch BoardBranch Board
External LAN
(Input/Output Machines and PC)
Stage Ready
Switch
Cover Switch
Emergency Stop Switch
综合模块连接图综合模块连接图
综合模块连接图综合模块连接图
综合模块连接图
(C(C
(C(C
(C
部详细图部详细图
部详细图部详细图
部详细图
))
))
)