GXH—1.pdf - 第214页
5-7 041 1-001

5-60508-002 -(M803JSB--2006)
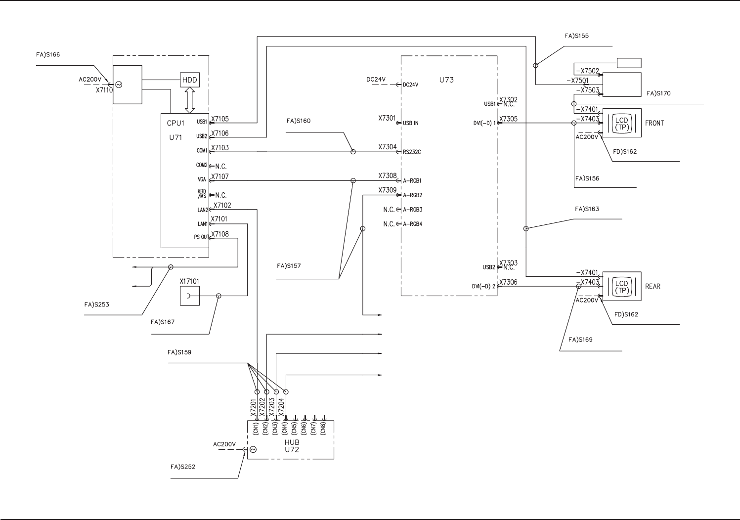
CPU1 CPU1
CPU1 CPU1
CPU1
电缆连接资料电缆连接资料
电缆连接资料电缆连接资料
电缆连接资料
CPU1 CPU1
CPU1 CPU1
CPU1
电缆连接资料电缆连接资料
电缆连接资料电缆连接资料
电缆连接资料
630 125 2186
630 108 1861
630 123 7534
630 124 1890
630 108 1861
630 124 4266
630 108 1861
630 126 4233
630 111 6334
630 127 0500
630 124 3948
630 123 7558
630 124 1722
630 125 2186
To BL-U12 UB14 (-X1217)
To BR-U12 UB14 (-X1217)
Selector
Track Ball
Keyboard
(Front Side)
(provided with
USB Hub)
To FC-U91 (UB05)
Recognition CPU (X9104)
To FC-U91 (UB05)
Recognition CPU (X9103)
To FB (L)-U81
CPU2-L (CN3)
To FB (R)-U81
CPU2-R (CN3)
External LAN

5-7041 1-001

20042004
20042004
2004
年年
年年
年
44
44
4
月月
月月
月
初版发行初版发行
初版发行初版发行
初版发行
200200
200200
200
66
66
6
年年
年年
年
22
22
2
月月
月月
月
第第
第第
第
66
66
6
版发行版发行
版发行版发行
版发行
编辑以及发行处编辑以及发行处
编辑以及发行处编辑以及发行处
编辑以及发行处
不许复制不许复制
不许复制不许复制
不许复制
0602-006