GXH—1.pdf - 第168页
4-75 041 1-002 A(M803WM---2023) V acuum Changeover V alve 1 V acuum Changeover r V alve 2 V acuum Changeover V alve 3 V acuum Changeover V alve 4 V acuum Changeover V alve 5 V acuum Changeover V alve 6 V acuum Changeover…

4-740411-002 A(M803WM---2022)
Connector Case
Linear Measure
Light Reception
Slip Ring
F (L) ch2-2
-U01 (UB13) Operation Panel (Front)
-X0102 (CN2)
To
M (B) -U25
UB19 (X4)
To M (B) -U25
UB19 (X3)
Orange
Yellow
Blue
Green
Red
Black
M (B) ch2-2
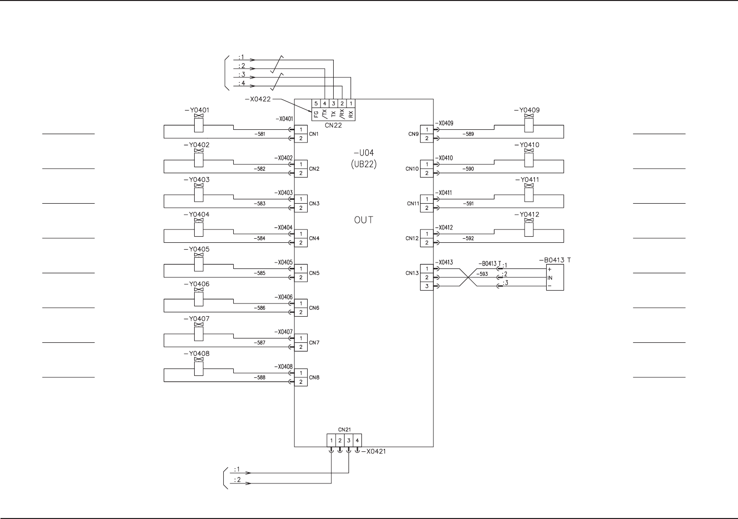
-U04 (UB22)
Head Movable Section
-X0422 (CN22)
M (B) ch2-2
-U04 (UB22)
Head Movable Section
-X0421 (CN21)
Linear Measure Sensor
线传感器电路图线传感器电路图
线传感器电路图线传感器电路图
线传感器电路图
BB
BB
B
线传感器电路图线传感器电路图
线传感器电路图线传感器电路图
线传感器电路图
BB
BB
B

4-750411-002 A(M803WM---2023)
Vacuum
Changeover
Valve 1
Vacuum
Changeover
r
Valve 2
Vacuum
Changeover
Valve 3
Vacuum
Changeover
Valve 4
Vacuum
Changeover
Valve 5
Vacuum
Changeover
Valve 6
Vacuum
Changeover
Valve 7
Vacuum
Changeover
Valve 8
M (B) ch2-2
-U37 Slip Ring
-X10422
Black
Red
Head Movable Section
M (B) ch2-2
-U37 Slip Ring
-X10421
Pink
White
Yellow
Vacuum
Changeover
Valve 9
Vacuum
Changeover
Valve 10
Vacuum
Changeover
Valve 11
Vacuum
Changeover
Valve 12
Linear Measure
Light Emission
UB22 I/OUB22 I/O
UB22 I/OUB22 I/O
UB22 I/O
板板
板板
板
((
((
(
安装头可动部安装头可动部
安装头可动部安装头可动部
安装头可动部
)B)B
)B)B
)B
UB22 I/OUB22 I/O
UB22 I/OUB22 I/O
UB22 I/O
板板
板板
板
((
((
(
安装头可动部安装头可动部
安装头可动部安装头可动部
安装头可动部
)B)B
)B)B
)B

4-760505-003 D(M803WM---2031)
安装头马达电路图安装头马达电路图
安装头马达电路图安装头马达电路图
安装头马达电路图
CC
CC
C
安装头马达电路图安装头马达电路图
安装头马达电路图安装头马达电路图
安装头马达电路图
CC
CC
C
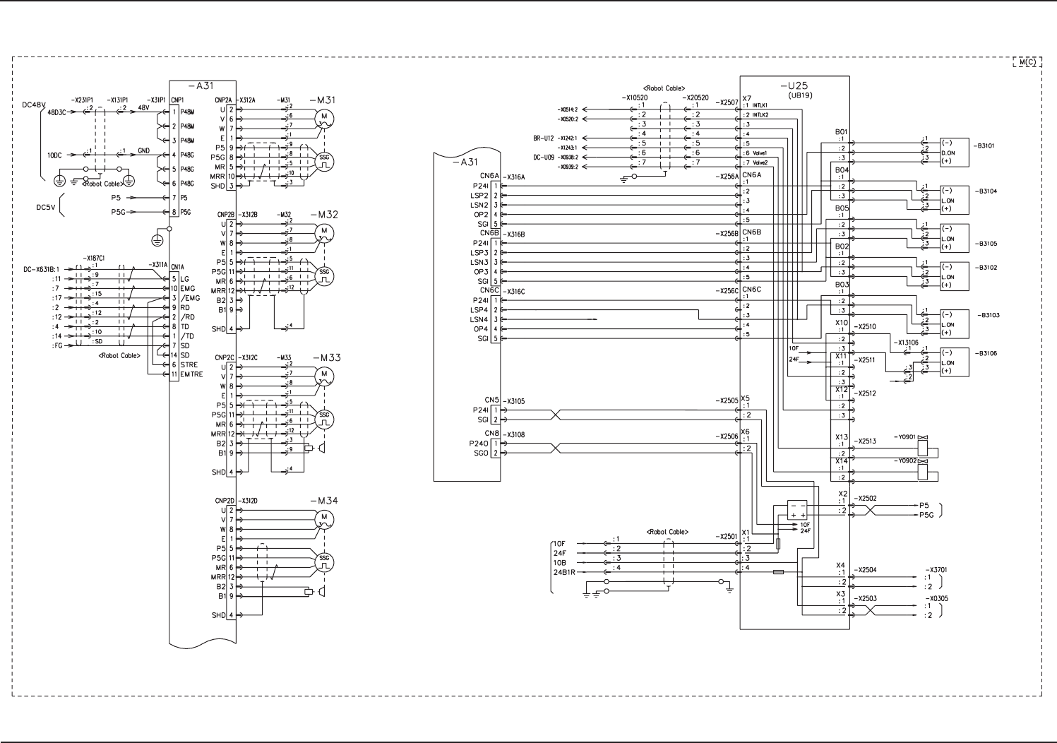
Head Axis (C)
Main Circuit
Power Supply
Control Circuit
Power Supply
From -U25 (UB19)
D (C)
Cutter Driver (-A63)
From -X631B (CN1B)
Head Rotation
Nozzle Selection
Nozzle U/D
Head U/D
To BR-U05
UA54 (ILB)
-X13106: To 2
Nozzle Selection
Position Detection
Nozzle U/D (+) Limit
Nozzle U/D (-) Limit
Nozzle U/D Interlock
Head U/D (+) Limit
Head U/D (-) Limit
Air Vacuum Switchover
Air Blowing
To -U03
Linear Measure Amplifier
(CN5)
To -U37
Slip Ring (J1)
To -A31
Multiaxis Controller (CNP1)
-X316C: From 3
BLU
WHT
BRN
BLK
BLU
BRN
BLK
BLU
BRN
BLK
BLU
BLK
BLU
BRN
BLK
BLU
BRN
BLK
RED
BLK
RED
BRN
RED
WHT
BLK
GRA
GRA
YEL
BRN
BLK
BLK
ORN
WHT
Ref.: BLK : Black
BLU : Blue
BRN : Brown
ORN : Orange
RED : Red
GRA : Gray
GRN : Green
YEL : Yellow
WHT : White
RED
WHT
GRA
BLK
ORN
WHT
BLK
GRA
YEL
BRN
BLK
RED
WHT
GRA
BLK
ORN
WHT
GRA
YEL
BRN
RED
WHT
BLK
RED
BLK
YEL/GRA
YEL
BRN
BLU