GXH—1.pdf - 第179页
4-86 0508-003 D(M803WN---201 1) UB 1 4 I/O UB 1 4 I/O UB 1 4 I/O UB 1 4 I/O UB 1 4 I/O 板搬送 板搬送 板搬送 板搬送 板搬送 R R R R R UB 1 4 I/O UB 1 4 I/O UB 1 4 I/O UB 1 4 I/O UB 1 4 I/O 板搬送 板搬送 板搬送 板搬送 板搬送 R R R R R Recycle Conveyor C…

4-850508-003 -(M803WN---2004)
NLNL
NLNL
NL
、、
、、
、
NANA
NANA
NA
、、
、、
、
NBNB
NBNB
NB
传送带马达电路图传送带马达电路图
传送带马达电路图传送带马达电路图
传送带马达电路图
(3)(3)
(3)(3)
(3)
NA-B1 Axis
CPU2-L
SSCNET
Distribution Board
(-U88)
NL-L, NA-L1, and NB-L1 Axes
X411A
Brake
Plate
NLNL
NLNL
NL
、、
、、
、
NANA
NANA
NA
、、
、、
、
NBNB
NBNB
NB
传送带马达电路图传送带马达电路图
传送带马达电路图传送带马达电路图
传送带马达电路图
(3)(3)
(3)(3)
(3)

4-860508-003 D(M803WN---2011)
UB14 I/OUB14 I/O
UB14 I/OUB14 I/O
UB14 I/O
板搬送板搬送
板搬送板搬送
板搬送
RR
RR
R
UB14 I/OUB14 I/O
UB14 I/OUB14 I/O
UB14 I/O
板搬送板搬送
板搬送板搬送
板搬送
RR
RR
R
Recycle Conveyor C
Connection Check
(Option)
Recycle Conveyor D
Connection Check
(Option)
PCB Stopper 1
Lower Limit [NR]
PCB Stopper 1
Upper Limit [NR]
Backup Plate 1
Check (2) [NC]
Backup Plate 1
Check (1) [NC]
Transfer
-U08
(UB14)
D (C) ch1-1
-U09 (UB14) Positioning
-X0901 (CN1)
PCB Detection Sensor 1
(Deceleration) Remote Terminal
-B4201: To 3
PCB Detection Sensor 1
(Stop) Remote Terminal
-B4202: To 3
Black
Black
Black
Red
Red
Red
PCB Stopper 1
Cylinder Valve
(A: Descending) [NR]
PCB Stopper 1
Cylinder Valve
(B: Ascending) [NR]
PCB Detection Sensor 1
(Deceleration) Remote [NC]
PCB Detection Sensor 1
(Stop) Remote [NC]
Z Clamp Cylinder Valve 1
(A: Descending) [NC]
Z Clamp Cylinder Valve 1
(B: Ascending) [NC]
Z Clamp Pressure
Selector 1 [NC]
To CPU2(L)
-X0522(CN22)
PCB Stopper 2
Lower Limit [NR]
PCB Stopper 2
Upper Limit [NR]

4-870508-003 A(M803WN---2012)
NRNR
NRNR
NR
、、
、、
、
NCNC
NCNC
NC
传送带马达电路图传送带马达电路图
传送带马达电路图传送带马达电路图
传送带马达电路图
( 1 )( 1 )
( 1 )( 1 )
( 1 )
NRNR
NRNR
NR
、、
、、
、
NCNC
NCNC
NC
传送带马达电路图传送带马达电路图
传送带马达电路图传送带马达电路图
传送带马达电路图
( 1 )( 1 )
( 1 )( 1 )
( 1 )
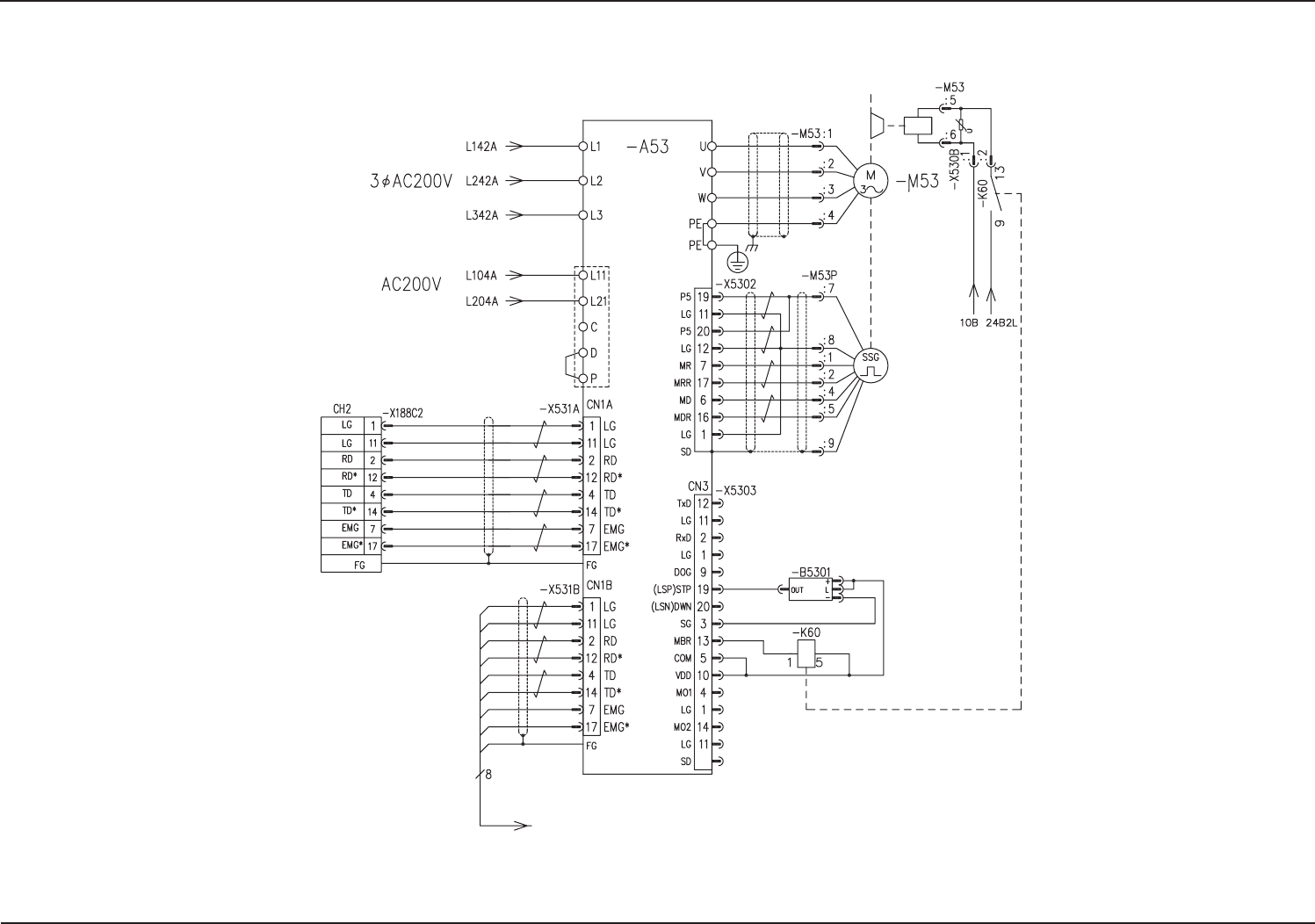
Transfer (NR, NC)
Main Circuit
Power Supply
Control Circuit
Power Supply
NC Backup Axis
NC-A53
Red
White
Black
Green
Orange
White
Yellow
Gray
NC Transferred PCB
Detection Sensor
(Deceleration)
NC Transferred PCB
Detection Sensor
(Stop)
NR Transferred PCB
Detection Sensor
(Deceleration)
NR Transferred PCB
Detection Sensor
(Stop)
Red
White
Black
Green
Orange
White
Yellow
Gray