GXH—1.pdf - 第177页
4-84 0508-003 B(M803WN--2003) NL NL NL NL NL 、 、 、 、 、 NA NA NA NA NA 、 、 、 、 、 NB NB NB NB NB 传送带马达电路图 传送带马达电路图 传送带马达电路图 传送带马达电路图 传送带马达电路图 (2) (2) (2) (2) (2) NL NL NL NL NL 、 、 、 、 、 NA NA NA NA NA 、 、 、 、 、 NB NB NB N…

4-830508-003 A(M803WN---2002)
NLNL
NLNL
NL
、、
、、
、
NANA
NANA
NA
、、
、、
、
NBNB
NBNB
NB
传送带马达电路图传送带马达电路图
传送带马达电路图传送带马达电路图
传送带马达电路图
( 1 )( 1 )
( 1 )( 1 )
( 1 )
NLNL
NLNL
NL
、、
、、
、
NANA
NANA
NA
、、
、、
、
NBNB
NBNB
NB
传送带马达电路图传送带马达电路图
传送带马达电路图传送带马达电路图
传送带马达电路图
( 1 )( 1 )
( 1 )( 1 )
( 1 )
Transfer (NL, NA, NB)
Main Circuit
Power Supply
Control Circuit
Power Supply
NA Backup Axis
Red
White
Black
Green
Orange
White
Yellow
Gray
NA Transferred PCB
Detection Sensor
(Deceleration)
NA Transferred PCB
Detection Sensor
(Stop)
NL Transferred PCB
Detection Sensor
(Deceleration)
NB Transferred PCB
Detection Sensor
(Deceleration)
NB Transferred PCB
Detection Sensor
(Stop)
NL Transferred PCB
Detection Sensor
(Stop)
Red
White
Black
Green
Orange
White
Yellow
Gray
Red
White
Black
Green
Orange
White
Yellow
Gray

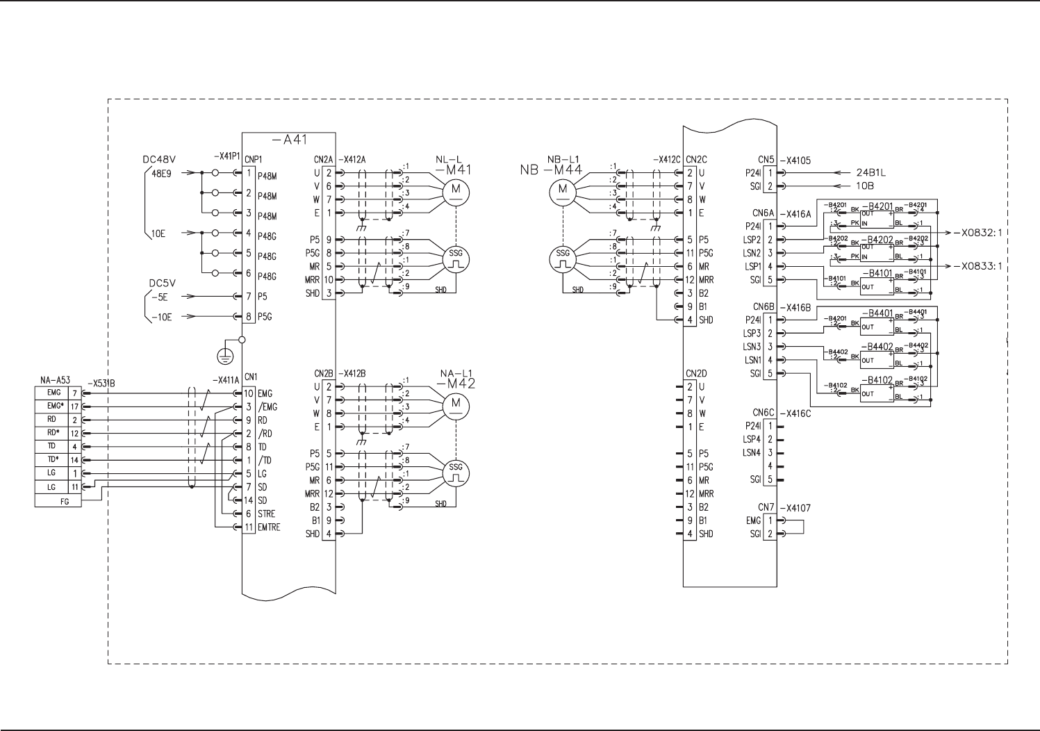
4-840508-003 B(M803WN--2003)
NLNL
NLNL
NL
、、
、、
、
NANA
NANA
NA
、、
、、
、
NBNB
NBNB
NB
传送带马达电路图传送带马达电路图
传送带马达电路图传送带马达电路图
传送带马达电路图
(2)(2)
(2)(2)
(2)
NLNL
NLNL
NL
、、
、、
、
NANA
NANA
NA
、、
、、
、
NBNB
NBNB
NB
传送带马达电路图传送带马达电路图
传送带马达电路图传送带马达电路图
传送带马达电路图
(2)(2)
(2)(2)
(2)
Transfer (NL, NA, NB)
Main Circuit
Power Supply
CPU2-L
SSCNET
Distribution Board
(-U88)
NL Chute Width
Changeable (1)
Red
White
Black
Green
Orange
White
Yellow
Gray
Red
NB Chute Width
Changeable (1)
NL Chute
Width Changeable (2)
Limit (-)
NL Chute
Width Changeable (1)
Limit (+)
NB Chute
Width Changeable (1)
Limit (+)
NB Chute
Width Changeable (2)
Limit (-)
Control Circuit
Power Supply
Red
White
Black
Green
White
Yellow
Gray
Red
White
Black
Green
White
Yellow
Gray
Red
White
Black
Green
White
Yellow
Gray
Orange
Orange
Orange
NL Chute Width
Changeable (2)
NB Chute Width
Changeable (2)

4-850508-003 -(M803WN---2004)
NLNL
NLNL
NL
、、
、、
、
NANA
NANA
NA
、、
、、
、
NBNB
NBNB
NB
传送带马达电路图传送带马达电路图
传送带马达电路图传送带马达电路图
传送带马达电路图
(3)(3)
(3)(3)
(3)
NA-B1 Axis
CPU2-L
SSCNET
Distribution Board
(-U88)
NL-L, NA-L1, and NB-L1 Axes
X411A
Brake
Plate
NLNL
NLNL
NL
、、
、、
、
NANA
NANA
NA
、、
、、
、
NBNB
NBNB
NB
传送带马达电路图传送带马达电路图
传送带马达电路图传送带马达电路图
传送带马达电路图
(3)(3)
(3)(3)
(3)