GXH—1.pdf - 第152页
4-59 0508-003 B(M803WF---2012) CPU2-L(2) CPU2-L(2) CPU2-L(2) CPU2-L(2) CPU2-L(2) CPU2-L(2) CPU2-L(2) CPU2-L(2) CPU2-L(2) CPU2-L(2) Back Plane Motion Control ID: 0 SSC Connector T o C (A) -A21 X-Axis Driver (CN1A) I/O Con…

4-580411-002 -(M803WF---2011)
CPU2-L(1)CPU2-L(1)
CPU2-L(1)CPU2-L(1)
CPU2-L(1)
PC Power Supply
Case Power
Indicator Lamp
Back Plane
Chassis Fan 1
Chassis Fan 2
To F-U72
HUB (CN3)
Connector Panel
Anode
Cathode
Anode
Cathode
Anode
Cathode
Case Fan
Battery Unit
CPU2-L(1)CPU2-L(1)
CPU2-L(1)CPU2-L(1)
CPU2-L(1)

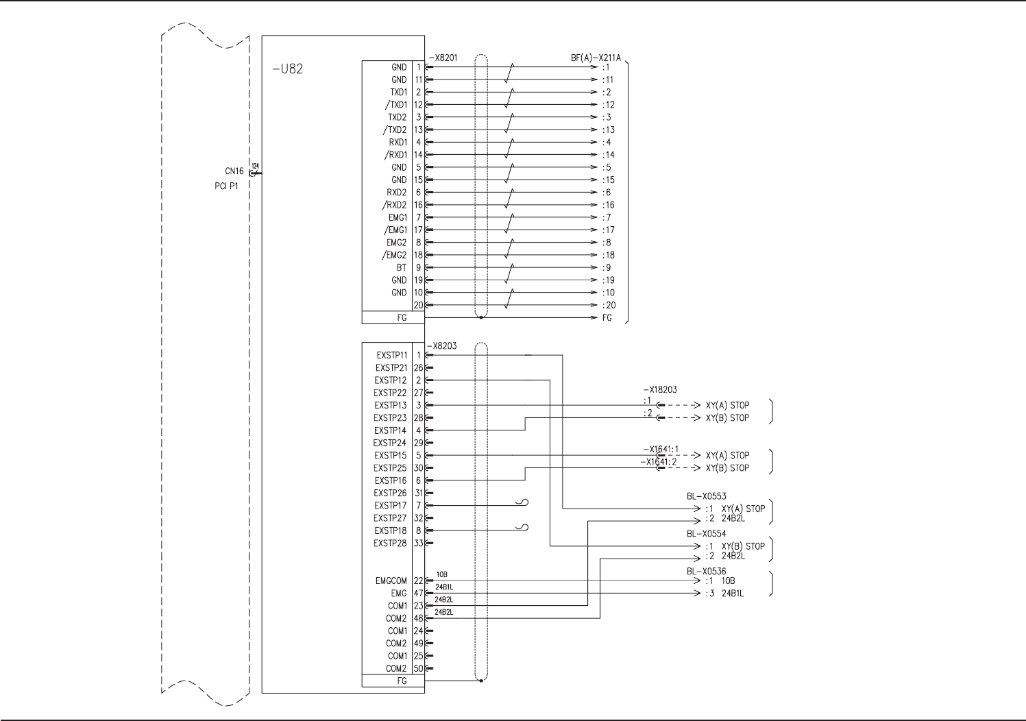
4-590508-003 B(M803WF---2012)
CPU2-L(2)CPU2-L(2)
CPU2-L(2)CPU2-L(2)
CPU2-L(2)
CPU2-L(2)CPU2-L(2)
CPU2-L(2)CPU2-L(2)
CPU2-L(2)
Back Plane
Motion Control ID: 0
SSC Connector
To C (A) -A21
X-Axis Driver (CN1A)
I/O Connector
To BL-U05
UA54 (CN53)
To BL-U05
UA54 (CN52)
To BL-U05
UA54 (CN36)
Multi-Layer Tray
Maltifunctional Head

4-600508-003 A(M803WF---2013)
CPU2-L(3)CPU2-L(3)
CPU2-L(3)CPU2-L(3)
CPU2-L(3)
CPU2-L(3)CPU2-L(3)
CPU2-L(3)CPU2-L(3)
CPU2-L(3)
Back Plane
Motion Control ID: 1
SSC Connector
I/O Connector
SSCNET Distribution 1
To DA-CT Axis
DA-A63 (CN1A)
To DB-CT Axis
DB-A63 (CN1A)
To BL-U05
UA54 (CN51)
To BL-U05
UA54 (CN50)
To BL-U05
UA54 (CN35)
To -U16
UA54 (CN44-42)
To -U16
UA54 (CN39-37)