GXH—1.pdf - 第160页
4-67 041 1-002 A(M803WF---2024) CPU2-R(4) CPU2-R(4) CPU2-R(4) CPU2-R(4) CPU2-R(4) Back Plane Motion Control ID: 2 SSC Connector I/O Connector SSCNET Distribution 1 T o NR-A51 Multiaxis Driver (CN1) T o NC-A53 NC-B1 (CN1)…

4-660508-003 A(M803WF---2023)
CPU2-R(3)CPU2-R(3)
CPU2-R(3)CPU2-R(3)
CPU2-R(3)
CPU2-R(3)CPU2-R(3)
CPU2-R(3)CPU2-R(3)
CPU2-R(3)
Back Plane
Motion Control ID: 1
SSC Connector
I/O Connector
SSCNET Distribution 1
To DC-CT Axis
DC-A63 (CN1A)
To DD-CT Axis
DD-A63 (CN1A)
To BR-U05
UA54 (CN51)
To BR-U05
UA54 (CN50)
To BR-U05
UA54 (CN35)
To -U16
UA54 (CN44-42)
To -U16
UA54 (CN39-37)

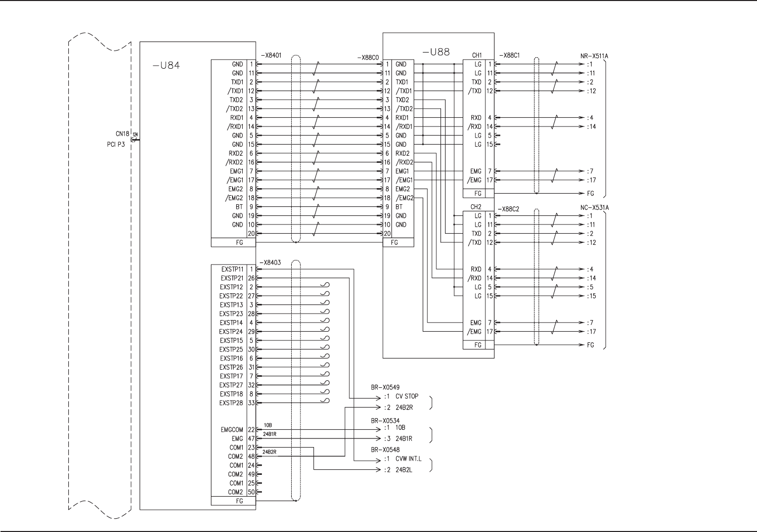
4-670411-002 A(M803WF---2024)
CPU2-R(4)CPU2-R(4)
CPU2-R(4)CPU2-R(4)
CPU2-R(4)
Back Plane
Motion Control ID: 2
SSC Connector
I/O Connector
SSCNET Distribution 1
To NR-A51
Multiaxis Driver (CN1)
To NC-A53
NC-B1 (CN1)
To BR-U05
UA54 (CN49)
To BR-U05
UA54 (CN34)
To BR-U05
UA54 (CN48)
CPU2-R(4)CPU2-R(4)
CPU2-R(4)CPU2-R(4)
CPU2-R(4)

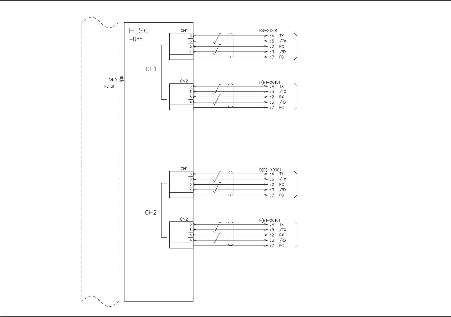
4-680411-002 -(M803WF---2025)
CPU2-R(5)CPU2-R(5)
CPU2-R(5)CPU2-R(5)
CPU2-R(5)
Back Plane
BR ch1-1
-U12 (UB14) Main Body
-X1201 (CN1)
F (R) ch1-2
-U01 (UB13) Operation Panel (Rear)
-X0101 (CN1)
D (D) ch2-1
-U09 (UB14) Positioning
-X0901 (CN1)
F (R) ch2-2
-U01(UB13) Operation Panel (Front)
-X0101 (CN1)
Satellite
Transmission +
Center +
Center -
Satellite
Transmission -
Connector Case
Satellite
Transmission +
Center +
Center -
Satellite
Transmission -
Connector Case
Satellite
Transmission +
Center +
Center -
Satellite
Transmission -
Connector Case
Satellite
Transmission +
Center +
Center -
Satellite
Transmission -
Connector Case
CPU2-R(5)CPU2-R(5)
CPU2-R(5)CPU2-R(5)
CPU2-R(5)