GXH—1.pdf - 第131页
4-38 0508-004 C(M803WD---2003) UA53 UA53 UA53 UA53 UA53 前后 前后 前后 前后 前后 I/F I/F I/F I/F I/F 板 板 板 板 板 (L) (L) (L) (L) (L) UA53 UA53 UA53 UA53 UA53 前后 前后 前后 前后 前后 I/F I/F I/F I/F I/F 板 板 板 板 板 (L) (L) (L) (L) (L) From ILB(…

4-370411-002 -(M803WD---2002)
UB13 I/OUB13 I/O
UB13 I/OUB13 I/O
UB13 I/O
板板
板板
板
((
((
(
塔灯塔灯
塔灯塔灯
塔灯
))
))
)
-U01 (UB13) Operation Panel
Light Tower
Relay Connector Panel
Tower Light (Green)
Tower Light (Yellow)
Tower Light (Red)
Tower Light (Buzzer)
UB13 I/OUB13 I/O
UB13 I/OUB13 I/O
UB13 I/O
板板
板板
板
((
((
(
塔灯塔灯
塔灯塔灯
塔灯
))
))
)

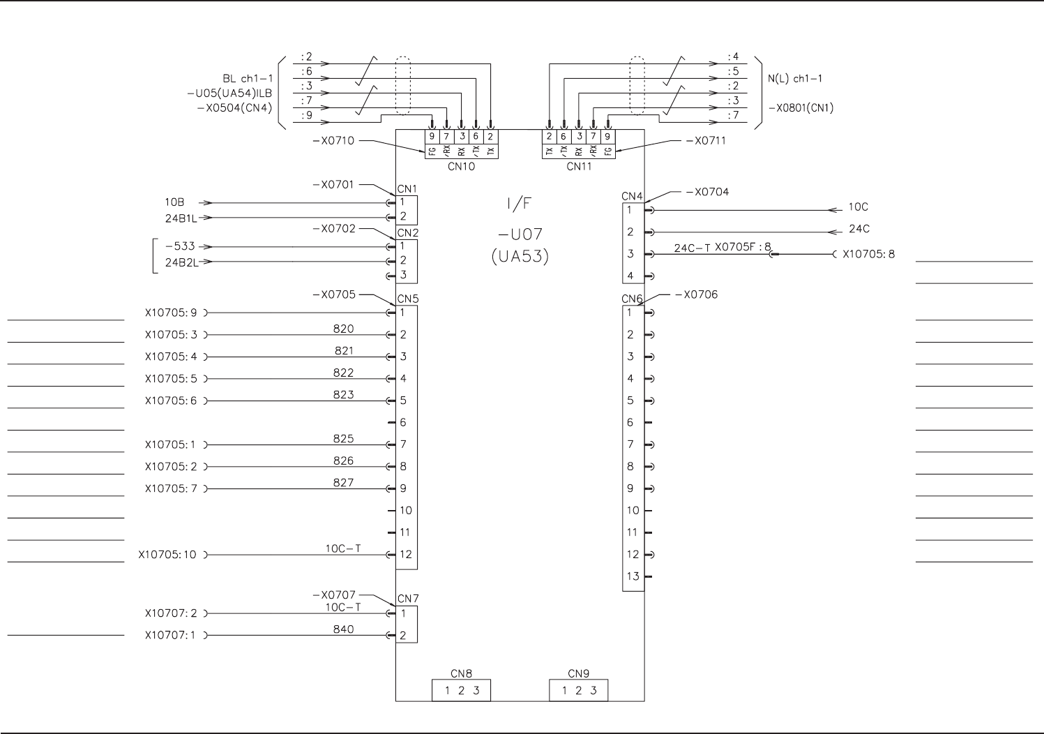
4-380508-004 C(M803WD---2003)
UA53 UA53
UA53 UA53
UA53
前后前后
前后前后
前后
I/FI/F
I/FI/F
I/F
板板
板板
板
(L)(L)
(L)(L)
(L)
UA53 UA53
UA53 UA53
UA53
前后前后
前后前后
前后
I/FI/F
I/FI/F
I/F
板板
板板
板
(L)(L)
(L)(L)
(L)
From ILB(L)-X0537
(BL-U05-CN37)
Input Machine Power Supply
(Input - Main)
Run: MAI (Input - Main)
PCB Transfer: TRI (Input - Main)
Ready: GBO (Input - Main)
Reserved Input 1
Run: MAO (Main - Input)
PCB Request: TRO (Main - Input)
Reserved Output 1
Main Machine GND (Main - Input)
Furnace Signal
-U08 (UB14) Transfer
Main Machine 24 V Power Supply
(Main - Input)
Main Machine 24 V Power Supply
(Main - Output)
Output Machine Power Supply
(Output - Main)
Run: MAI (Output - Main)
PCB Request: TRI (Output - Main)
Reserved Input 1
Reserved Input 2
Run: MAO (Main - Output)
PCB Transfer: TRO (Main - Output)
Reserved Output 1
Main Machine GND (Main - Output)

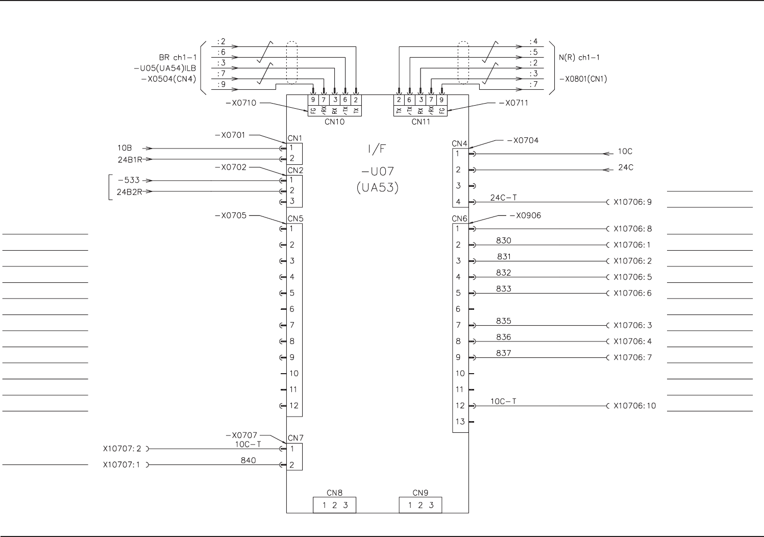
4-390508-004 C(M803WD---2004)
UA53 UA53
UA53 UA53
UA53
前后前后
前后前后
前后
I/FI/F
I/FI/F
I/F
板板
板板
板
(R)(R)
(R)(R)
(R)
UA53 UA53
UA53 UA53
UA53
前后前后
前后前后
前后
I/FI/F
I/FI/F
I/F
板板
板板
板
(R)(R)
(R)(R)
(R)
From ILB(R)-X0537
(BR-U05-CN37)
Input Machine Power Supply
(Input - Main)
Run: MAI (Input - Main)
PCB Transfer: TRI (Input - Main)
Run: MAO (Main - Input)
Ready: GBO (Input - Main)
Reserved Input 1
PCB Request: TRO (Main - Input)
Reserved Output 1
Main Machine GND (Main - Input)
Furnace Signal
-U08 (UB14) Transfer
Main Machine 24 V Power Supply
(Main - Input)
Main Machine 24 V Power Supply
(Main - Output)
Output Machine Power Supply
(Output - Main)
Run: MAI (Output - Main)
PCB Request: TRI (Output - Main)
Reserved Input 1
Reserved Input 2
Run: MAO (Main - Output)
PCB Transfer: TRO (Main - Output)
Reserved Output 1
Main Machine GND (Main - Output)