GXH—1.pdf - 第136页
4-43 0505-003 C(M803WD---2021) UB 1 4 I/O UB 1 4 I/O UB 1 4 I/O UB 1 4 I/O UB 1 4 I/O 板 板 板 板 板 ( ( ( ( ( 定位 定位 定位 定位 定位 )B )B )B )B )B UB 1 4 I/O UB 1 4 I/O UB 1 4 I/O UB 1 4 I/O UB 1 4 I/O 板 板 板 板 板 ( ( ( ( ( 定位 定位 定位 …

4-420508-003 B(M803WD---2013)
送料器安装台送料器安装台
送料器安装台送料器安装台
送料器安装台
A A
A A
A
批量连接器连接批量连接器连接
批量连接器连接批量连接器连接
批量连接器连接
送料器安装台送料器安装台
送料器安装台送料器安装台
送料器安装台
A A
A A
A
批量连接器连接批量连接器连接
批量连接器连接批量连接器连接
批量连接器连接
Feeder Base Connection
Check Signal
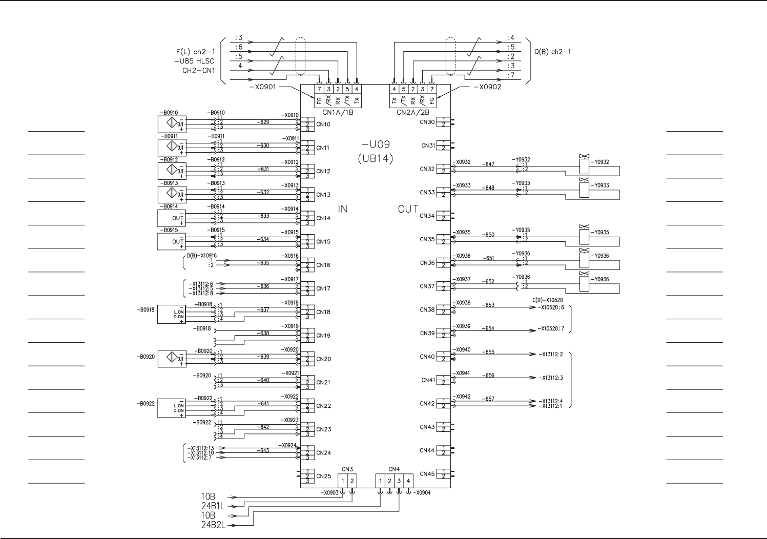
To D (A)-U09 (UB14)
- X0916 (CN16)
From RS232C
CPU2-L
Serial Board
(Dsub9-1)
HLS Communication
From D (A) ch1-1
-U09 (UB14) Positioning
-X0902 (CN2)
Main Body Side
Batch Connector for Feeder Base Connection
B Module
(12 Pins)
C Module
(12 Pins)
D Module
(12 Pins)
DC 24 V
Power Supply for Feeders
A Module
(Air)
Back
Face
(Option Circuit for Tape Feeder Installation Jig)
Pneumatic Piping
Connector Case

4-430505-003 C(M803WD---2021)
UB14 I/OUB14 I/O
UB14 I/OUB14 I/O
UB14 I/O
板板
板板
板
((
((
(
定位定位
定位定位
定位
)B)B
)B)B
)B
UB14 I/OUB1 4 I/O
UB14 I/OUB1 4 I/O
UB14 I/O
板板
板板
板
((
((
(
定位定位
定位定位
定位
)B)B
)B)B
)B
Feeder Base Y-Direction
Positioning Check 1
Feeder Base Y-Direction
Positioning Check 2
Lift Section Feeder Base
Detection 1
Lift Section Feeder Base
Detection 2
Cylinder Upper
Limit Detection
Cylinder Lower
Limit Detection
Feeder Base/Main
Body Connection Check
From Batch Connector
Relay -X10916
for Feeder Base Connection
Blue
Black
Brown
Blue
Black
White
Brown
Connector Case
Blue
Black
Brown
Blue
Black
Brown
Blue
Black
Brown
Blue
Black
Brown
Blue
Black
Brown
Blue
Black
Brown
Nozzle Stocker Unit
Lower Limit Detection 1
Nozzle Stocker Unit
Lower Limit Detection 2 (Option)
Nozzle Stocker Shutter
Closing Check 1
Nozzle Stocker Shutter
Closing Check 2 (Option)
Nozzle Stocker
Clamping Check 1
Nozzle Stocker
Clamping Check 2 (Option)
Blue
Black
White
Brown
From Recycle Conveyor B
Relay Connector -X13112
Recycle Conveyor B
Full Detection (Option)
From Recycle Conveyor B
Relay Connector -X13112
Positioning
Recycle Conveyor B
Output Position
Detection (Option)
To Recycle Conveyor B
Relay Connector -X13112
(To MB-U25
UB19 (X7))
To Robot Cable Relay Connector
Feeder Base HLS Terminal Switching Circuit
To BA Block Panel -X10902
Feeder Base
Ascending
Nozzle Stocker
Shutter Open
Nozzle Stocker
Ascending 1
Feeder Base
Descending
Nozzle Stocker
Ascending 2 (Option)
Air Vacuum Switchove
r
Air Blowing
Recycle Conveyor B
Run/Break Signal (Option)
Recycle Conveyor B
Start/Stop Signal (Option)
Recycle Conveyor B
Alarm Reset Signal
(Option)

4-440411-002 -(M803WD---2022)
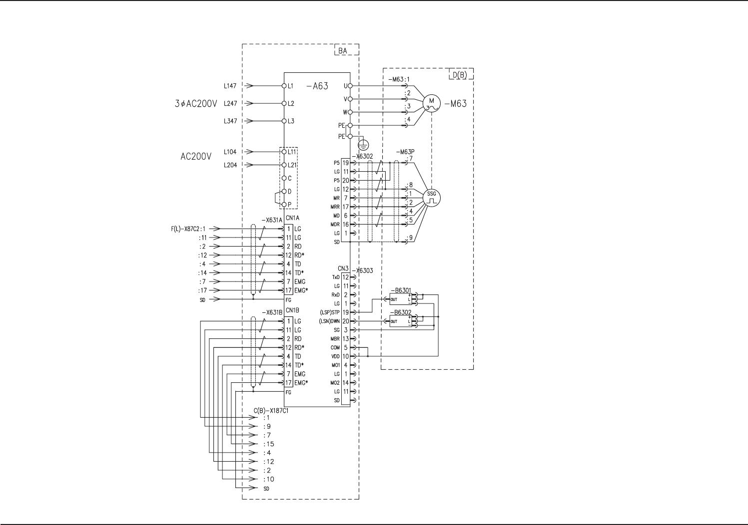
CPU2-L
From SSCNET
Separation Board (-U87)
DB-CT Axis
MB-DD, MB-NS, MB-NL, and
MB-HL Axes (Multiaxis Driver)
To Robot Cable Relay
Connector (-X187C1)
Note 1
Origin (+)
Note 1
Origin (-)
Plate
切割器切割器
切割器切割器
切割器
BB
BB
B
切割器切割器
切割器切割器
切割器
BB
BB
B
注注
注注
注
1 . 1 .
1 . 1 .
1 .
原点原点
原点原点
原点
(+)(+)
(+)(+)
(+)
为马达安装侧,原点为马达安装侧,原点
为马达安装侧,原点为马达安装侧,原点
为马达安装侧,原点
(-)(-)
(-)(-)
(-)
为切割器更换位置侧。为切割器更换位置侧。
为切割器更换位置侧。为切割器更换位置侧。
为切割器更换位置侧。