GXH—1.pdf - 第184页
4-91 0411-002 -(M803WQ---2012) UB24 I/O UB24 I/O UB24 I/O UB24 I/O UB24 I/O 板 板 板 板 板 ( 1 ) ( 1 ) ( 1 ) ( 1 ) ( 1 ) 送料器安装台 送料器安装台 送料器安装台 送料器安装台 送料器安装台 A A A A A UB24 I/O UB24 I/O UB24 I/O UB24 I/O UB24 I/O 板 板 板 板 板 ( 1 …

4-900411-002 -(M803WQ---2011)
UB1 7 UB1 7
UB1 7 UB1 7
UB1 7
电源分配板送料器安装台电源分配板送料器安装台
电源分配板送料器安装台电源分配板送料器安装台
电源分配板送料器安装台
AA
AA
A
Feeder Power Distribution
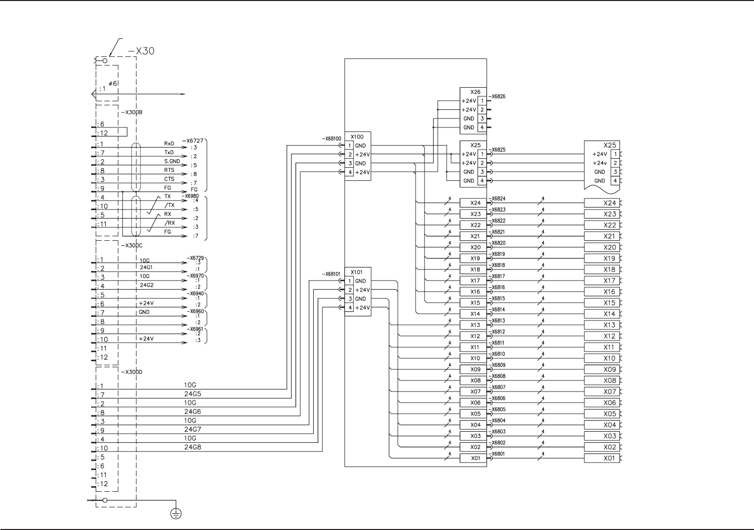
-U68
(UB17)
Drawer Connector for Feeder 25
Drawer Connector for Feeder 24
Drawer Connector for Feeder 23
Drawer Connector for Feeder 22
Drawer Connector for Feeder 21
Drawer Connector for Feeder 20
Drawer Connector for Feeder 19
Drawer Connector for Feeder 18
Drawer Connector for Feeder 17
Drawer Connector for Feeder 16
Drawer Connector for Feeder 15
Drawer Connector for Feeder 14
Drawer Connector for Feeder 13
Drawer Connector for Feeder 12
Drawer Connector for Feeder 11
Drawer Connector for Feeder 10
Drawer Connector for Feeder 09
Drawer Connector for Feeder 08
Drawer Connector for Feeder 07
Drawer Connector for Feeder 06
Drawer Connector for Feeder 05
Drawer Connector for Feeder 04
Drawer Connector for Feeder 03
Drawer Connector for Feeder 02
Drawer Connector for Feeder 01
Offline Control
To -U69 (UB24) and CN40
Batch Connector for Feeder Base Connection
A Module
(Air)
B Module
(12 pins)
C Module
(12 pins)
D Module
(12 pins)
Outside Notification
(Unclamping)
External Command
(Feeder Clamping)
Outside Notification
(Clamping)
To Solenoid Valve
Feeder Base
Serial Communication
To -U67 (UB16) and CN27
HLS Communication
To -U69 (UB24) and CN80
DC 24 V Power for Feeder Base
(Serial Communication)
To -U67 (UB16) and CN29
DC 24 V Power Supply
(HLS) for Feeder Base
To -U69 (UB24) and CN70
Offline Control
To -U69 (UB24) and CN61
Offline Control
To -U69 (UB24) and CN60
UB1 7 UB1 7
UB1 7 UB1 7
UB1 7
电源分配板送料器安装台电源分配板送料器安装台
电源分配板送料器安装台电源分配板送料器安装台
电源分配板送料器安装台
AA
AA
A

4-910411-002 -(M803WQ---2012)
UB24 I/OUB24 I/O
UB24 I/OUB24 I/O
UB24 I/O
板板
板板
板
(1) ( 1 )
(1) ( 1 )
(1)
送料器安装台送料器安装台
送料器安装台送料器安装台
送料器安装台
AA
AA
A
UB24 I/OUB24 I/O
UB24 I/OUB24 I/O
UB24 I/O
板板
板板
板
( 1) ( 1)
( 1) ( 1)
( 1)
送料器安装台送料器安装台
送料器安装台送料器安装台
送料器安装台
AA
AA
A
HLS Communication
D (A) -X300B
From Batch Connector
for Feeder Base Connection
Note 1
Feeder Base I/O
-U69
(UB24)
Sending Start 1
Sending Start 2
Sending Ready
Communication
Ready
Feeder Connection
Check
Drawer Connector for Feeder 25
Drawer Connector for Feeder 24
Drawer Connector for Feeder 23
Drawer Connector for Feeder 22
Drawer Connector for Feeder 21
Drawer Connector for Feeder 20
Drawer Connector for Feeder 19
Drawer Connector for Feeder 18
Drawer Connector for Feeder 17
Drawer Connector for Feeder 16
Drawer Connector for Feeder 15
Drawer Connector for Feeder 14
Drawer Connector for Feeder 13
Drawer Connector for Feeder 12
Drawer Connector for Feeder 11
Drawer Connector for Feeder 10
Drawer Connector for Feeder 09
Drawer Connector for Feeder 08
Drawer Connector for Feeder 07
Drawer Connector for Feeder 06
Drawer Connector for Feeder 05
Drawer Connector for Feeder 04
Drawer Connector for Feeder 03
Drawer Connector for Feeder 02
Drawer Connector for Feeder 01

4-920411-002 -(M803WQ---2013)
UB24 I/OUB24 I/O
UB24 I/OUB24 I/O
UB24 I/O
板板
板板
板
(2) (2)
(2) (2)
(2)
送料器安装台送料器安装台
送料器安装台送料器安装台
送料器安装台
AA
AA
A
Feeder Clamp
Lower Limit (Clamping)
Feeder Clamp
Upper Limit (Unclamping)
(General-Purpose
Input 3)
(General-Purpose
Input 4)
(General-Purpose
Input 5)
(General-Purpose
Input 6)
Feeder Clamp
Lower Limit
Outside Notification
(Clamping)
for Offline Control
Feeder Clamp
Upper Limit
Outside Notification
(Unclamping)
for Offline Control
Feeder Base Offline Control
D(A)-X300C
From Batch Connector
for Feeder Base Connection
Blue
Black
Brown
Blue
Black
Brown
Feeder Base I/O
-U69
(UB24)
Internal I/O Circuit
Black
Red
Feeder Clamp
(General-Purpose
Output 2)
(General-Purpose
Output 3)
(General-Purpose
Output 4)
(General-Purpose
Output 5)
(General-Purpose
Output 6)
Feeder Base Offline Control
D (A) -X300C
From Batch Connector
for Feeder Base Connection
DC 24 V Power Supply
for Feeder Base
D (A) -X300C
From Batch Connector
for Feeder Base Connection
External Command
(Feeder Clamping)
for Offline Control
UB24 I/OUB24 I/O
UB24 I/OUB24 I/O
UB24 I/O
板板
板板
板
(2) (2)
(2) (2)
(2)
送料器安装台送料器安装台
送料器安装台送料器安装台
送料器安装台
AA
AA
A