GXH—1.pdf - 第55页
0404-001 1 - B

第一章第一章
第一章第一章
第一章
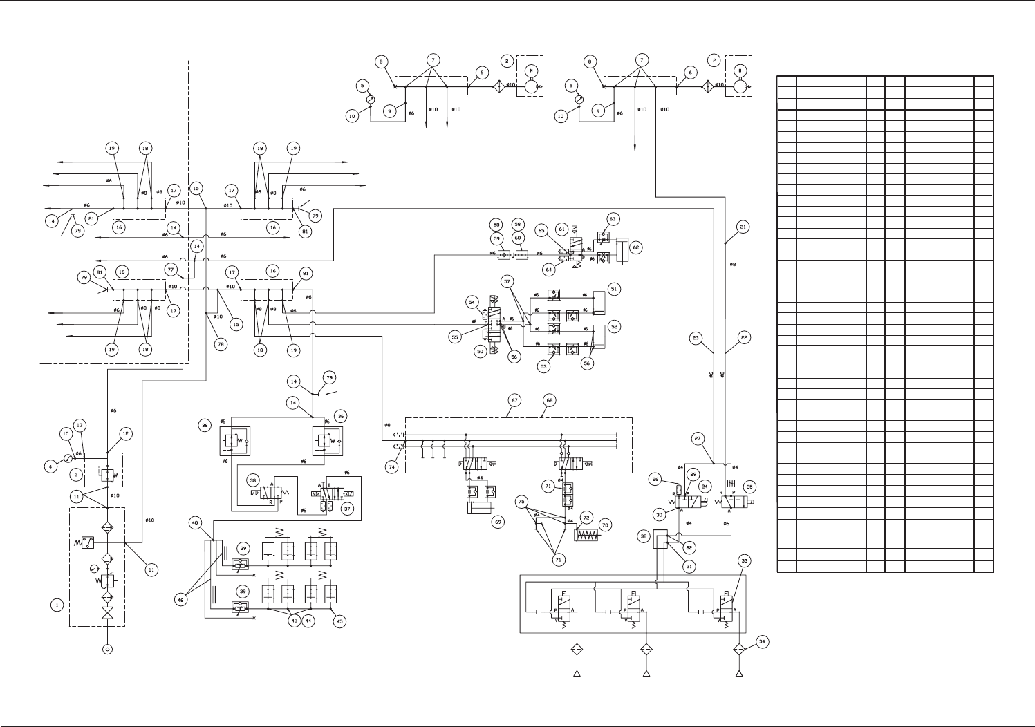
气路图气路图
气路图气路图
气路图
本章节就气路图进行说明。本章节就气路图进行说明。
本章节就气路图进行说明。本章节就气路图进行说明。
本章节就气路图进行说明。
因含有一定的难度,参考时请充分注意。因含有一定的难度,参考时请充分注意。
因含有一定的难度,参考时请充分注意。因含有一定的难度,参考时请充分注意。
因含有一定的难度,参考时请充分注意。
0508-002 1-A

0404-001 1-B

1-1
气路图气路图
气路图气路图
气路图
气路图气路图
气路图气路图
气路图
0508-003 B(M803XA---0021)
Stage 2 (Rear) Feeder Clamp
<Piping for Stage 1> <Piping for Stage 2>
Stage 1 (Rear)
Nozzle Stocker
Stage 1 (Rear) Feeder Base
Stage 1 (Rear) Feeder Clamp
Stage 1 Transfer
To Head A
To Head B
To Head C
To Head D
Stage 1 (Front) Feeder Clamp
Stage 1 (Front) Feeder Base
Stage 1 (Front)
Nozzle Stocker
Stage 2 (Rear)
Nozzle Stocker
Stage 2 (Rear) Feeder Base
Stage 2 Transfer
Stage 2 (Front) Feeder Clamp
Stage 2 (Front) Feeder Base
Stage 2 (Front) Nozzle Stocker
Setting
0.35 MPa
Setting
0.05 MPa
Setting
0.2 MPa
Setting
0.3 MPa
PCB Z Clamp
PCB Z Clamp
Setting
0.45 MPa
(Trans-
parent)
(Trans-
parent)
(Trans-
parent)
(Trans-
parent)
Vacuum Pump
(for Stage 1)
To Head A
To Head B
Vacuum Pump
(for Stage 2)
To Head C
To Head D
Feeder Clamp
Feeder Base U/D
Stage 1 (Rear)
Stage 2 (Front)
Stage 1 (Front)
Stage 2 (Rear)
Shutter 1
Open/Close
Connection Cable
Head D
Nozzle 1 Nozzle 2 Nozzle 12
Connection Cable
Stocker U/D (Housing) 1
Multi-Layer Tray Feeder
Inlet for Pipe Connection
Multi-Layer Tray Feeder
Inlet for Pipe Connection
Multi-Layer
Tray Feeder
Inlet for Pipe
Connection
Multi-Layer Tray Feeder
Inlet for Pipe Connection
1.
Combination Unit
1
2. Vacuum Pump 2
3. Regulator 1
4. Pressure Gauge 1
5. Vacuum Gauge 2
6. Bushing 2
7.
Quick Universal Joint
6
8. Plug 2
9. Reducer 2
10. Half Union 3
11. Elbow Union 3
12. Elbow Union 1
13. Half Union 1
14. Union Y 6
15. Union Y 2
16. Manifold 4
17. Street Elbow 4
18. Street Elbow 8
19. Reducer Elbow 4
21. Different Union 4
22. Bulkhead Union 4
23. Bulkhead Union 4
24. Solenoid Valve 4
25. Solenoid Valve 4
26. Silencer 4
27.
Different Union Y
4
29. Elbow Union 4
30. Half Union 4
31. Half Union 4
32. Rotary Joint 4
33. Solenoid Valve 48
34. Filter 96
36.
Pressure Gauge Unit
4
37.
Solenoid Valve Unit 2
38. Solenoid Valve Unit
2
39.
Speed Controller
4
40.
Different Double Union Y
2
43. Universal T 12
44. Barbed Fitting 24
45. Barbed Elbow 4
Name Q'ty
46. Flat Tube 4
50. Solenoid Valve 4
51. Cylinder 4
52. Cylinder 4
53.
Speed Controller
24
54. Silencer 8
55. Universal Elbow 4
56. Universal Elbow 24
57. Cheese 8
58. Modular Unit 8
59.
Air Contacting Pin
4
60.
Air Contacting Pin
4
61. Solenoid Valve 4
62. Cylinder 4
63.
Speed Controller
8
64. Silencer 8
65. Elbow Union 4
67.
Solenoid Valve Unit
2
68.
Solenoid Valve Unit
2
69. Cylinder Unit 4
70. Cylinder 4
71.
Speed Controller
8
72. Barbed Elbow 4
74. Half Union 4
75. Union Y 12
76. Plug 12
77. Cheese 1
78. Cheese 1
79. Plug 4
81. Reducer Elbow 4
82. Half Union 4
Name
Q'tyNo. No.