GXH—1.pdf - 第173页
4-80 041 1-002 A(M803WM---2042) 线传感器电路图 线传感器电路图 线传感器电路图 线传感器电路图 线传感器电路图 D D D D D Connector Case Linear Measure Light Reception Slip Ring T o M (D) -U25 UB19 (X4) T o M (D) -U25 UB19 (X3) Orange Ye l l o w Blue Green Red…

4-790505-003 D(M803WM---2041)
安装头马达电路图安装头马达电路图
安装头马达电路图安装头马达电路图
安装头马达电路图
DD
DD
D
安装头马达电路图安装头马达电路图
安装头马达电路图安装头马达电路图
安装头马达电路图
DD
DD
D
Head Axis (D)
Main Circuit
Power Supply
Control Circuit
Power Supply
From -U25 (UB19)
D (D)
Cutter Driver (-A63)
From -X631B (CN1B)
Head Rotation
Nozzle Selection
Nozzle U/D
Head U/D
To BL-U05
UA54 (ILB)
-X13106: To 2
Nozzle Selection
Position Detection
Nozzle U/D (+) Limit
Nozzle U/D (-) Limit
Nozzle U/D Interlock
Head U/D (+) Limit
Head U/D (-) Limit
Air Vacuum Switchover
Air Blowing
To -U03
Linear Measure Amplifier
(CN5)
To
-U37
Slip Ring (J1)
To -A31
Multiaxis Controller (CNP1)
-X316C: From 3
RED
WHT
BLK
GRA
GRA
YEL
BRN
BLK
BLK
ORN
WHT
Ref.: BLK : Black
BLU : Blue
BRN : Brown
ORN : Orange
RED : Red
GRA : Gray
GRN : Green
YEL : Yellow
WHT : White
RED
WHT
GRA
BLK
ORN
WHT
BLK
GRA
YEL
BRN
BLK
RED
WHT
GRA
BLK
ORN
WHT
GRA
YEL
BRN
RED
WHT
BLK
RED
BLK
YEL/GRA
YEL
BRN
BLU
BLU
WHT
BRN
BLK
BLU
BRN
BLK
BLU
BRN
BLK
BLU
BRN
BLK
BLU
BRN
BLK
BLU
BRN
BLK
RED
BLK
RED

4-800411-002 A(M803WM---2042)
线传感器电路图线传感器电路图
线传感器电路图线传感器电路图
线传感器电路图
DD
DD
D
Connector Case
Linear Measure
Light Reception
Slip Ring
To M (D) -U25
UB19 (X4)
To M (D) -U25
UB19 (X3)
Orange
Yellow
Blue
Green
Red
Black
M (D) ch2-2
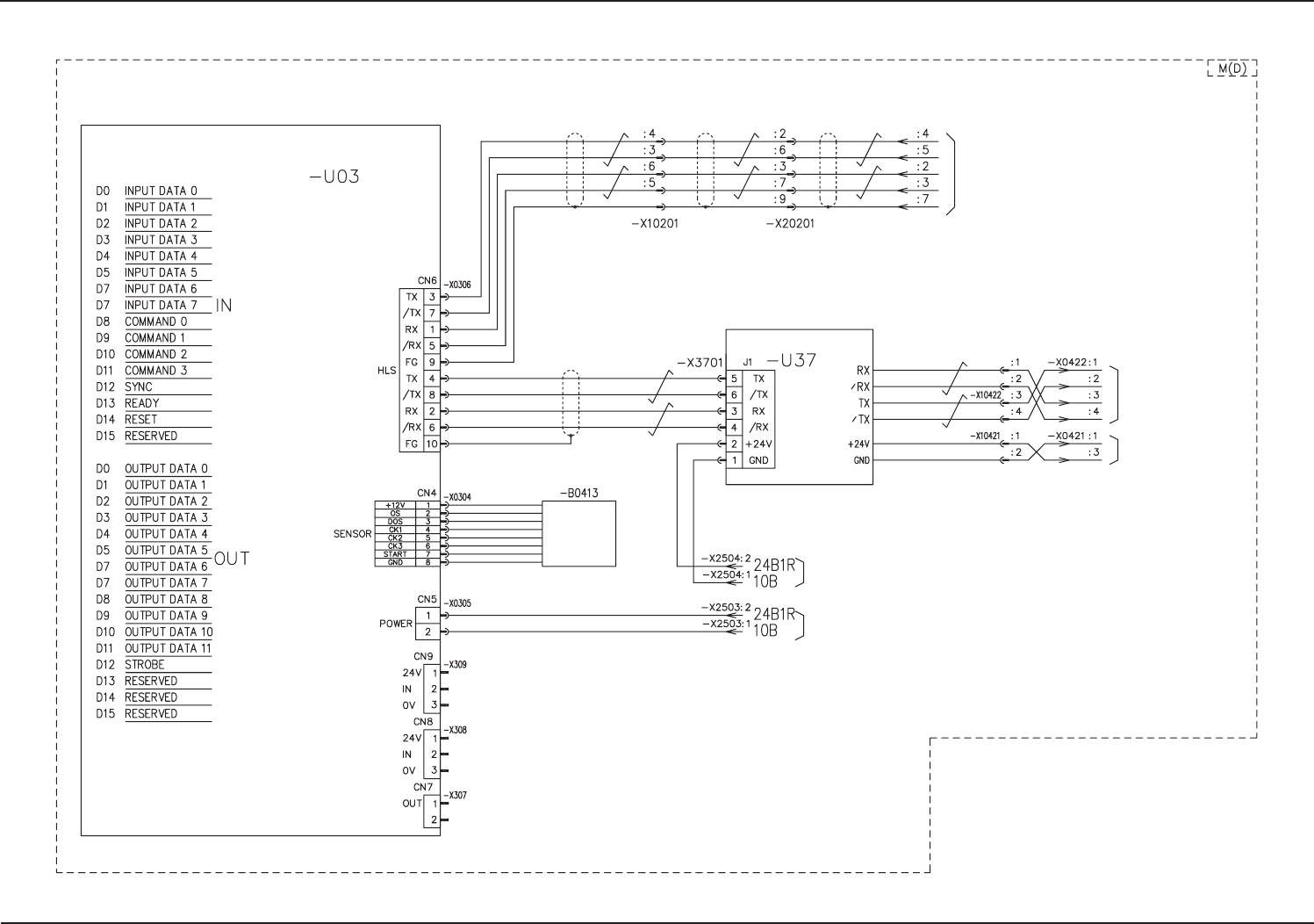
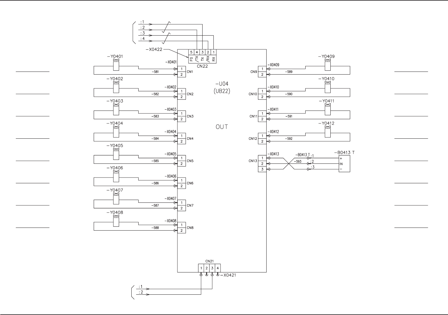
-U04 (UB22)
Head Movable Section
-X0422 (CN22)
M (D) ch2-2
-U04 (UB22)
Head Movable Section
-X0421 (CN21)
F (R) ch2-2
-U01 (UB13) Operation Panel (Front)
-X0102 (CN2)
Linear Measure Sensor
线传感器电路图线传感器电路图
线传感器电路图线传感器电路图
线传感器电路图
DD
DD
D

4-810411-002 A(M803WM---2043)
UB22 I/OUB22 I/O
UB22 I/OUB22 I/O
UB22 I/O
板板
板板
板
((
((
(
安装头可动部安装头可动部
安装头可动部安装头可动部
安装头可动部
)D)D
)D)D
)D
M (D) ch2-2
-U37 Slip Ring
-X10422
Black
Red
Head Movable Section
M (D) ch2-2
-U37 Slip Ring
-X10421
Pink
White
Yellow
Vacuum
Changeover
Valve 1
Vacuum
Changeover
Valve 2
Vacuum
Changeover
Valve 3
Vacuum
Changeover
Valve 4
Vacuum
Changeover
Valve 5
Vacuum
Changeover
Valve 6
Vacuum
Changeover
Valve 7
Vacuum
Changeover
Valve 8
Vacuum
Changeover
Valve 9
Vacuum
Changeover
Valve 10
Vacuum
Changeover
Valve 11
Vacuum
Changeover
Valve 12
Linear Measure
Light Emission
UB22 I/OUB22 I/O
UB22 I/OUB22 I/O
UB22 I/O
板板
板板
板
((
((
(
安装头可动部安装头可动部
安装头可动部安装头可动部
安装头可动部
)D)D
)D)D
)D