GXH—1.pdf - 第149页
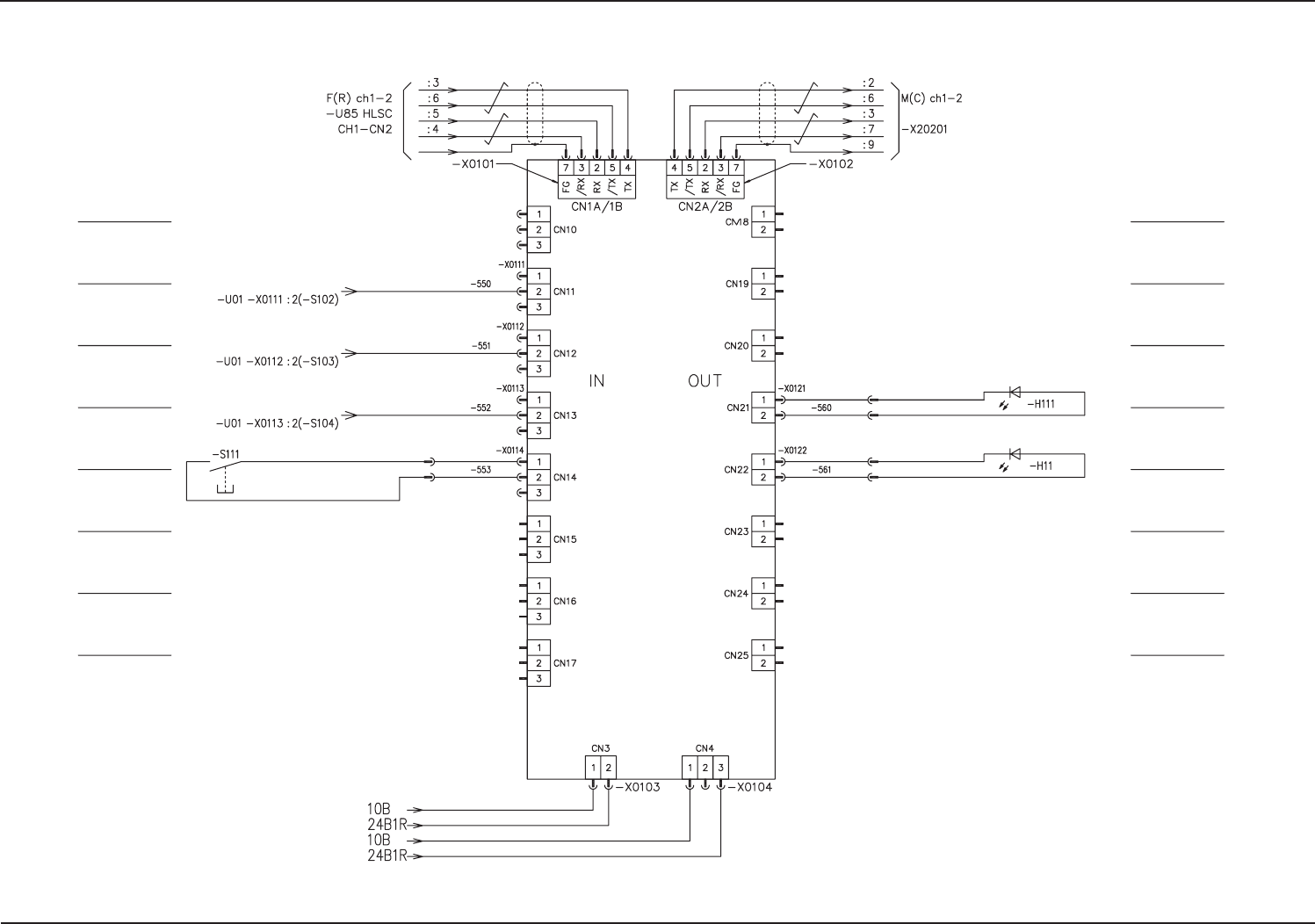
4-56 0508-003 -(M803WF---2005) Connector Case CPU2-L Side CPU2-L Side CPU2-L Side CPU2-L Side Operation Panel -U01 (UB13) Relay Connector Panel READY Lamp (Front Right) [Feeder Ready] Material Indicator Lamp (Front Right…

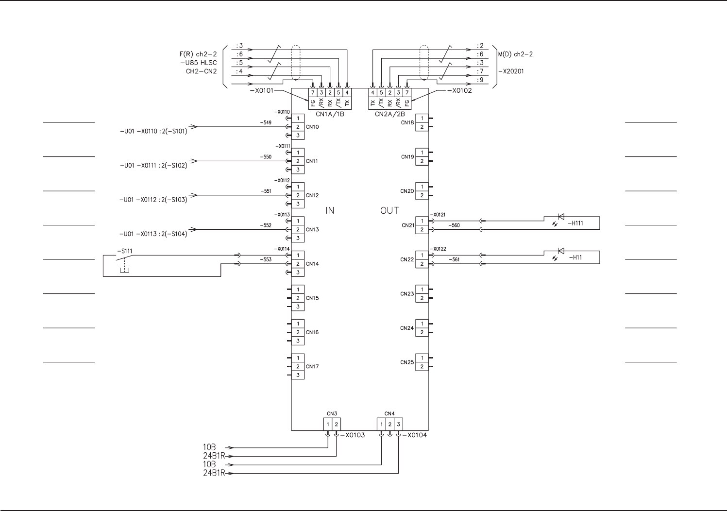
4-550508-003 -(M803WF---2004)
RESERVED
START Switch
(Rear)
STOP Switch
(Rear)
Operation Panel
Selector Switch
(Rear)
READY Switch
(Rear Left)
Connector Case
Operation Panel
-U01
(UB13)
-U11 (UB13) Light Tower
START Lamp (Rear)
Operation Panel Selector
Lamp (Rear)
Operation Panel Lock
Lamp (Rear)
READY Lamp (Rear Left)
Material Indicator
Lamp (Rear Left)
CPU2-R Side
CPU2-R Side
CPU2-R Side
UB13 I/OUB13 I/O
UB13 I/OUB13 I/O
UB13 I/O
板板
板板
板
((
((
(
操作台操作台
操作台操作台
操作台
后后
后后
后
)L)L
)L)L
)L
UB13 I/OUB13 I/O
UB13 I/OUB13 I/O
UB13 I/O
板板
板板
板
((
((
(
操作台操作台
操作台操作台
操作台
后后
后后
后
)L)L
)L)L
)L

4-560508-003 -(M803WF---2005)
Connector Case
CPU2-L Side
CPU2-L Side
CPU2-L Side
CPU2-L Side
Operation Panel
-U01
(UB13)
Relay Connector Panel
READY Lamp
(Front Right)
[Feeder Ready]
Material Indicator
Lamp (Front Right)
POWER ON (Front)
START Switch (Front)
STOP Switch (Front)
Operation Panel
Selector Switch (Front)
READY Switch
(Front Right)
[Feeder Ready]
UB13 I/OUB13 I/O
UB13 I/OUB13 I/O
UB13 I/O
板板
板板
板
((
((
(
操作台操作台
操作台操作台
操作台
前前
前前
前
)R)R
)R)R
)R
UB13 I/OUB13 I/O
UB13 I/OUB13 I/O
UB13 I/O
板板
板板
板
((
((
(
操作台操作台
操作台操作台
操作台
前前
前前
前
)R)R
)R)R
)R

4-570508-003 -(M803WF---2006)
UB13 I/OUB13 I/O
UB13 I/OUB13 I/O
UB13 I/O
板板
板板
板
((
((
(
操作台操作台
操作台操作台
操作台
后后
后后
后
)R)R
)R)R
)R
Connector Case
RESERVED
START Switch (Rear)
STOP Switch (Rear)
Operation Panel
Selector Switch (Rear)
READY Switch
(Rear Right)
[Feeder Ready]
CPU2-L Side
CPU2-L Side
CPU2-L Side
Relay Connector Panel
READY Lamp
(Rear Right)
[Feeder Ready]
Material Indicator
Lamp (Rear Right)
Operation Panel
-U01
(UB13)
UB13 I/OUB13 I/O
UB13 I/OUB13 I/O
UB13 I/O
板板
板板
板
((
((
(
操作台操作台
操作台操作台
操作台
后后
后后
后
)R)R
)R)R
)R