GXH—1.pdf - 第147页
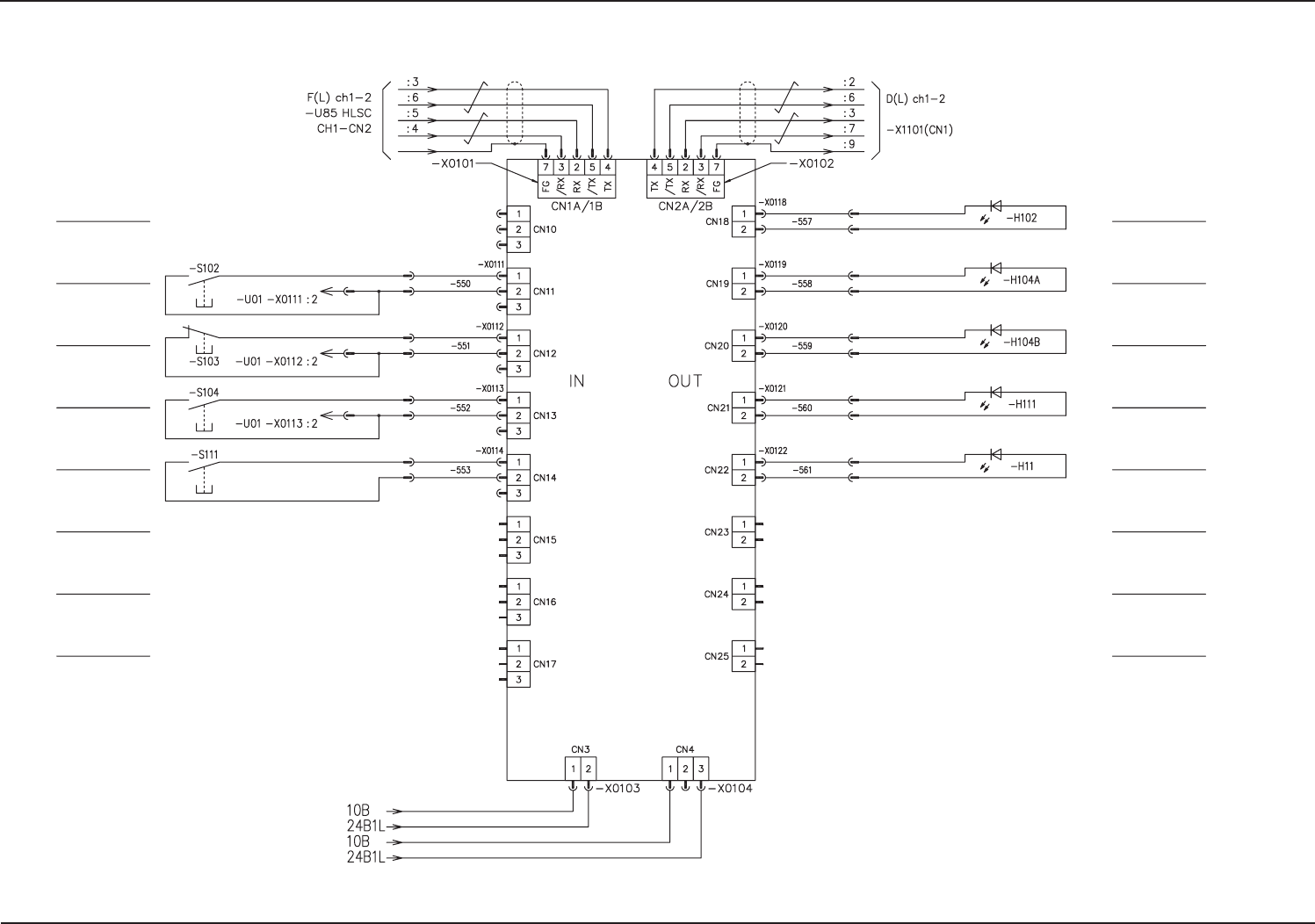
4-54 0508-003 -(M803WF---2003) ST ART Switch (Front) STOP Switch (Front) Operation Panel Selector Switch (Front) READY Switch (Front Left) [Feeder Ready] Connector Case Operation Panel -U01 (UB13) Relay Connector Panel S…

4-530411-002 -(M803WF---2002)
CPU1 CPU1
CPU1 CPU1
CPU1
电路图电路图
电路图电路图
电路图
(2)(2)
(2)(2)
(2)
To FA-U71
CPU1
(CN7)
To FA-U71
CPU1
(CN3)
-U91 (UB05)
To FC
(Recognition
CPU) X9104
Selector
Touch Screen
Touch Screen
Track Ball
To FA-U71
CPU1
(CN5)
To FA-U71
CPU1
(CN6)
CPU1 CPU1
CPU1 CPU1
CPU1
电路图电路图
电路图电路图
电路图
(2)(2)
(2)(2)
(2)

4-540508-003 -(M803WF---2003)
START Switch
(Front)
STOP Switch
(Front)
Operation Panel
Selector Switch
(Front)
READY Switch
(Front Left)
[Feeder Ready]
Connector Case
Operation Panel
-U01
(UB13)
Relay Connector Panel
START Lamp (Front)
Operation Panel Selector
Lamp (Front)
Operation Panel Lock
Lamp (Front)
READY Lamp (Front Left)
[Feeder Ready]
Material Indicator
Lamp (Front Left)
POWER ON
(Front)
UB13 I/OUB13 I/O
UB13 I/OUB13 I/O
UB13 I/O
板板
板板
板
((
((
(
操作台操作台
操作台操作台
操作台
前前
前前
前
)L)L
)L)L
)L
UB13 I/OUB13 I/O
UB13 I/OUB13 I/O
UB13 I/O
板板
板板
板
((
((
(
操作台操作台
操作台操作台
操作台
前前
前前
前
)L)L
)L)L
)L

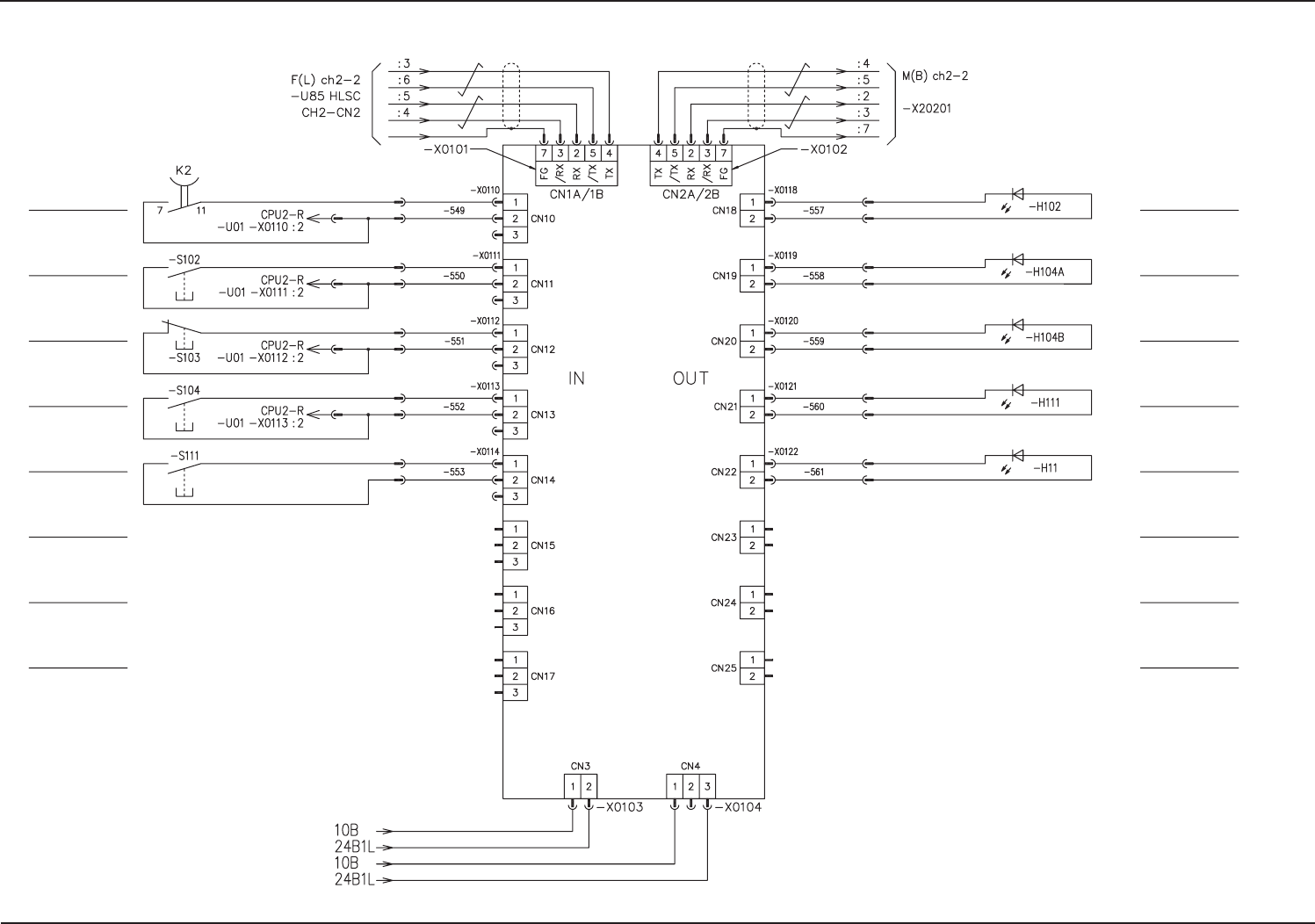
4-550508-003 -(M803WF---2004)
RESERVED
START Switch
(Rear)
STOP Switch
(Rear)
Operation Panel
Selector Switch
(Rear)
READY Switch
(Rear Left)
Connector Case
Operation Panel
-U01
(UB13)
-U11 (UB13) Light Tower
START Lamp (Rear)
Operation Panel Selector
Lamp (Rear)
Operation Panel Lock
Lamp (Rear)
READY Lamp (Rear Left)
Material Indicator
Lamp (Rear Left)
CPU2-R Side
CPU2-R Side
CPU2-R Side
UB13 I/OUB13 I/O
UB13 I/OUB13 I/O
UB13 I/O
板板
板板
板
((
((
(
操作台操作台
操作台操作台
操作台
后后
后后
后
)L)L
)L)L
)L
UB13 I/OUB13 I/O
UB13 I/OUB13 I/O
UB13 I/O
板板
板板
板
((
((
(
操作台操作台
操作台操作台
操作台
后后
后后
后
)L)L
)L)L
)L