GXH—1.pdf - 第208页
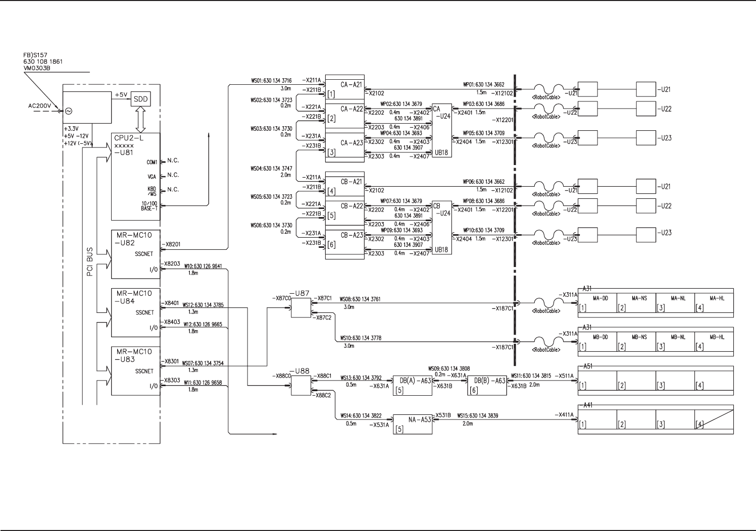
5-1 CPU2 CPU2 CPU2 CPU2 CPU2 内部连接资料 内部连接资料 内部连接资料 内部连接资料 内部连接资料 CPU2 CPU2 CPU2 CPU2 CPU2 内部连接资料 内部连接资料 内部连接资料 内部连接资料 内部连接资料 0505-002 A(M803JSB--2001) : 630 123 0146 : 630 125 6498 : 630 126 9856 Power Unit Battery Unit C…

041 1-001 5-B

5-1
CPU2 CPU2
CPU2 CPU2
CPU2
内部连接资料内部连接资料
内部连接资料内部连接资料
内部连接资料
CPU2 CPU2
CPU2 CPU2
CPU2
内部连接资料内部连接资料
内部连接资料内部连接资料
内部连接资料
0505-002 A(M803JSB--2001)
: 630 123 0146
: 630 125 6498
: 630 126 9856
Power Unit
Battery Unit
Case LED
Back Plane
Charge and Discharge
Connector
The jumper (accessory part)
is connected to the back plane.
EXT Connector Cable
PAT-092 (provided together
with CPU board)
Provided together with FB)159
Provided together with FB)156
Memory (Provided)
CPU Board
CPU Board
COM2 Drawer Panel
Back Plane
Case Fan
RESET Board Connector Cable
PAT-311 (provided together
with CPU board)
COM2 Drawer Panel
RAS Board Connector Cable
PAT-309 (provided together
with CPU board)

5-20508-003 D(M803JSB--2002)
CPU2-L CPU2-L
CPU2-L CPU2-L
CPU2-L
电缆连接资料电缆连接资料
电缆连接资料电缆连接资料
电缆连接资料
11
11
1
CPU2-L CPU2-L
CPU2-L CPU2-L
CPU2-L
电缆连接资料电缆连接资料
电缆连接资料电缆连接资料
电缆连接资料
11
11
1
(6-Axle X2ch)
(6-Axle X2ch)
(6-Axle X2ch)
To BL-U05 (UA54:ILB)
To HUB (U72)
Cutter (B)
Cutter (A)
Conveyor A
Backup 1
<Connector Relay Panel in Beam Section>
Beam Y2
Beam Y1
Beam X
Beam Y2
Beam Y1
HIRAKAWA HEWTECH CORP.
Beam X
Head #1
Head Rotation
Head #1
Nozzle Selection
Head #1
Head U/D
Head #1
Nozzle U/D
Converter
Converter
Converter
Linear
Encoder
Linear
Encoder
Linear
Encoder
Converter
Converter
Converter
Linear
Encoder
Linear
Encoder
Linear
Encoder
Conveyor B
Transfer 1
Conveyor L
Transfer
Conveyor A
Transfer 1
Conveyor B
Conveyor Width 2
Conveyor L
Conveyor Width 1
Conveyor L
Conveyor Width 2
Conveyor B
Conveyor Width 1
Head #1
Head Rotation
Head #1
Nozzle Selection
Head #1
Head U/D
Head #1
Nozzle U/D