GXH—1.pdf - 第106页
4-13 041 1-002 -(M803W A---2001) 综合模块连接图 综合模块连接图 综合模块连接图 综合模块连接图 综合模块连接图 (D (D (D (D (D 部详细图 部详细图 部详细图 部详细图 部详细图 ) ) ) ) ) Light T ower Nozzle Stocker Detection Sensor Nozzle Stocker Solenoid Valve P .C.B. Transfer Solen…

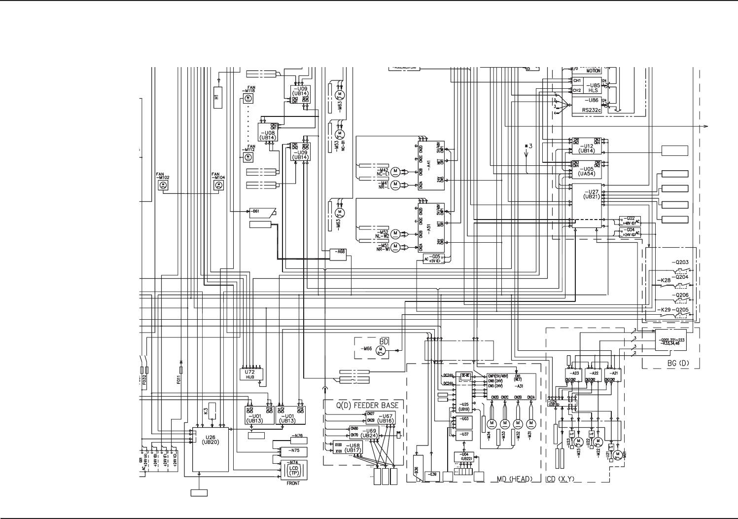
4-120411-002 -(M803WA---2001)
综合模块连接图综合模块连接图
综合模块连接图综合模块连接图
综合模块连接图
(C(C
(C(C
(C
部详细图部详细图
部详细图部详细图
部详细图
))
))
)
P.E.C. Recognition
Lighting
CPU3 (Recognition PC)
Trigger
(Operation PC)
Operation
Switch
Selector
Component Recognition
Camera
Lighting for
Component Recognition
Nozzle Stocker Detection Sensor
Nozzle Stocker Solenoid Valve
P.C.B. Transfer Solenoid Valve
P.C.B. Transfer Detection Sensor
Nozzle Stocker Solenoid Valve
Nozzle Stocker Detection Sensor
Light Tower
CD-CT Limit Sensor
Cutter
Backup
NC-B1 Limit Sensor
Input/Output Machine I/F Connector
Feeder
Feeder
Feeder
P.E.C. Recognition
Camera
Light Emitter
Linear
Measure
Sensor
Light Receiver
Linear
Measure
Sensor
Solenoid Valve
Feeder Base Position Detection Sensor
Feeder Base U/D Solenoid Valve
Lifted Suppressor Detection Sensor
To -U05
Lighting for
Component
Recognition
Light Source
D(C)-CT AxisD(D)-CT Axis
NC-B1 Axis
NR and NC Relay Panel
4-Axis Servoamplifier
Sensor Input
NR-L P.C.B. Detection Sensor
NC-L1 P.C.B. Detection Sensor
Feeder Base D
Power Control Relay
Feeder Base C
Power Control Relay
Backup and
Cutter Main Power Control
Brake Control
Slip Ring
Linear Measure
Sensor
(Amplifier)
Head U/D Limit Sensor
Head U/D
Nozzle U/D
Nozzle U/D Limit Sensor
Nozzle Selection Position Sensor
Nozzle Selection
Head rotation [%]
Solenoid
Valve
Solenoid
Valve
Interlock and
Solenoid Valve
Converter
4-Axis Servoamplifier
Sensor Input
Robot Cable
Y-Axis Limit Sensor
Y-Axis Limit Sensor
Y-Axis Approach Detection Sensor
Linear Scale Y2
Beam Y2
Beam Y1
Beam X
Linear Scale Y1
Linear Scale X
Robot
Cable
Y2 Axis Y1 Axis X Axis
X/Y-Axis Breaker and
Main Power Control
CPU2 (Control PC)
Branch BoardBranch Board
External LAN
(Input/Output Machines and PC)
Stage Ready
Switch
Cover Switch
Emergency Stop Switch
综合模块连接图综合模块连接图
综合模块连接图综合模块连接图
综合模块连接图
(C(C
(C(C
(C
部详细图部详细图
部详细图部详细图
部详细图
))
))
)

4-130411-002 -(M803WA---2001)
综合模块连接图综合模块连接图
综合模块连接图综合模块连接图
综合模块连接图
(D(D
(D(D
(D
部详细图部详细图
部详细图部详细图
部详细图
))
))
)
Light Tower
Nozzle Stocker Detection Sensor
Nozzle Stocker Solenoid Valve
P.C.B. Transfer Solenoid Valve
P.C.B. Transfer Detection Sensor
Nozzle Stocker Solenoid Valve
Nozzle Stocker Detection Sensor
DC-CT Limit Sensor
Cutter
NC-B1 Limit Sensor
Backup
DD-CT Limit Sensor
Cutter
Component Recognition
Camera
Lighting for
Component Recognition
Lighting for
Component
Recognition
Light Source
NR-L P.C.B. Detection Sensor
NC-L1 P.C.B. Detection Sensor
4-Axis Servoamplifier
Sensor Input
4-Axis Servoamplifier
Sensor Input
NR-W1 Limit Sensor
NR-W2 Limit Sensor
Vacuum Pump
Feeder Base U/D Solenoid Valve
Feeder Base Position Detection Sensor
Lifted Suppressor Detection Sensor
Track Ball
Keyboard (Front Side)
Operation
Switch
Safety Relay
Unit
Pressure
Switch
Feeder
Feeder
Feeder
Robot Cable
Converter
Interlock and
Solenoid Valve
Solenoid Valve
Solenoid Valve
Sensor Input
4-Axis Servoamplifier
Linear Measure
Sensor
(Amplifier)
Slip Ring
Head U/D Limit Sensor
Head U/D
Nozzle U/D
Nozzle U/D Limit Sensor
Nozzle Selection
Head rotation [%]
Nozzle Selection
Position Sensor
P.E.C. Recognition
Lighting
P.E.C. Recognition
Camera
Linear Measure
Sensor
Light Emitter
Linear Measure
Sensor
Light Receiver
Solenoid Valve
Ter m in a to r
Y2 Axis
Y1 Axis
X Axis
Robot Cable
Y-Axis Limit Sensor
X-Axis Limit Sensor
Y-Axis Approach Detection Sensor
Linear Cable Y2
Beam Y2
Linear Cable Y1
Beam Y1
Linear Cable X
Beam X
External LAN
(Input/Output Machines and PC)
Stage Ready
Switch
Cover Switch
Emergency
Stop Switch
Emergency
Stop Switch
Cover Switch
AC Power Control
X/Y-Axis Breaker and
Main Power Control
综合模块连接图综合模块连接图
综合模块连接图综合模块连接图
综合模块连接图
(D(D
(D(D
(D
部详细图部详细图
部详细图部详细图
部详细图
))
))
)

4-14
To BF (D) -U21
X-Axis SMD
To BF (A) -U22
Y1-Axis SMD
To BF (A) -U23
Y2-Axis SMD
To BF (A) -U21
X-Axis SMD
To BF (B) -U22
Y1-Axis SMD
To BF (B) -U23
Y2-Axis SMD
To BF (B) -U21
X-Axis SMD
To BF (C) -U22
Y1-Axis SMD
To BF (C) -U23
Y2-Axis SMD
To BF (C) -U21
X-Axis SMD
To BF (D) -U22
Y1-Axis SMD
To BF (D) -U23
Y2-Axis SMD
Power Supply
200 V AC for
Multi-Layer Tray (A)
Power Supply
200 V AC for
Multi-Layer Tray (C)
电源部电源部
电源部电源部
电源部
11
11
1
0411-002 B(M803WB---2001)
电源部电源部
电源部电源部
电源部
11
11
1