GXH—1.pdf - 第195页
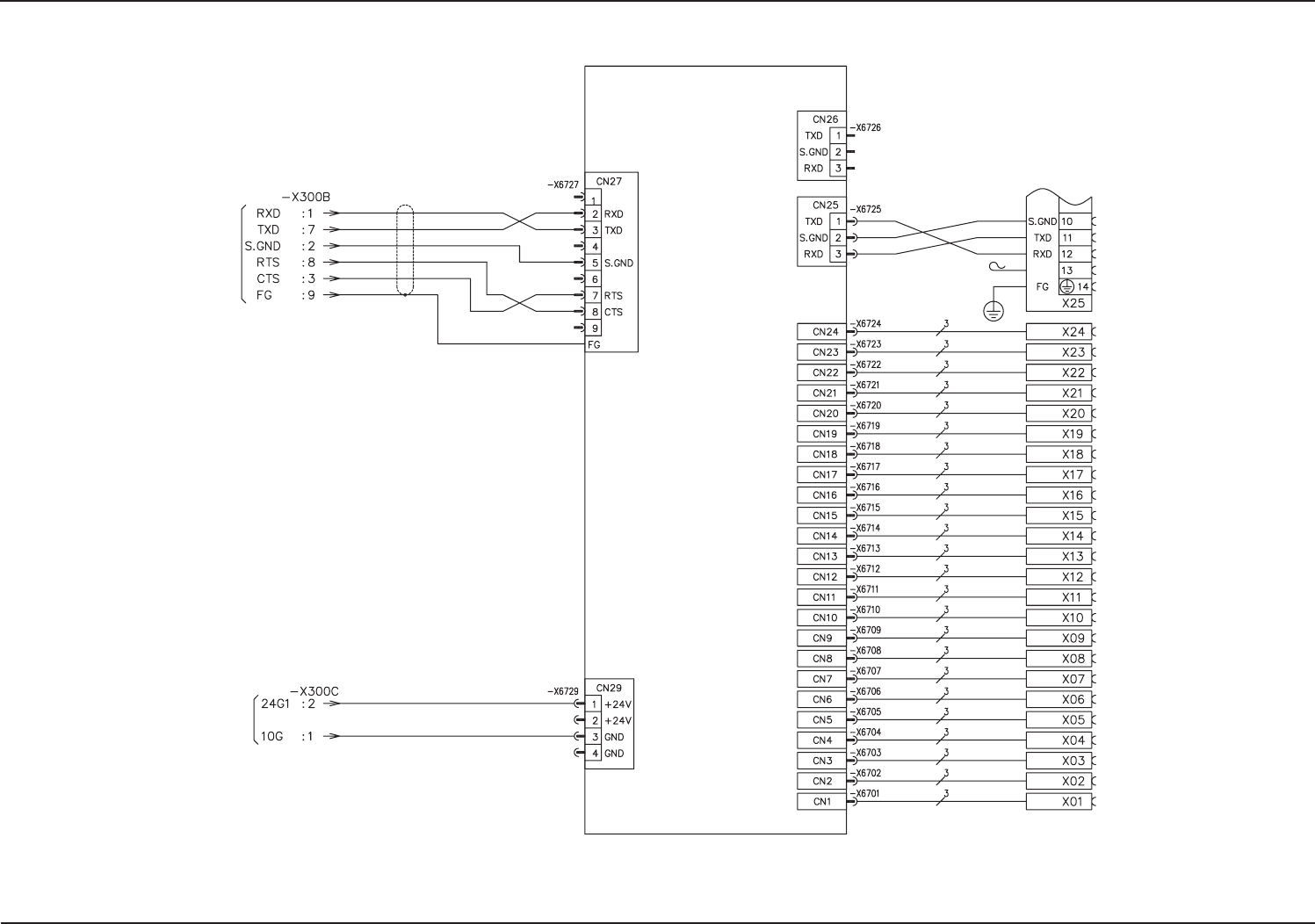
4-102 0411-002 -(M803WQ---2041) UB17 UB17 UB17 UB17 UB17 电源分配板送料器安装台 电源分配板送料器安装台 电源分配板送料器安装台 电源分配板送料器安装台 电源分配板送料器安装台 D D D D D Feeder Power Distribution -U68 (UB17) Drawer Connector for Feeder 25 Drawer Connector for Fee…

4-101
UB16 UB16
UB16 UB16
UB16
序列号通信序列号通信
序列号通信序列号通信
序列号通信
((
((
(
送料器安装台送料器安装台
送料器安装台送料器安装台
送料器安装台
C)C)
C)C)
C)
0411-002 -(M803WQ---2034)
Feeder Base Serial Communication
D (C) -X300B
From Batch Connector
for Feeder Base Connection
DC 24 V Power Supply for Feeder Base
D (C) -X300C
From Batch Connector
for Feeder Base Connection
Feeder Base Serial Communication
-U67
(UB16)
Drawer Connector for Feeder 25
Drawer Connector for Feeder 24
Drawer Connector for Feeder 23
Drawer Connector for Feeder 22
Drawer Connector for Feeder 21
Drawer Connector for Feeder 20
Drawer Connector for Feeder 19
Drawer Connector for Feeder 18
Drawer Connector for Feeder 17
Drawer Connector for Feeder 16
Drawer Connector for Feeder 15
Drawer Connector for Feeder 14
Drawer Connector for Feeder 13
Drawer Connector for Feeder 12
Drawer Connector for Feeder 11
Drawer Connector for Feeder 10
Drawer Connector for Feeder 09
Drawer Connector for Feeder 08
Drawer Connector for Feeder 07
Drawer Connector for Feeder 06
Drawer Connector for Feeder 05
Drawer Connector for Feeder 04
Drawer Connector for Feeder 03
Drawer Connector for Feeder 02
Drawer Connector for Feeder 01
UB16 UB16
UB16 UB16
UB16
序列号通信序列号通信
序列号通信序列号通信
序列号通信
((
((
(
送料器安装台送料器安装台
送料器安装台送料器安装台
送料器安装台
C)C)
C)C)
C)

4-1020411-002 -(M803WQ---2041)
UB17 UB17
UB17 UB17
UB17
电源分配板送料器安装台电源分配板送料器安装台
电源分配板送料器安装台电源分配板送料器安装台
电源分配板送料器安装台
DD
DD
D
Feeder Power Distribution
-U68
(UB17)
Drawer Connector for Feeder 25
Drawer Connector for Feeder 24
Drawer Connector for Feeder 23
Drawer Connector for Feeder 22
Drawer Connector for Feeder 21
Drawer Connector for Feeder 20
Drawer Connector for Feeder 19
Drawer Connector for Feeder 18
Drawer Connector for Feeder 17
Drawer Connector for Feeder 16
Drawer Connector for Feeder 15
Drawer Connector for Feeder 14
Drawer Connector for Feeder 13
Drawer Connector for Feeder 12
Drawer Connector for Feeder 11
Drawer Connector for Feeder 10
Drawer Connector for Feeder 09
Drawer Connector for Feeder 08
Drawer Connector for Feeder 07
Drawer Connector for Feeder 06
Drawer Connector for Feeder 05
Drawer Connector for Feeder 04
Drawer Connector for Feeder 03
Drawer Connector for Feeder 02
Drawer Connector for Feeder 01
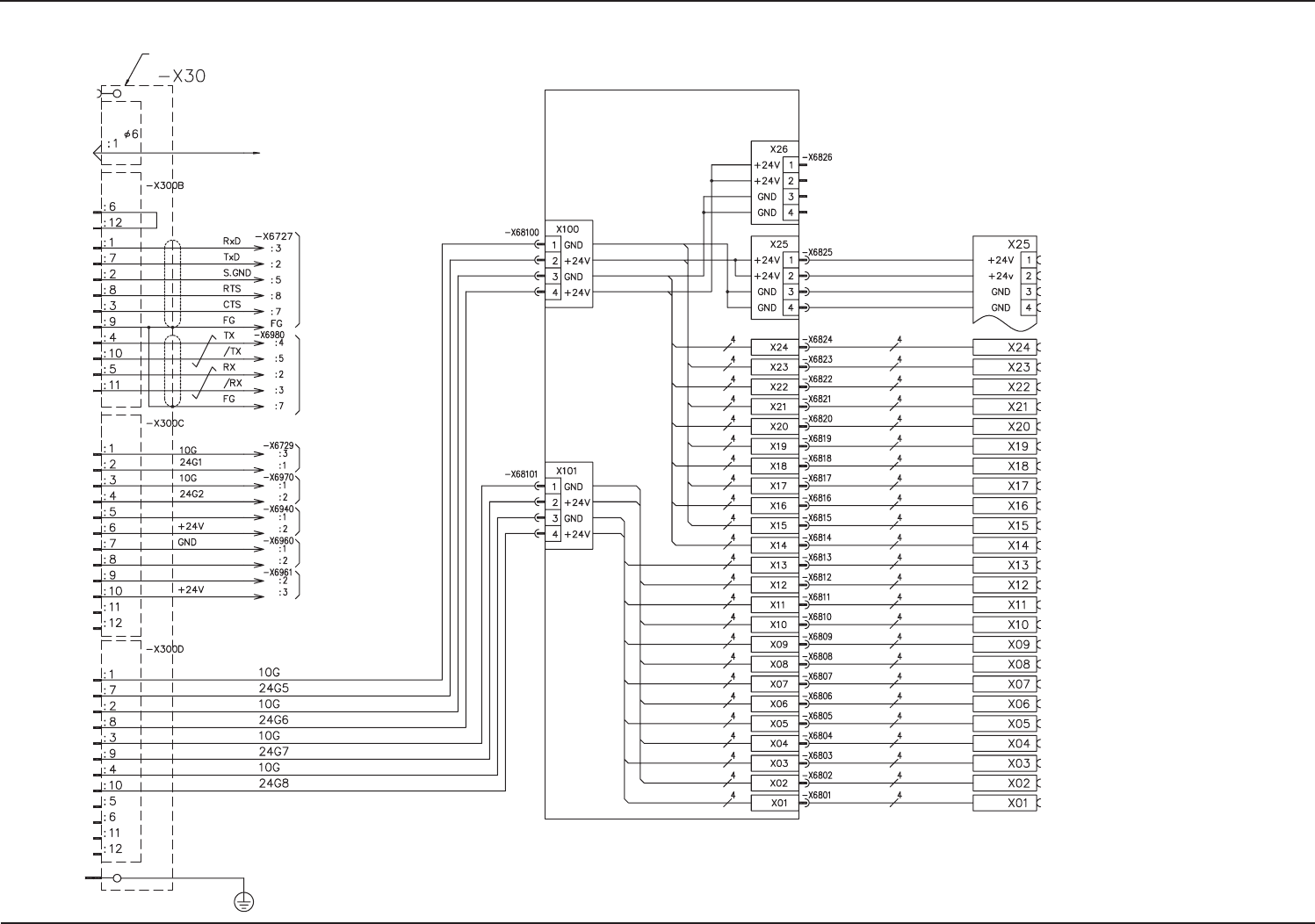
Batch Connector for Feeder Base Connection
A Module
(Air)
B Module
(12 pins)
C Module
(12 pins)
D Module
(12 pins)
Outside Notification
(Unclamping)
External Command
(Feeder Clamping)
Outside Notification
(Clamping)
To Solenoid Valve
Feeder Base
Serial Communication
To -U67 (UB16) and CN27
HLS Communication
To -U69 (UB24) and CN80
Offline Control
To -U69 (UB24) and CN40
DC 24 V Power for Feeder Base
(Serial Communication)
To -U67 (UB16) and CN29
DC 24 V Power Supply
(HLS) for Feeder Base
To -U69 (UB24) and CN70
Offline Control
To -U69 (UB24) and CN61
Offline Control
To -U69 (UB24) and CN60
UB17 UB17
UB17 UB17
UB17
电源分配板送料器安装台电源分配板送料器安装台
电源分配板送料器安装台电源分配板送料器安装台
电源分配板送料器安装台
DD
DD
D

4-1030411-002 -(M803WQ---2042)
UB24 I/OUB24 I/O
UB24 I/OUB24 I/O
UB24 I/O
板板
板板
板
(1) (1)
(1) (1)
(1)
送料器安装台送料器安装台
送料器安装台送料器安装台
送料器安装台
DD
DD
D
HLS Communication
D (D) -X300B
From Batch Connector
for Feeder Base Connection
Note 1
Feeder Base I/O
-U69
(UB24)
Sending Start 1
Sending Start 2
Sending Ready
Communication
Ready
Feeder Base
Connection Check
Drawer Connector for Feeder 25
Drawer Connector for Feeder 24
Drawer Connector for Feeder 23
Drawer Connector for Feeder 22
Drawer Connector for Feeder 21
Drawer Connector for Feeder 20
Drawer Connector for Feeder 19
Drawer Connector for Feeder 18
Drawer Connector for Feeder 17
Drawer Connector for Feeder 16
Drawer Connector for Feeder 15
Drawer Connector for Feeder 14
Drawer Connector for Feeder 13
Drawer Connector for Feeder 12
Drawer Connector for Feeder 11
Drawer Connector for Feeder 10
Drawer Connector for Feeder 09
Drawer Connector for Feeder 08
Drawer Connector for Feeder 07
Drawer Connector for Feeder 06
Drawer Connector for Feeder 05
Drawer Connector for Feeder 04
Drawer Connector for Feeder 03
Drawer Connector for Feeder 02
Drawer Connector for Feeder 01
UB24 I/OUB24 I/O
UB24 I/OUB24 I/O
UB24 I/O
板板
板板
板
(1) (1)
(1) (1)
(1)
送料器安装台送料器安装台
送料器安装台送料器安装台
送料器安装台
DD
DD
D