GXH—1.pdf - 第211页
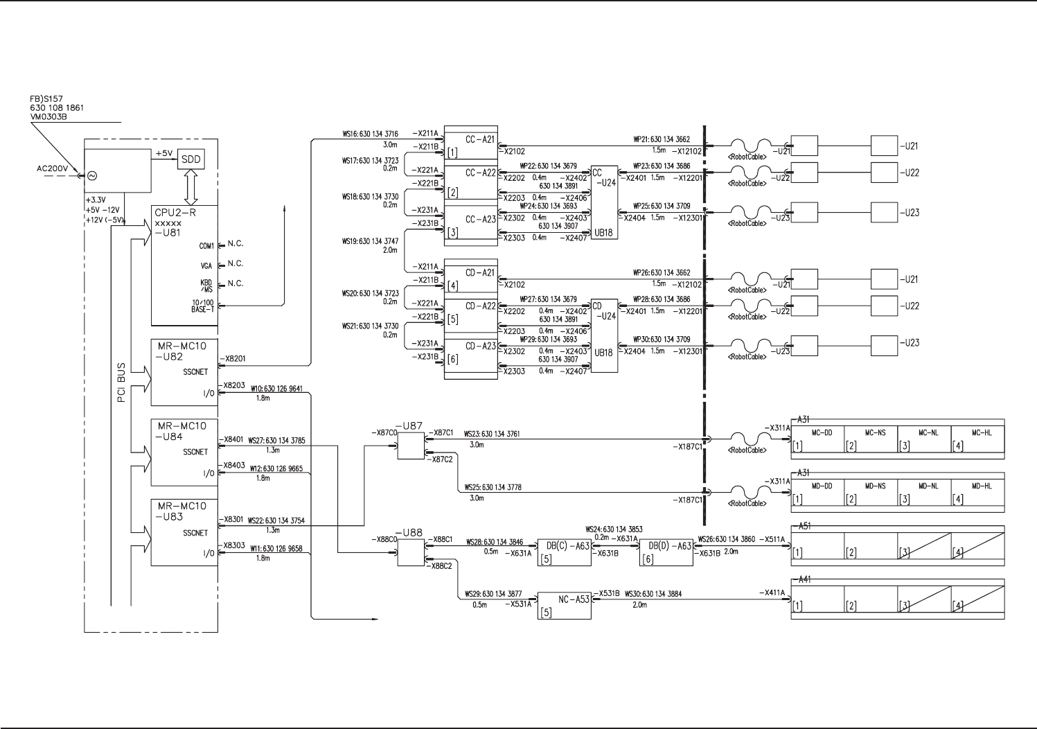
5-4 0508-003 D(M803JSB--2004) CPU2-R CPU2-R CPU2-R CPU2-R CPU2-R 电缆连接资料 电缆连接资料 电缆连接资料 电缆连接资料 电缆连接资料 1 1 1 1 1 CPU2-R CPU2-R CPU2-R CPU2-R CPU2-R 电缆连接资料 电缆连接资料 电缆连接资料 电缆连接资料 电缆连接资料 1 1 1 1 1 (6-Axle X2ch) T o HUB (U72) Cu…

5-30508-003 E(M803JSB--2003)
CPU2-L CPU2-L
CPU2-L CPU2-L
CPU2-L
电缆连接资料电缆连接资料
电缆连接资料电缆连接资料
电缆连接资料
22
22
2
CPU2-L CPU2-L
CPU2-L CPU2-L
CPU2-L
电缆连接资料电缆连接资料
电缆连接资料电缆连接资料
电缆连接资料
22
22
2
UB14
(Power Supply Section)
UA53
(Input/Output Machines)
UB14 (Transfer)
UB14
(Cutter Positioning, Rear)
Terminal Switching Circuit
UB13
(Operation Panel, Rear)
UB13
(Light Tower)
Linear Measure Sensor
Slip Ring
Terminal Switching
Circuit
UB13
(Operation Panel, Front)
Linear Measure Sensor
Slip Ring
UB22
(Head Movable Section)
For Feeder
Feeder Serial
-U86
UB22
(Head Movable Section)
UB24
(Feeder Base)
UB24
(Feeder Base)
UB14
(Cutter Positioning, Front)

5-40508-003 D(M803JSB--2004)
CPU2-R CPU2-R
CPU2-R CPU2-R
CPU2-R
电缆连接资料电缆连接资料
电缆连接资料电缆连接资料
电缆连接资料
11
11
1
CPU2-R CPU2-R
CPU2-R CPU2-R
CPU2-R
电缆连接资料电缆连接资料
电缆连接资料电缆连接资料
电缆连接资料
11
11
1
(6-Axle X2ch)
To HUB (U72)
Cutter (D)
Beam Y2
Beam Y1
Beam X
Beam Y2
Beam Y1
Beam X
Cutter (C)
Conveyor C
Backup 1
To BR-U05 (UA54:ILB)
<Connector Relay Panel in Beam Section>
Converter
Converter
Converter
Linear
Encoder
Linear
Encoder
Linear
Encoder
Converter
Converter
Converter
Linear
Encoder
Linear
Encoder
Linear
Encoder
Head #1
Head Rotation
Head #1
Nozzle Selection
Head #1
Head U/D
Head #1
Nozzle U/D
Head #1
Head Rotation
Head #1
Nozzle Selection
Head #1
Head U/D
Head #1
Nozzle U/D
Conveyor R
Transfer
Conveyor C
Transfer 1
Conveyor R
Conveyor Width 1
Conveyor R
Conveyor Width 2
(6-Axle X2ch)
(6-Axle X2ch)
HIRAKAWA HEWTECH CORP.

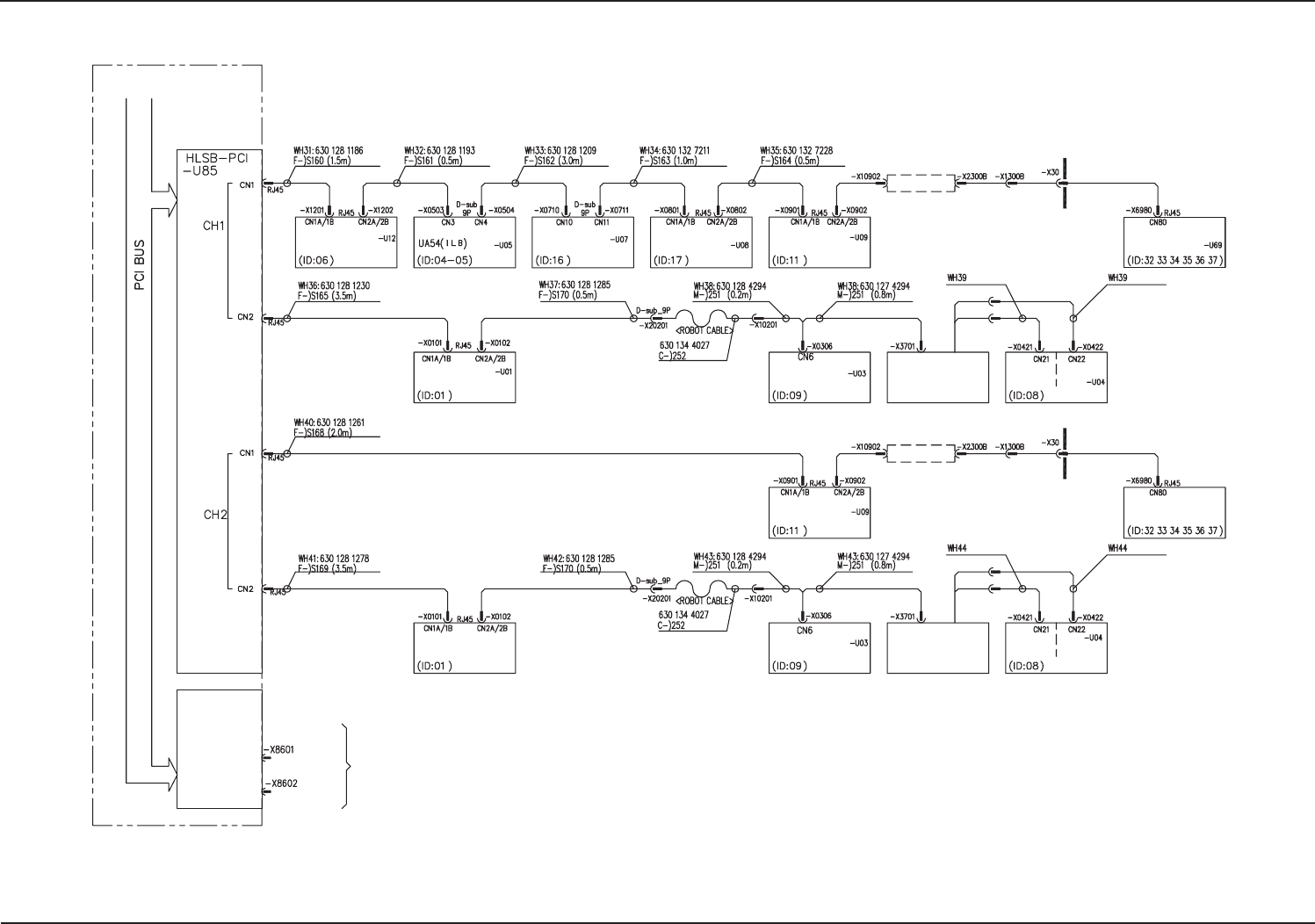
5-50508-003 E(M803JSB--2005)
CPU2-R CPU2-R
CPU2-R CPU2-R
CPU2-R
电缆连接资料电缆连接资料
电缆连接资料电缆连接资料
电缆连接资料
22
22
2
CPU2-R CPU2-R
CPU2-R CPU2-R
CPU2-R
电缆连接资料电缆连接资料
电缆连接资料电缆连接资料
电缆连接资料
22
22
2
UB14
(Power Supply Section)
UA53
(Input/Output Machines)
UB14 (Transfer)
UB14
(Cutter Positioning, Rear)
Terminal Switching
Circuit
UB13
(Operation Panel, Rear)
Linear Measure Sensor
Slip Ring
UB14
(Cutter Positioning, Front)
Terminal Switching
Circuit
UB13
(Operation Panel, Front)
Linear Measure Sensor
Slip Ring
UB22
(Head Movable Section)
For Feeder
Feeder Serial
-U86
UB22
(Head Movable Section)
UB24
(Feeder Base)
UB24
(Feeder Base)