GXH—1.pdf - 第107页
4-14 T o BF (D) -U21 X-Axis SMD T o BF (A) -U22 Y1-Axis SMD T o BF (A) -U23 Y2-Axis SMD T o BF (A) -U21 X-Axis SMD T o BF (B) -U22 Y1-Axis SMD T o BF (B) -U23 Y2-Axis SMD T o BF (B) -U21 X-Axis SMD T o BF (C) -U22 Y1-Axi…

4-130411-002 -(M803WA---2001)
综合模块连接图综合模块连接图
综合模块连接图综合模块连接图
综合模块连接图
(D(D
(D(D
(D
部详细图部详细图
部详细图部详细图
部详细图
))
))
)
Light Tower
Nozzle Stocker Detection Sensor
Nozzle Stocker Solenoid Valve
P.C.B. Transfer Solenoid Valve
P.C.B. Transfer Detection Sensor
Nozzle Stocker Solenoid Valve
Nozzle Stocker Detection Sensor
DC-CT Limit Sensor
Cutter
NC-B1 Limit Sensor
Backup
DD-CT Limit Sensor
Cutter
Component Recognition
Camera
Lighting for
Component Recognition
Lighting for
Component
Recognition
Light Source
NR-L P.C.B. Detection Sensor
NC-L1 P.C.B. Detection Sensor
4-Axis Servoamplifier
Sensor Input
4-Axis Servoamplifier
Sensor Input
NR-W1 Limit Sensor
NR-W2 Limit Sensor
Vacuum Pump
Feeder Base U/D Solenoid Valve
Feeder Base Position Detection Sensor
Lifted Suppressor Detection Sensor
Track Ball
Keyboard (Front Side)
Operation
Switch
Safety Relay
Unit
Pressure
Switch
Feeder
Feeder
Feeder
Robot Cable
Converter
Interlock and
Solenoid Valve
Solenoid Valve
Solenoid Valve
Sensor Input
4-Axis Servoamplifier
Linear Measure
Sensor
(Amplifier)
Slip Ring
Head U/D Limit Sensor
Head U/D
Nozzle U/D
Nozzle U/D Limit Sensor
Nozzle Selection
Head rotation [%]
Nozzle Selection
Position Sensor
P.E.C. Recognition
Lighting
P.E.C. Recognition
Camera
Linear Measure
Sensor
Light Emitter
Linear Measure
Sensor
Light Receiver
Solenoid Valve
Ter m in a to r
Y2 Axis
Y1 Axis
X Axis
Robot Cable
Y-Axis Limit Sensor
X-Axis Limit Sensor
Y-Axis Approach Detection Sensor
Linear Cable Y2
Beam Y2
Linear Cable Y1
Beam Y1
Linear Cable X
Beam X
External LAN
(Input/Output Machines and PC)
Stage Ready
Switch
Cover Switch
Emergency
Stop Switch
Emergency
Stop Switch
Cover Switch
AC Power Control
X/Y-Axis Breaker and
Main Power Control
综合模块连接图综合模块连接图
综合模块连接图综合模块连接图
综合模块连接图
(D(D
(D(D
(D
部详细图部详细图
部详细图部详细图
部详细图
))
))
)

4-14
To BF (D) -U21
X-Axis SMD
To BF (A) -U22
Y1-Axis SMD
To BF (A) -U23
Y2-Axis SMD
To BF (A) -U21
X-Axis SMD
To BF (B) -U22
Y1-Axis SMD
To BF (B) -U23
Y2-Axis SMD
To BF (B) -U21
X-Axis SMD
To BF (C) -U22
Y1-Axis SMD
To BF (C) -U23
Y2-Axis SMD
To BF (C) -U21
X-Axis SMD
To BF (D) -U22
Y1-Axis SMD
To BF (D) -U23
Y2-Axis SMD
Power Supply
200 V AC for
Multi-Layer Tray (A)
Power Supply
200 V AC for
Multi-Layer Tray (C)
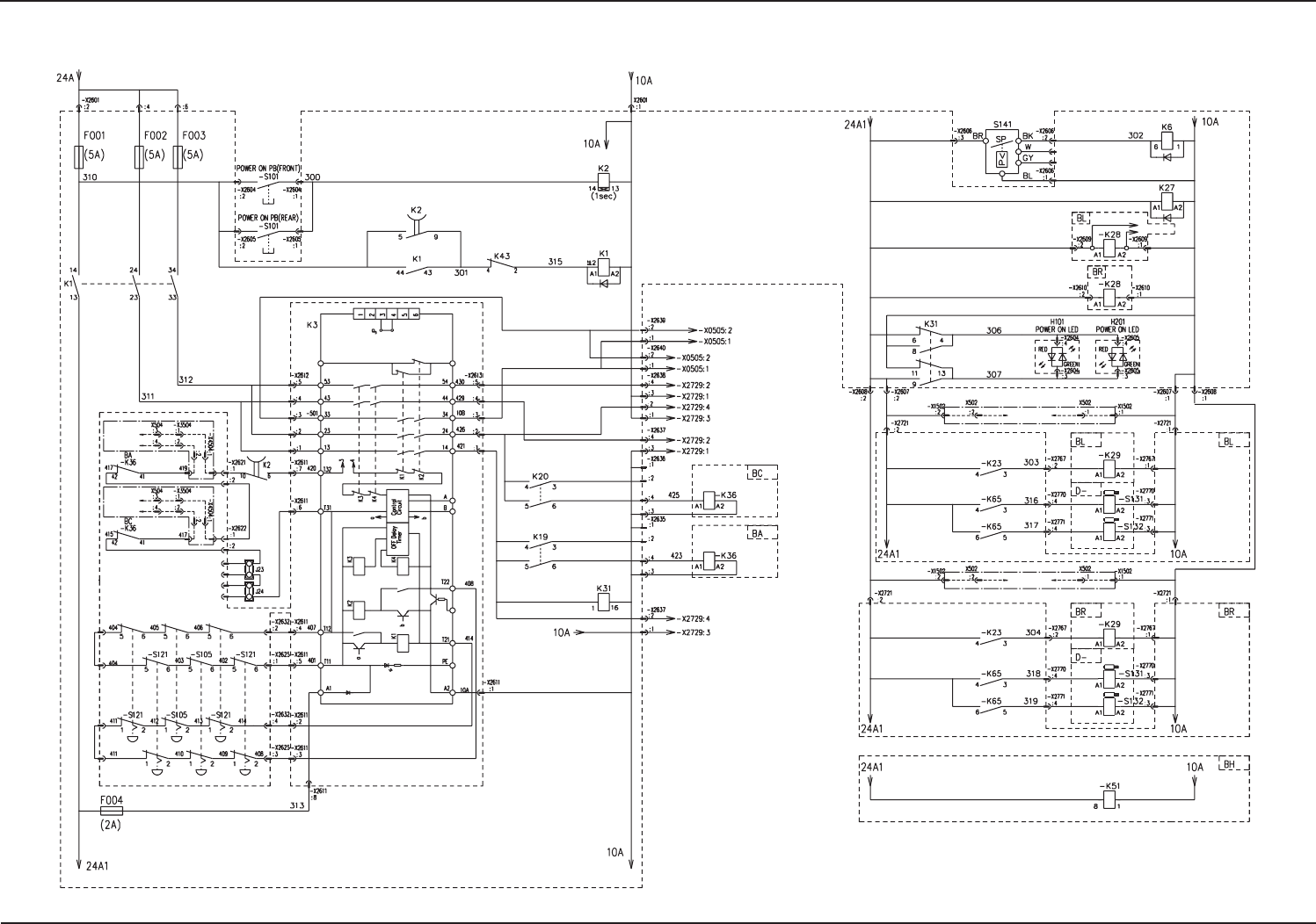
电源部电源部
电源部电源部
电源部
11
11
1
0411-002 B(M803WB---2001)
电源部电源部
电源部电源部
电源部
11
11
1

4-15
电源部电源部
电源部电源部
电源部
((
((
(
共享继电器电路共享继电器电路
共享继电器电路共享继电器电路
共享继电器电路
))
))
)
0505-003 B(M803WB---2002)
电源部电源部
电源部电源部
电源部
((
((
(
共享继电器电路共享继电器电路
共享继电器电路共享继电器电路
共享继电器电路
))
))
)
U26 (UB20/Relay Board 1)
Power Supply
for Controls
Power Interception
Conveyor Main
Power Supply Control
Conveyor Main
Power Supply Control
Emergency Stop 1
Emergency Stop 2 Emergency Stop 3
Emergency Stop 4 Emergency Stop 5
Emergency Stop 6
Power Supply Delay timer
Power Supply for Controls
To Emergency Stop Safety
Monitor
ST1 Side ILB
To Emergency Stop Safety
Monitor
ST2 Side ILB
To BR Relay Board
To BR Relay Board
To BL Relay Board
Power ON LED (Green) ON
To BL Relay Board
Multi-Layer
Tray (L)
Multi-Layer
Tray (R)
NR Module
Main Power Supply ON
NR-L, NC-L1, NC-L2
NL Module Main Power Supply ON
NL-L, NA-L1, NA-L2, NB-L1, NB-L2
Pressure Switch
Air Pressure
Drop Detection
HLS Input
Power Supply
Control PC Group
Power Supply 1
Control PC Group
Power Supply 2
-U27 (UB21/Relay Board 2)
Vacuum Pump 1 Power Control
Cover (Rear) Lock Control
Cover (Front) Lock Control
Vacuum Pump 1
Power Supply
Vacuum Pump 2
Power Supply
-U27 (UB21/Relay Board 2)
Vacuum Pump 2 Power Control
Cover (Rear) Lock Control
Cover (Front) Lock Control
Fan Power Supply
Note 2
Note 2
Power Supply to
Safety Circuit for
Multi-Layer Tray (L)
Power Supply to
Safety Circuit for
Multi-Layer Tray (R)
to BH-K51