GXH—1.pdf - 第155页
4-62 041 1-002 -(M803WF---2015) CPU2-L(5) CPU2-L(5) CPU2-L(5) CPU2-L(5) CPU2-L(5) Back Plane Satellite Transmission + Center + Center - Satellite Transmission - Connector Case BL ch1-1 -U12 (UB14) Main Body -X1201 (CN1) …

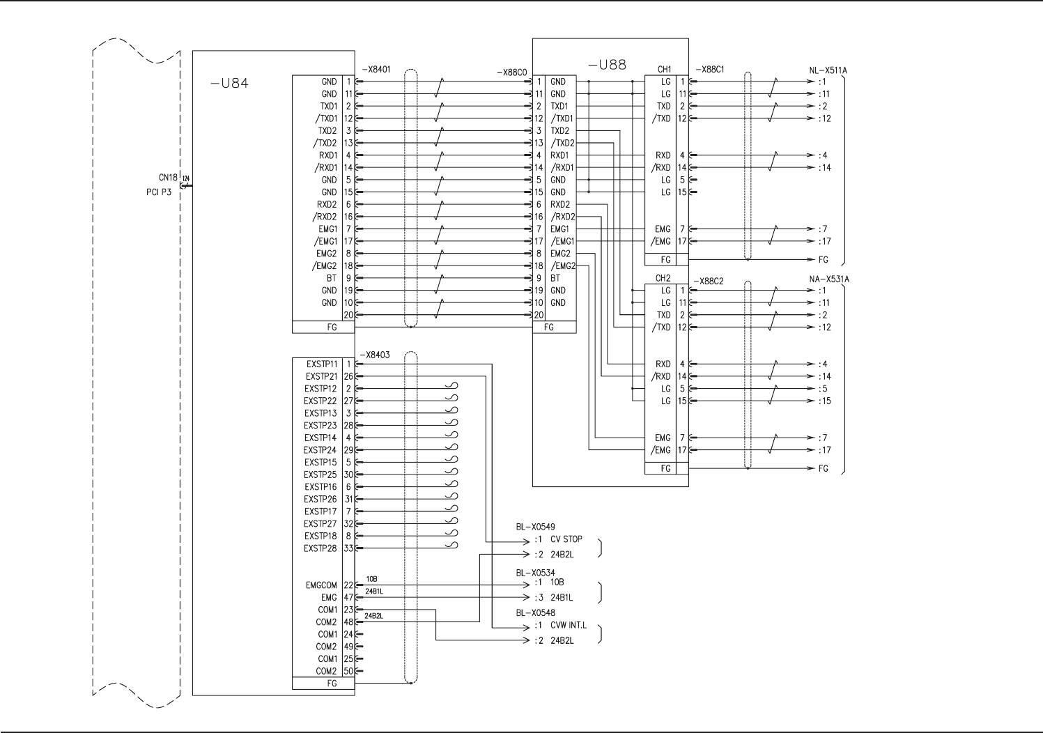
4-610411-002 A(M803WF---2014)
CPU2-L(4)CPU2-L(4)
CPU2-L(4)CPU2-L(4)
CPU2-L(4)
Back Plane
Motion Control ID: 2
SSC Connector
I/O Connector
SSCNET Distribution 1
To NL-A51
Multiaxis Driver (CN1)
To NA-A53
NA-B1 (CN1)
To BL-U05
UA54 (CN49)
To BL-U05
UA54 (CN34)
To BL-U05
UA54 (CN48)
CPU2-L(4)CPU2-L(4)
CPU2-L(4)CPU2-L(4)
CPU2-L(4)

4-620411-002 -(M803WF---2015)
CPU2-L(5)CPU2-L(5)
CPU2-L(5)CPU2-L(5)
CPU2-L(5)
Back Plane
Satellite
Transmission +
Center +
Center -
Satellite
Transmission -
Connector Case
BL ch1-1
-U12 (UB14) Main Body
-X1201 (CN1)
F (L) ch1-2
-U01 (UB13) Operation Panel (Rear)
-X0101 (CN1)
D (B) ch2-1
-U09 (UB14) Positioning
-X0901 (CN1)
F (L) ch2-2
-U01(UB13) Operation Panel (Front)
-X0101 (CN1)
Satellite
Transmission +
Center +
Center -
Satellite
Transmission -
Connector Case
Satellite
Transmission +
Center +
Center -
Satellite
Transmission -
Connector Case
Satellite
Transmission +
Center +
Center -
Satellite
Transmission -
Connector Case
CPU2-L(5)CPU2-L(5)
CPU2-L(5)CPU2-L(5)
CPU2-L(5)

4-630411-002 -(M803WF---2016)
CPU2-L(6)CPU2-L(6)
CPU2-L(6)CPU2-L(6)
CPU2-L(6)
Connector Case
RS232C Connector
Dsub37/Dsub9×4 Conversion Connector Cable
Connector Case
Feeder Base A Serial Communication
Q (A) -X28601
To Dsub9 Connector for Batch Connector Relay
Feeder Base B Serial Communication
Q (B) -X28602
To Dsub9 Connector for Batch Connector Relay
Back Plane
Connector Case
Connector Case
Connector Case
CPU2-L(6)CPU2-L(6)
CPU2-L(6)CPU2-L(6)
CPU2-L(6)