GXH—1.pdf - 第143页
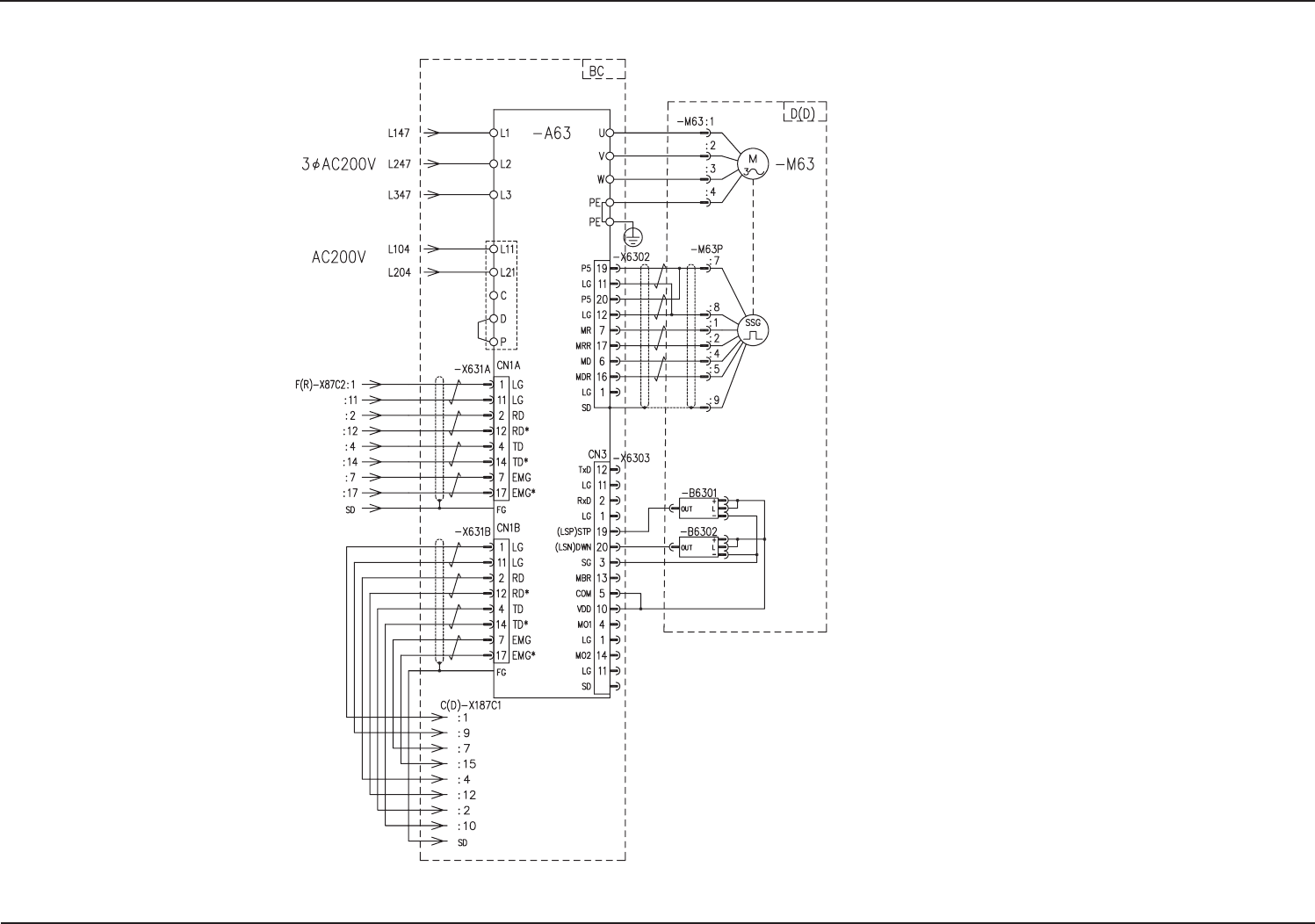
4-50 0411-002 -(M803WD---2042) CPU2-R From SSCNET Separation Board (-U87) DD-CT Axis MD-DD, MD-NS, MD-NL, and MD-HL Axes (Multiaxis Driver) T o Robot Cable Relay Connector (-X187C1) Note 1 Origin (+) Note 1 Origin (-) Pl…

4-490505-003 C(M803WD---2041)
UB14 I/OUB14 I/O
UB14 I/OUB14 I/O
UB14 I/O
板板
板板
板
((
((
(
定位定位
定位定位
定位
)D)D
)D)D
)D
UB14 I/OUB1 4 I/O
UB14 I/OUB1 4 I/O
UB14 I/O
板板
板板
板
((
((
(
定位定位
定位定位
定位
)D)D
)D)D
)D
From Recycle Conveyor D
Relay Connector -X13112
Recycle Conveyor D
Full Detection (Option)
From Recycle Conveyor D
Relay Connector -X13112
Positioning
Connector Case
Feeder Base Y-Direction
Positioning Check 1
Feeder Base Y-Direction
Positioning Check 2
Lift Section Feeder Base
Detection 1
Lift Section Feeder Base
Detection 2
Feeder Base/Main Body
Connection Check
Cylinder Lower
Limit Detection
Cylinder Upper
Limit Detection
From Batch Connector
Relay -X10916 for
Feeder Base Connection
Blue
Black
Brown
Blue
Black
Brown
Blue
Black
Brown
Nozzle Stocker Unit
Lower Limit Detection 1
Nozzle Stocker Shutter
Closing Check 1
Nozzle Stocker
Clamping Check 1
Nozzle Stocker Unit
Lower Limit Detection 2 (Option)
Nozzle Stocker Shutter
Closing Check 2 (Option)
Nozzle Stocker
Clamping Check 2 (Option)
Blue
Black
Brown
Blue
Black
Brown
Blue
Black
Brown
Blue
White
Brown
Black
Blue
White
Brown
Black
Recycle Conveyor D
Output Position
Detection (Option)
Blue
Black
Brown
To Recycle Conveyor D
Relay Connector -X13112
Recycle Conveyor D
Run/Break Signal (Option)
Recycle Conveyor D
Start/Stop Signal (Option)
Recycle Conveyor D
Alarm Reset Signal
(Option)
Feeder Base HLS Terminal Switching Circuit
To BC Block Panel -X10902
(To MD-U25
UB19 (X7))
To Robot Cable Relay Connector
Feeder Base
Ascending
Feeder Base
Descending
Nozzle Stocker
Shutter Open
Nozzle Stocker
Ascending 1
Air Vacuum Switchover
Air Blowing
Nozzle Stocker
Ascending 2 (Option)

4-500411-002 -(M803WD---2042)
CPU2-R
From SSCNET
Separation Board (-U87)
DD-CT Axis
MD-DD, MD-NS, MD-NL, and
MD-HL Axes (Multiaxis Driver)
To Robot Cable Relay
Connector (-X187C1)
Note 1
Origin (+)
Note 1
Origin (-)
Plate
切割器切割器
切割器切割器
切割器
DD
DD
D
切割器切割器
切割器切割器
切割器
DD
DD
D
注注
注注
注
1 . 1 .
1 . 1 .
1 .
原点原点
原点原点
原点
(+)(+)
(+)(+)
(+)
为马达安装侧,原点为马达安装侧,原点
为马达安装侧,原点为马达安装侧,原点
为马达安装侧,原点
(-)(-)
(-)(-)
(-)
为切割器更换位置侧。为切割器更换位置侧。
为切割器更换位置侧。为切割器更换位置侧。
为切割器更换位置侧。

4-510508-003 B(M803WD---2043)
送料器安装台送料器安装台
送料器安装台送料器安装台
送料器安装台
D D
D D
D
批量连接器连接批量连接器连接
批量连接器连接批量连接器连接
批量连接器连接
送料器安装台送料器安装台
送料器安装台送料器安装台
送料器安装台
D D
D D
D
批量连接器连接批量连接器连接
批量连接器连接批量连接器连接
批量连接器连接
Feeder Base Connection
Check Signal
To D (D)-U09 (UB14)
- X0916 (CN16)
From RS232C
CPU2-R
Serial Board
(Dsub9-2)
DC 24 V Power Supply
for Feeders
Main Body Side
Batch Connector for Feeder Base Connection
B Module
(12 Pins)
C Module
(12 Pins)
D Module
(12 Pins)
A Module
(Air)
Connector Case
Back
Face
(Option Circuit for Tape Feeder Installation Jig)
Pneumatic Piping
HLS Serial Communication
From D (D) ch2-1
-U09 (UB14) Positioning
-X0902 (CN2)