GXH—1.pdf - 第112页
4-19 0508-003 B(M803WBL--2004) UA54 I/O UA54 I/O UA54 I/O UA54 I/O UA54 I/O 板 板 板 板 板 ILB-IN 2(L) ILB-IN 2(L) ILB-IN 2(L) ILB-IN 2(L) ILB-IN 2(L) UA54 I/O UA54 I/O UA54 I/O UA54 I/O UA54 I/O 板 板 板 板 板 ILB-IN 2(L) ILB-IN …

4-180505-004 C(M803WBL ---2003)
UA54 I/OUA54 I/O
UA54 I/OUA54 I/O
UA54 I/O
板板
板板
板
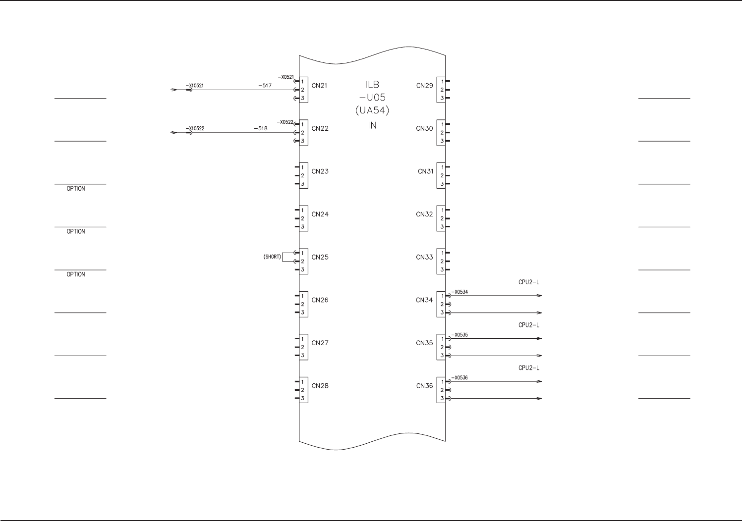
ILB-IN 1(L) ILB-IN 1(L)
ILB-IN 1(L) ILB-IN 1(L)
ILB-IN 1(L)
UA54 I/OUA54 I/O
UA54 I/OUA54 I/O
UA54 I/O
板板
板板
板
ILB-IN 1(L) ILB-IN 1(L)
ILB-IN 1(L) ILB-IN 1(L)
ILB-IN 1(L)
-U12 (UB14) Main Body
(From K3 34)
(From -K4 34)
(From K3 33)
(From -K4 33)
Emergency Stop
Safety Monitor
Safety Monitor for
Left Cover
Disengaged Suppressor
Detection (A)
Disengaged Suppressor
Detection (B)
Multi-Layer Tray (L)
Multi-Layer Tray (L)
Blue
Black
Brown
Blue
Black
Brown
Feeder Disengaged
Latch Detection (A)
Feeder Disengaged
Latch Detection (B)
Orange
Orange
From A-B3101 OUT
From B-B3101 OUT
CB Error (A-Y2) CB Error (A-Y1) CB Error (A-X) CB Error (Beam A Integral)
CB Error (B-Y2) CB Error (B-Y1) CB Error (B-X) CB Error (Beam B Integral)
From MA-B3103 OUT
Nozzle U/D Interlock (MA)
Nozzle U/D Interlock (MB)
Beam A Main Power OFF
Detection
Beam B Main Power OFF
Detection
Beam A CB Error Monitor
Beam B CB Error Monito
r
Head U/D Interlock (MA)

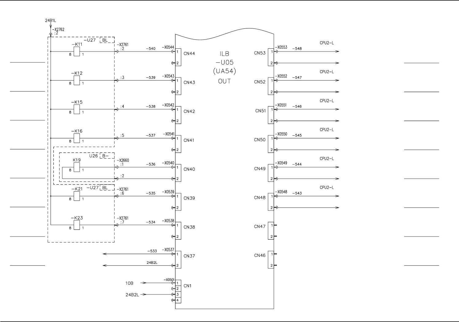
4-190508-003 B(M803WBL--2004)
UA54 I/OUA54 I/O
UA54 I/OUA54 I/O
UA54 I/O
板板
板板
板
ILB-IN 2(L) ILB-IN 2(L)
ILB-IN 2(L) ILB-IN 2(L)
ILB-IN 2(L)
UA54 I/OUA54 I/O
UA54 I/OUA54 I/O
UA54 I/O
板板
板板
板
ILB-IN 2(L) ILB-IN 2(L)
ILB-IN 2(L) ILB-IN 2(L)
ILB-IN 2(L)
Head U/D Interlock
(MB)
Motion Control Board -U82
From MB-B3103
OUT
Power Supply
Power Supply
Power Supply
Motion Control Board -U84
-X8203: To 22
-X8203: To 47
-X8303: To 22
-X8303: To 47
Motion Control Board -U83
-X8303: To 47
-X8303: To 22
From N(R)-Y0835
OUT
Transfer R
Z Clamp
Multi-Layer Tray SW
Multi-Layer Tray SW
SSC-NET Path Change

4-200411-002 C(M803WBL--2005)
Reserved 3
Beam A
Main Power Control
Beam B
Main Power Control
MA Module
Main Power Control
MB Module
Main Power Control
Conveyor L
Main Power Control 1
Conveyor L
Main Power Control 2
Vacuum Pump 1
Power Control
Motion Control Board -U82
-X8203: To 1
-X8203: To 23
Motion Control Board -U82
-X8203: To 2
-X8203: To 48
Motion Control Board -U83
-X8303: To 1
-X8303: To 23
Motion Control Board -U83
-X8303: To 26
-X8303: To 48
Motion Control Board -U84
-X8403: To 26
-X8403: To 48
Beam A
Emergency Stop Command
Beam B
Emergency Stop Command
MA Module
Emergency Stop Command
MB Module
Emergency Stop Command
Conveyor L
Emergency Stop Command
Reserved 2
Motion Control Board -U84
-X8403: To 1
-X8403: To 23
Conveyor Width L Interlock
-X0702: To 2
-X0702: To 1
Power ON for
Input/Output Machines
I/F (L)-U07 for
Input/Output Machines
UA54 I/OUA54 I/O
UA54 I/OUA54 I/O
UA54 I/O
板板
板板
板
ILB-OUT(L) ILB-OUT(L)
ILB-OUT(L) ILB-OUT(L)
ILB-OUT(L)
UA54 I/OUA54 I/O
UA54 I/OUA54 I/O
UA54 I/O
板板
板板
板
ILB-OUT(L) ILB-OUT(L)
ILB-OUT(L) ILB-OUT(L)
ILB-OUT(L)