GXH—1.pdf - 第183页
4-90 041 1-002 -(M803WQ---2011) UB 1 7 UB 1 7 UB 1 7 UB 1 7 UB 1 7 电源分配板送料器安装台 电源分配板送料器安装台 电源分配板送料器安装台 电源分配板送料器安装台 电源分配板送料器安装台 A A A A A Feeder Power Distribution -U68 (UB17) Drawer Connector for Feeder 25 Drawer Connect…

4-890508-003 -(M803WN---2014)
NRNR
NRNR
NR
、、
、、
、
NCNC
NCNC
NC
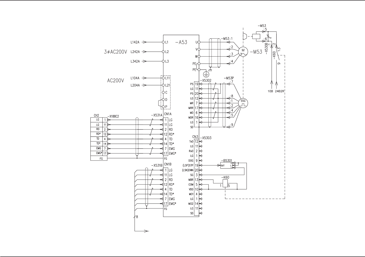
传送带马达电路图传送带马达电路图
传送带马达电路图传送带马达电路图
传送带马达电路图
(3)(3)
(3)(3)
(3)
NC-B1 Axis
CPU2-R
SSCNET
Distribution Board
(-U88)
Plate
NL-L, NA-L1, and NB-L1 Axis
X411A
Brake
NRNR
NRNR
NR
、、
、、
、
NCNC
NCNC
NC
传送带马达电路图传送带马达电路图
传送带马达电路图传送带马达电路图
传送带马达电路图
(3)(3)
(3)(3)
(3)

4-900411-002 -(M803WQ---2011)
UB1 7 UB1 7
UB1 7 UB1 7
UB1 7
电源分配板送料器安装台电源分配板送料器安装台
电源分配板送料器安装台电源分配板送料器安装台
电源分配板送料器安装台
AA
AA
A
Feeder Power Distribution
-U68
(UB17)
Drawer Connector for Feeder 25
Drawer Connector for Feeder 24
Drawer Connector for Feeder 23
Drawer Connector for Feeder 22
Drawer Connector for Feeder 21
Drawer Connector for Feeder 20
Drawer Connector for Feeder 19
Drawer Connector for Feeder 18
Drawer Connector for Feeder 17
Drawer Connector for Feeder 16
Drawer Connector for Feeder 15
Drawer Connector for Feeder 14
Drawer Connector for Feeder 13
Drawer Connector for Feeder 12
Drawer Connector for Feeder 11
Drawer Connector for Feeder 10
Drawer Connector for Feeder 09
Drawer Connector for Feeder 08
Drawer Connector for Feeder 07
Drawer Connector for Feeder 06
Drawer Connector for Feeder 05
Drawer Connector for Feeder 04
Drawer Connector for Feeder 03
Drawer Connector for Feeder 02
Drawer Connector for Feeder 01
Offline Control
To -U69 (UB24) and CN40
Batch Connector for Feeder Base Connection
A Module
(Air)
B Module
(12 pins)
C Module
(12 pins)
D Module
(12 pins)
Outside Notification
(Unclamping)
External Command
(Feeder Clamping)
Outside Notification
(Clamping)
To Solenoid Valve
Feeder Base
Serial Communication
To -U67 (UB16) and CN27
HLS Communication
To -U69 (UB24) and CN80
DC 24 V Power for Feeder Base
(Serial Communication)
To -U67 (UB16) and CN29
DC 24 V Power Supply
(HLS) for Feeder Base
To -U69 (UB24) and CN70
Offline Control
To -U69 (UB24) and CN61
Offline Control
To -U69 (UB24) and CN60
UB1 7 UB1 7
UB1 7 UB1 7
UB1 7
电源分配板送料器安装台电源分配板送料器安装台
电源分配板送料器安装台电源分配板送料器安装台
电源分配板送料器安装台
AA
AA
A

4-910411-002 -(M803WQ---2012)
UB24 I/OUB24 I/O
UB24 I/OUB24 I/O
UB24 I/O
板板
板板
板
(1) ( 1 )
(1) ( 1 )
(1)
送料器安装台送料器安装台
送料器安装台送料器安装台
送料器安装台
AA
AA
A
UB24 I/OUB24 I/O
UB24 I/OUB24 I/O
UB24 I/O
板板
板板
板
( 1) ( 1)
( 1) ( 1)
( 1)
送料器安装台送料器安装台
送料器安装台送料器安装台
送料器安装台
AA
AA
A
HLS Communication
D (A) -X300B
From Batch Connector
for Feeder Base Connection
Note 1
Feeder Base I/O
-U69
(UB24)
Sending Start 1
Sending Start 2
Sending Ready
Communication
Ready
Feeder Connection
Check
Drawer Connector for Feeder 25
Drawer Connector for Feeder 24
Drawer Connector for Feeder 23
Drawer Connector for Feeder 22
Drawer Connector for Feeder 21
Drawer Connector for Feeder 20
Drawer Connector for Feeder 19
Drawer Connector for Feeder 18
Drawer Connector for Feeder 17
Drawer Connector for Feeder 16
Drawer Connector for Feeder 15
Drawer Connector for Feeder 14
Drawer Connector for Feeder 13
Drawer Connector for Feeder 12
Drawer Connector for Feeder 11
Drawer Connector for Feeder 10
Drawer Connector for Feeder 09
Drawer Connector for Feeder 08
Drawer Connector for Feeder 07
Drawer Connector for Feeder 06
Drawer Connector for Feeder 05
Drawer Connector for Feeder 04
Drawer Connector for Feeder 03
Drawer Connector for Feeder 02
Drawer Connector for Feeder 01