G5S资料(1).pdf - 第137页
4-14 5OM-1750 1305-002A(31010WB--1002) DC24(24A、24G)回路 1 2 3 4 5 6 7 8 A B C D E F L120 K77 K75 K1A K1B G3 F5 F2 G1 13 14 23 24 33 34 43 44 13 14 23 24 33 34 43 44 [B-/06/1C] to X30B [B-/01/5E] L220 L320 from Q206 24A 24…

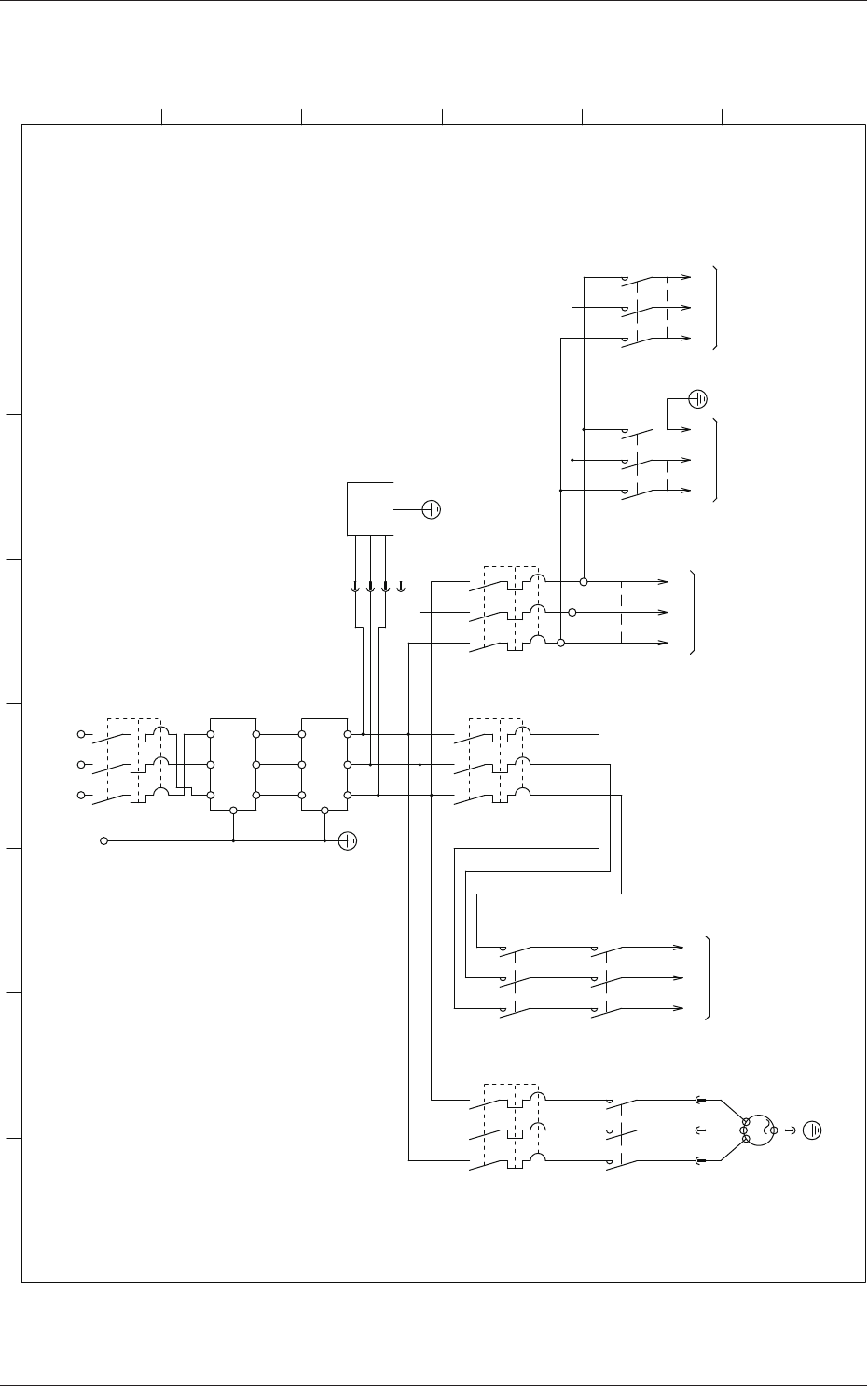
4-13
5OM-1750
1303-001-(31010WB---1001)
AC200V 回路
3101011C30
44W2004737
3101011C30
G1,3ラインのみ
3
M
L3L2L1
Z2
K29
M66
3 5
4 6
1
2
L131
L231
L331
3 5
4 6
1
2
3 5
4 6
1
2
L330
L230
L130
Q205
Z1
PE
3 5
4 6
1
2
3 5
4 6
1
2
L31
L21
L11
L110
L210
L310
L111
L211
L311
L232L132 L332
L220L120 L320
L221L121 L240L140 L340
[B-/03/2B]
to G2
[R-/01/3A]
to G21 Inlet
to X30B,X30F
[C-/01/1A]
to A21B,A22B,A23B
A21F,A22F,A23F 主電源
[C-/01/1D]
[C-/01/5B] [C-/02/1A]
[C-/02/1D] [C-/02/5B]
[B-/06/1B]
to G1,G3 main
[B-/02/1A]
:1 :2 :3
X:M66
[C-/01/1A]
to A21B,A22B,A23B
A21F,A22F,A23F 制御電源
[C-/01/1D]
[C-/01/5C] [C-/02/1A]
[C-/02/1D] [C-/02/5C]
L300
L200
L100
F200
[B-/07/1B]
E
[R-/01/8A]
to AC-DC Adaoper Inlet
Noise Filter
3 2 1
6 5 4
L30
L20
L10
:4
U
V
W
E
1
2
3
XF200:1
:2
:3
:4
Noise Filter
Main Breaker
Lightning Surge Protecter
Vacuum Pump
Circuit
Protecter
Relay
4A
Q221
Circuit
Protecter
30A
Q206
30A
Q200
50A
K33B
Relay
K33A
Relay
K28
Relay
K10
Relay
3 2 1
6 5 4
Circuit
Protecter
1 2 3 4 5 6 7 8
A
B
C
D
E
F

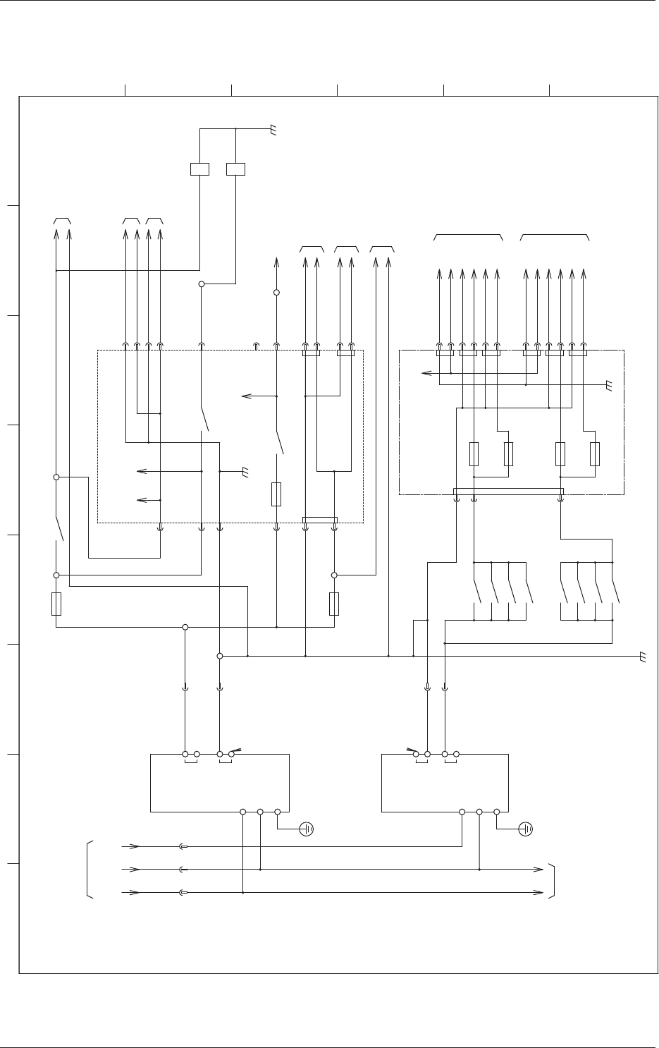
4-14
5OM-1750
1305-002A(31010WB--1002)
DC24(24A、24G)回路
1 2 3 4 5 6 7 8
A
B
C
D
E
F
L120
K77
K75
K1A
K1B
G3
F5
F2
G1
13 14
23 24
33 34
43 44
13 14
23 24
33 34
43 44
[B-/06/1C]
to X30B
[B-/01/5E]
L220
L320
from Q206
24A
24A0
U27
XG0
:A1 :A2 :A3
XG1:2
XG1:1
XG1:4
XG1:3
X2712:4
X2713:4
[B-/03/1B]
to A31B-CNP1
[B-/04/5B]
to A31F-CNP1
X2701:7
X2701:4
X2701:3
X2701:6
X2721:2,4
K25
[D-/01/2B]
to U01-X2
5
1
K1B
K28
A2
A1
F21
F23
F25
X27111:2,4
X27111:1,3
X27112:2,4
X27112:1,3
X27113:2,4
X27113:1,3
X27114:2,4
X27114:1,3
24G1A
10
24G1B
10
24G2A
10
24G2B
10
X2715:3
X2715:4
[B-/07/1C]
to X30F
U27
24G1
24G2
[B-/03/5E]
X2701:1,2
X2701:8
N.C
X2701:5
24A2
F7
24A1
24A6
[B-/03/5E] [F-/03/7A]
[D-/01/7B]
6.3A
6.3A
F27
6.3A
6.3A
6.3A
6.3A
24A2
24A6
24A3
24A3
6.3A
24A
10
24G
10
X27121:2
X27121:1
24A2
10
X27122:2
X27122:1
24A2
10
24A2
X2712:3
X2713:3
X2721:1,3
X2715:1,2 X15
X21 X12
X13
X121
X122
X111
X112
X113
X114
24A0
Switching Power
Supply
(L)
(N)
FG
+(24V)
-(GND)
(L)
(N)
FG
+(24V)
-(GND)
Switching Power
Supply
10
[C-/02/3C]
X27121:2
X27121:1
24A1
X27122:2
X27122:1
24A2
10
to U01-X2
[B-/06/1B]
to X30A2-B
[B-/07/1B]
to X30A2-F
[C-/02/3C] [C-/03/5C]
[C-/04/5C]
[D-/01/1B]
[D-/11/1A]
to G9

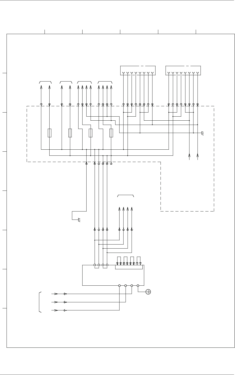
4-15
5OM-1750
1303-001-(31010WB---1003)
DC48V(48D)回路
1
2
3
4
7
8
+V
+S
-V
-S
PV
REF
CN1
9
10
CNT
TOG
G2
L140
[B-/01/7E]
L240
L340
from K10
[C-/03/1A]
to A31B-CNP1
[C-/04/1A]
to A31F-CNP1
U27
XG0
:B1 :B2 :B3
XG2
X2712:1
X2712:2
X2713:1
X2713:2
:A1
:A2
:B1
:B2
:A5
:B5
:A4
:B4
:A2
:B2
:A1
:B1
XCV-L
XCV-R
24A6
24A3
[B-/02/6D]
[R-/02/6B]
48D
[R-/03/7A]
to U95-CN1
10
48D
10
XG2
:A2
:A1
:B1
:B2
:A5
:B5
:A4
:B4
:A2
:B2
:A1
:B1
[DC/01/1A]
to A63B-CN1,11
[DC/02/1A]
to A63F-CN1,11
F13
6.3A
F14
6.3A
F15
6.3A
F16
6.3A
10
10
48D
48D
10
X2716
:4
:8
:3
:7
:2
:6
:1
:5
X2717
:4
:8
:3
:7
:2
:6
:1
:5
:B2
:B1
:A1
:A2
:A3
:B3
10
Swiching Power
Supply
L2
L3
FG
+(48V)
-(GND)
L1
X2718
:1
:2
:3
:4
X2719
:1
:2
:3
:4
1 2 3 4 5 6 7 8
A
B
C
D
E
F
1
2
3
4
7
8
+V
+S
-V
-S
PV
REF
CN1
9
10
CNT
TOG
G2
L140
[B-/01/7E]
L240
L340
from K10
[C-/03/1A]
to A31B-CNP1
[C-/04/1A]
to A31F-CNP1
U27
XG0
:B1 :B2 :B3
XG2
X2712:1
X2712:2
X2713:1
X2713:2
:A1
:A2
:B1
:B2
:A5
:B5
:A4
:B4
:A2
:B2
:A1
:B1
XCV-L
XCV-R
24A6
24A3
[B-/02/6D]
[R-/02/6B]
48D
[R-/03/7A]
to U95-CN1
10
48D
10
XG2
:A2
:A1
:B1
:B2
:A5
:B5
:A4
:B4
:A2
:B2
:A1
:B1
[DC/01/1A]
to A63B-CN1,11
[DC/02/1A]
to A63F-CN1,11
F13
6.3A
F14
6.3A
F15
6.3A
F16
6.3A
10
10
48D
48D
10
X2716
:4
:8
:3
:7
:2
:6
:1
:5
X2717
:4
:8
:3
:7
:2
:6
:1
:5
:B2
:B1
:A1
:A2
:A3
:B3
10
Swiching Power
Supply
L2
L3
FG
+(48V)
-(GND)
L1
X2718
:1
:2
:3
:4
X2719
:1
:2
:3
:4
1 2 3 4 5 6 7 8
A
B
C
D
E
F
左側搬送部
DC 電源供給コネクタ
右側搬送部
DC 電源供給コネクタ