G5S资料(1).pdf - 第60页
1-7 5OM-1750 8-2 8-2 8-2 8-3 8-2 8-2 8-2 8-1 8-1 8-1 8-1 8-1 8-1 7-1 7-1 7-1 7-1 7-1 9 10 7-3 7-2 7-2 7-2 7-2 7-2 7-2 7-1 8 7 エア配管図及び実装図 コンベア ( 実装図 ) No. 名 称 個数 No. 名 称 個数 No. 名 称 個数 No. 名 称 個数 7 固定シュートユニット 1 7-1 ユニバーサルチ…

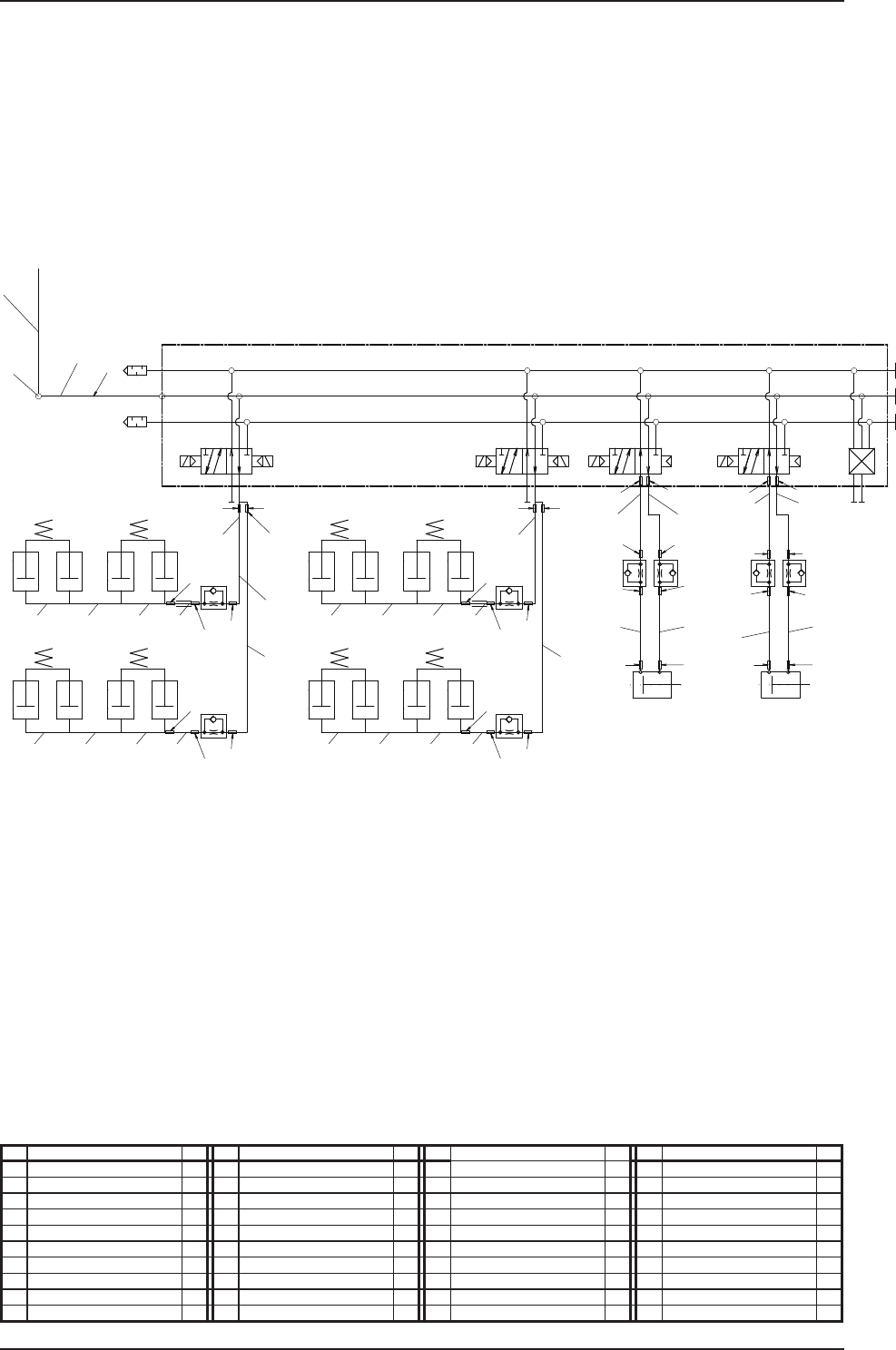
1-6
5OM-1750
エア配管図及び実装図
コンベア ( エア配管図 )
No. 名 称 個数 No. 名 称 個数 No. 名 称 個数 No. 名 称 個数
1 チューブ D32 1
2 チューブ D6 1
3 PIPE FITTINGS 1
4 フラットチューブ D4.1 1
1305-002
A
B
A
B
A
B
A
B
本体より
配管φ6L440
配管φ6
L1000
基板ストッパーL
VBHSO
VBHSI
BHSI
BHSI
BHSO
BHSO
φ3.2L500
φ3.2L450
VBHSO
VBHSI
φ3.2L850
φ3.2L850
基板ストッパーR
VBMSO
VBMSI
BMSI
BMSO
BMSI
BMSO
φ3.2L460
φ3.2L400
VBMSI
VBMSO
φ3.2L950
φ3.2L950
可動側ZクランプL
固定側ZクランプL
φ3.2L820
φ3.2L820
φ3.2L122
φ3.2L70 φ3.2L46
φ3.2L122
φ3.2L70 φ3.2L46
VBKHZ
VB3HZ
VB3HZ
B3HZ
B3HZ
VBKHZ
BKHZ
BKHZ
φ3.2L850
φ3.2L450
A
B
φ3.2L950
φ3.2L950
φ3.2L122
φ3.2L70 φ3.2L46
φ3.2L46φ3.2L70
φ3.2L122
B3MZ
B3MZ
VB3MZ
VBKMZ
BKMZ
BKMZ
φ3.2L950
φ3.2L500
可動側ZクランプR
固定側ZクランプR
VBKMZ
VB3MZ
2
4
1
3

1-7
5OM-1750
8-2
8-2
8-2
8-3
8-2
8-2
8-2
8-1
8-1
8-1
8-1
8-1
8-1
7-1
7-1
7-1
7-1
7-1
9
10
7-3
7-2
7-2
7-2
7-2
7-2
7-2
7-1
8
7
エア配管図及び実装図
コンベア ( 実装図 )
No. 名 称 個数 No. 名 称 個数 No. 名 称 個数 No. 名 称 個数
7 固定シュートユニット 1
7-1 ユニバーサルチー
7-2 バーブ継手
7-3 バーブエルボ
8 可動シュートユニット
8-1 ユニバーサルチー 1
8-2 バーブ継手
8-3 バーブエルボ
9 基板ストッパ 1
10 基板ストッパ 1
1305-002

1-8
5OM-1750
6
11
12
エア配管図及び実装図
コンベア ( 実装図 )
No. 名 称 個数 No. 名 称 個数 No. 名 称 個数
6 ソレノイドバルブ 1
11 スピードコントローラ 4
12 スピードコントローラ 4
1305-002