G5S资料(1).pdf - 第68页
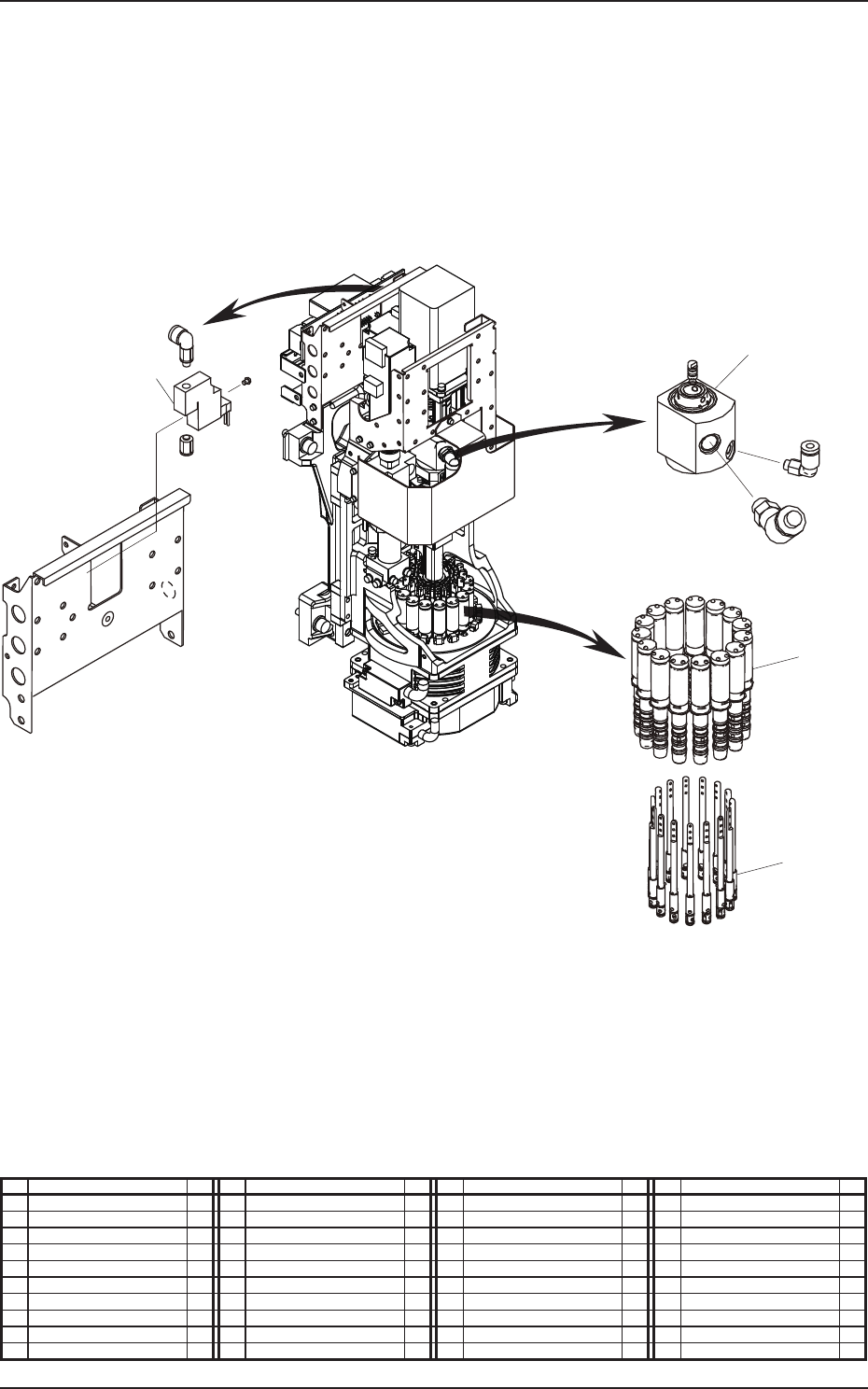
1-15 5OM-1750 エア配管図及び実装図 ヘッド部 ( エア配管図 ) No. 名 称 個数 No. 名 称 個数 No. 名 称 個数 No. 名 称 個数 1 チューブφ 4 1 2 チューブφ 8 1 3 ソレノイドバルブ 1 4 ロータリジョイント 1 5 ソレノイドバルブ 15 6 フィルタ 15 1305-002 A V P R A P ノズル2 ノズル15 ノズル1 A V P A V P バルブ フィルタ ロータ…

1-14
5OM-1750
エア配管図及び実装図
ノズルストッカ ( 実装図 )
No. 名 称 個数 No. 名 称 個数 No. 名 称 個数 No. 名 称 個数
4 ソレノイドバルブ 1
5 シリンダ 1
6 シリンダ 1
9 ユニオンワイ
1305-002
9
4
5
6

1-15
5OM-1750
エア配管図及び実装図
ヘッド部 ( エア配管図 )
No. 名 称 個数 No. 名 称 個数 No. 名 称 個数 No. 名 称 個数
1 チューブφ 4 1
2 チューブφ 8 1
3 ソレノイドバルブ 1
4 ロータリジョイント 1
5 ソレノイドバルブ 15
6 フィルタ 15
1305-002
A
V
P
R
A
P
ノズル2
ノズル15ノズル1
A
V
P
A
V
P
バルブ
フィルタ
ロータ リージョイント
φ4継手
φ8継手
φ8
φ4
φ8継手
φ4継手
φ6継手
バルブ
ロケットケーブル
3
2
1
4
5
6
本体より

1-16
5OM-1750
3
5
4
6
エア配管図及び実装図
ヘッド部 ( 実装図 )
No. 名 称 個数 No. 名 称 個数 No. 名 称 個数 No. 名 称 個数
3 ソレノイドバルブ 1
4 ロータリジョイント 1
5 ソレノイドバルブ 15
6 フィルタ 15
1305-002